电脑桌面
添加小米粒文库到电脑桌面
安装后可以在桌面快捷访问

建筑工程质量通病图集VIP免费

建筑工程质量通病图集_第1页
1/20
建筑工程质量通病图集_第2页
2/20
建筑工程质量通病图集_第3页
3/20
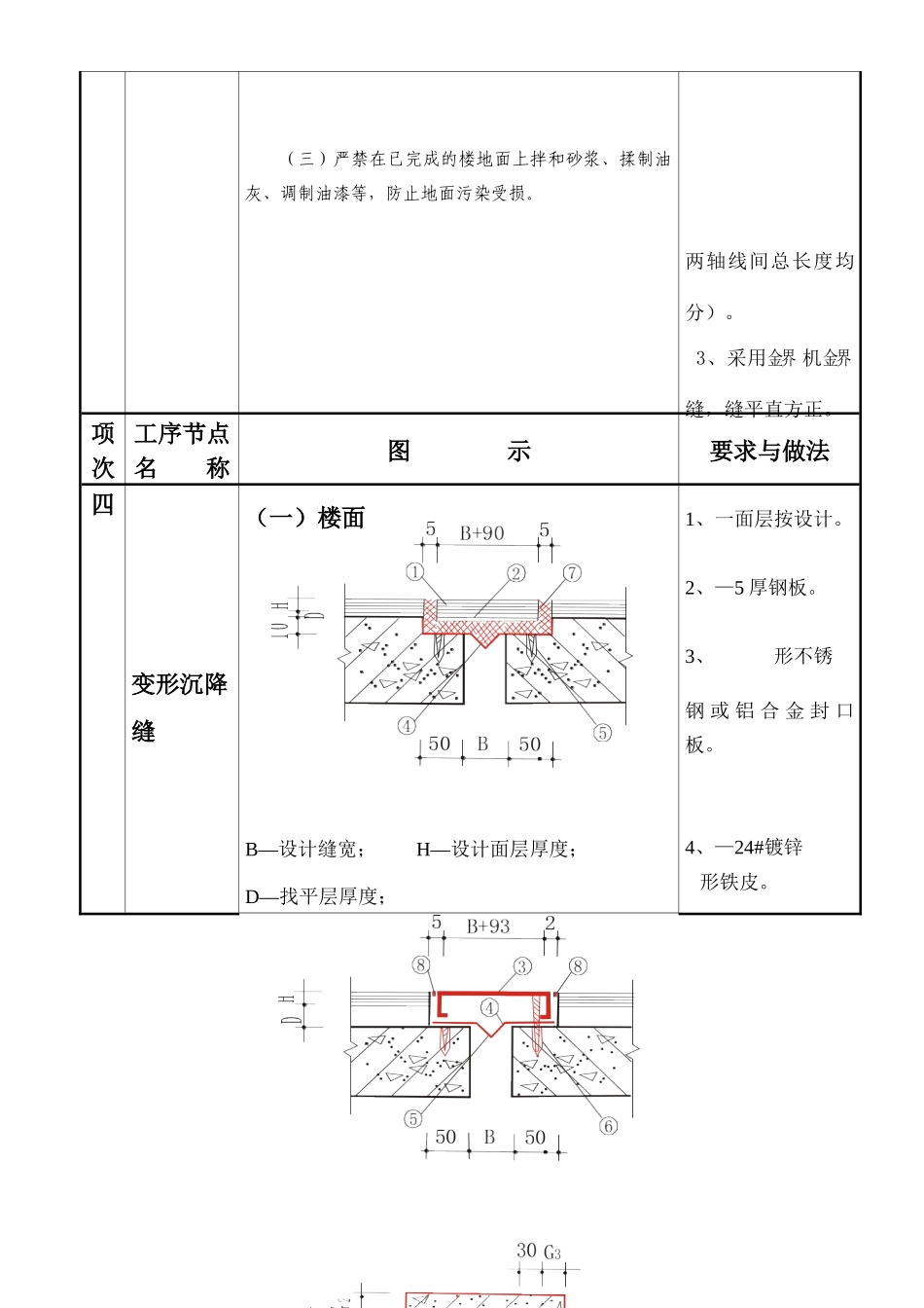
建筑工程质量通病图集项次工序节点名称图示要求与做法一建筑物外墙与散水坡、台阶、明沟留沉降缝1、散水坡、台阶、明沟本身按≤6m长度(总长度均分)留沉降缝。2、外墙阴阳角位按450角留沉降缝。3、散水坡与台阶交接处留沉降缝分隔。二室外地面留伸缩缝1、伸缝纵向间距≤30m。2、缩缝横向间距≤6m(总长度均分),做法详第三项。三室内地面楼面留缩缝(一)地面1、用大面积水泥混凝土地面、楼面水泥砂浆面层。2、横向缩缝间距按轴线尺寸。纵向缩缝间距≤6m(横向(二)楼面两轴线间总长度均分)。3、采用金界机金界缝,缝平直方正。(三)严禁在已完成的楼地面上拌和砂浆、揉制油灰、调制油漆等,防止地面污染受损。项次工序节点名称图示要求与做法四变形沉降缝(一)楼面B—设计缝宽;H—设计面层厚度;D—找平层厚度;1、一面层按设计。2、—5厚钢板。3、形不锈钢或铝合金封口板。4、—24#镀锌形铁皮。5、一塑料胀锚木牙螺丝@500C/C固定形镀锌铁皮。6、一塑料胀锚不锈钢螺丝@500C/C固定形封口板。7、一沥青胶泥填嵌。8、一硅铜胶封缝。(二)墙面(三)天面G1.2.3-设计结构宽度项次工序节点名称图示要求与做法八屋面保护层留伸缩缝。①柔性防水屋面;宜采用绿豆砂或块料作保护层。块料按④点要求分块。②水泥砂浆;缝宽10mm,防水油膏填缝。按1m2面积分块,纵向长度≤6m(按总长均分)③细石混凝土;缝宽20mm,防水油膏填缝。按1m2面积分块,纵向长度≤6m(按总长均分)④块状材料:缝宽20mm,防水油膏填缝。1、架空按≤100m2面积分块。2、座砌按≤36m2面积分块。⑤珍珠岩或轻质陶粒保温层;1、按6×6m设置纵横排气孔管。2、按36m2设置一个排气孔。3、屋面宽度≥10m设置通风屋脊。九厨、浴厕、阳台、外走道等地面低于居室地面①厨、浴厕间、阳台、外走道地面低于居室地面相对标高15mm。②厨、浴厕、阳台、外走道等处的地漏低于相对地面标高10mm。十腰线、挑檐、雨蓬做滴水线项次工序节点名称图示要求与做法十一窗楣做鹰咀,外窗台低于内窗台,外窗台做向外排水坡1、窗楣及窗台块料贴面,其外角采用夹角镶贴。2、窗楣突出线时按第十项施工。窗台突出线时,按第五项施工。3、铝合金窗外周边留宽5mm深8mm槽,防水胶密封。4、安装用螺丝应用铜或不锈钢螺丝。5、钢窗内外窗台高差>10mm。铝合金窗下框必须有泄水结构,如无时;①推拉窗:导轨在靠两边框位处铣8mm宽口泄水。②平开窗:在框靠中梃位置每个扇洞铣一个宽8mm口泄水。项次工序节点名称图示要求与做法十二墙面、地面镶贴块料面①不允许有小于1/4的块料。②条形饰面砖不得小于1/2砖。③独立柱用条形饰面砖时,宽度方向必须用整砖。④地面铺400×400以下块料必须通缝。400×400以上块料可用分色块料分隔。⑤天面、地面块料铺贴缝宽≥2mm以防膨胀起鼓变形。⑥露台铺贴块料时,地面四周留缝20mm宽,防水油膏填缝。1、镶贴前进行模数计算和预排、使排砖和拼缝均匀。2、非整砖行排在阴角处或次要部位。3、阴阳角方正顺直,不得出现鼠尾现象。4、采取措施消除空鼓和裂纹。十三楼梯步级①级面平整、宽度均匀一致,防滑条采用石米、铁砂时应高出级面5mm;采用铜条时应高出2mm,并顺直、牢固。②相邻两级差不得超过10mm。十四木门窗安装①按规范要求做好锚固。②铰链要用开槽机双面开槽,槽深浅度一致。③门窗安装的留缝宽度:(1)门窗扇与框间立缝的留缝宽度为1.5-2.5mm。(2)框与扇间上缝的留缝宽度为1.0-1.5mm。(3)门扇与地面间缝:a)外门留缝宽度为4-5mm。b)内门留缝宽度为6-8mm。c)卫生间门留缝宽度为10-12mm。1、门窗上下冒头必须刨光,刷油漆。2、油漆不得污染小五金。项次工序节点名称图示要求与做法十五天面地漏斜水坡度及防渗十六管道穿越楼板、屋面的套管埋设套管的选用、加工大样及埋设工艺要求详见有关标准图集。十七镀锌水管的连接①生活给水管及DN≤100mm的非生活给水管(如消防、空调等)不得焊接。②DN>100mm的非生活给水管,在特别情况下,可允许采用焊接,但不得减少通水截面,并须作防锈处理。项次工序节点名称图示要求与做法十八立管(包括生活和消防给水、排水、空调水系统及输送其它介质的各种立管)要离...

1、当您付费下载文档后,您只拥有了使用权限,并不意味着购买了版权,文档只能用于自身使用,不得用于其他商业用途(如 [转卖]进行直接盈利或[编辑后售卖]进行间接盈利)。
2、本站所有内容均由合作方或网友上传,本站不对文档的完整性、权威性及其观点立场正确性做任何保证或承诺!文档内容仅供研究参考,付费前请自行鉴别。
3、如文档内容存在违规,或者侵犯商业秘密、侵犯著作权等,请点击“违规举报”。

碎片内容

建筑工程质量通病图集

墨香书阁+ 关注
实名认证
内容提供者

热爱教学事业,对互联网知识分享很感兴趣

相关文档

确认删除?
VIP
微信客服
  • 扫码咨询
会员Q群
  • 会员专属群点击这里加入QQ群
客服邮箱
回到顶部