电脑桌面
添加小米粒文库到电脑桌面
安装后可以在桌面快捷访问

工程勘察收费标准范本VIP免费

工程勘察收费标准范本_第1页
1/41
工程勘察收费标准范本_第2页
2/41
工程勘察收费标准范本_第3页
3/41
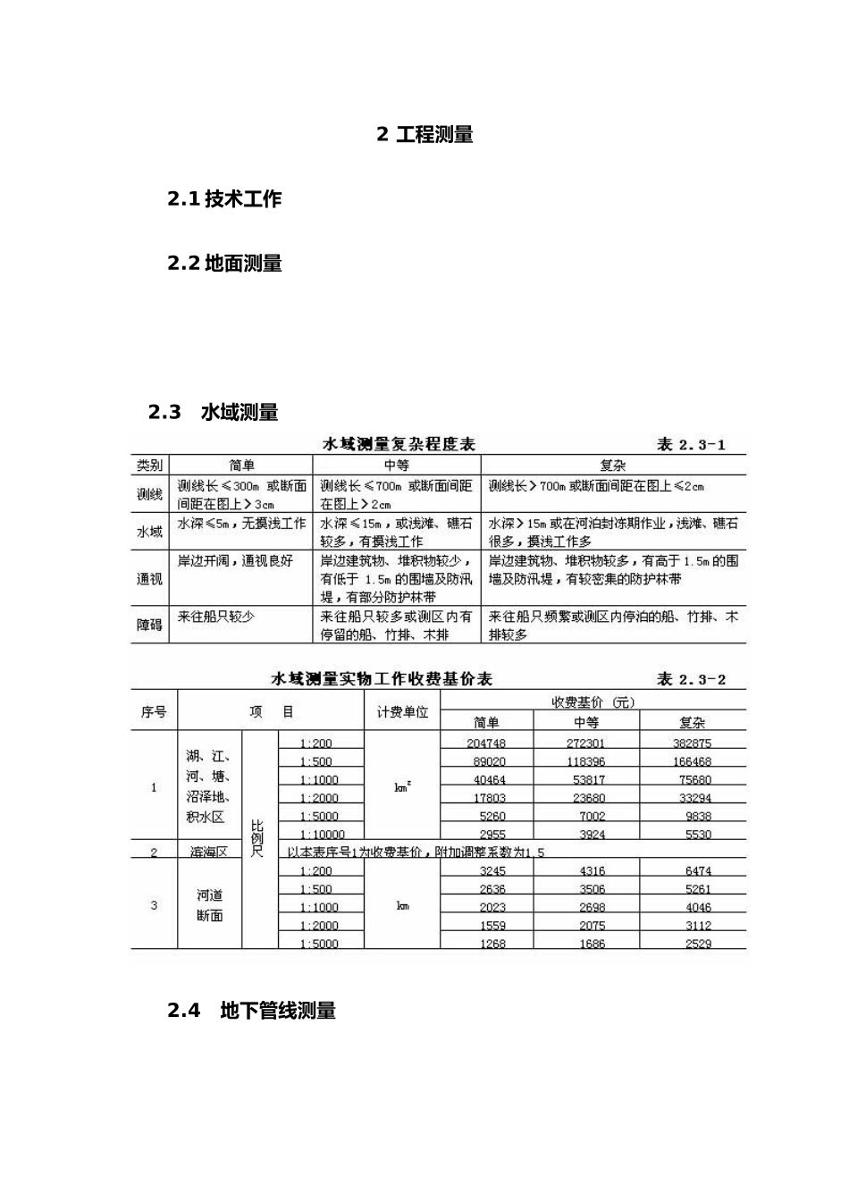
2工程测量2.1技术工作2.2地面测量2.3水域测量2.4地下管线测量2.5洞室测量2.6其他测量3岩土工程勘察3.1技术工作3.2工程地质测绘3.3岩土工程勘探与原位测试4岩土工程设计与检测监测4.1岩土工程设计4.1.1岩土工程设计服务内容根据工程性质和技术要求,现场踏勘,收集分析已有资料,调查周边建筑物及地下管线情况;编制岩土设计文件,绘制施工图,提出试验、检测和监测方案;配合施工,解决施工中的设计问题。4.1.2岩土工程设计收费2.岩土工程设计收费不足0.5万元,按照0.5万元计算收费;3.岩土工程概算额>2000万元时,I级按照费率3.5%、Ⅱ级按照费率4.5%、Ⅲ级按照费率5.0%计算收费;4.岩土工程设计收费基价是完成4.1.1岩土工程设计服务内容的价格。岩土工程检测监测4.2.1岩土工程检测监测技术工作岩土工程检测监测技术工作费收费比例为22%。4.2.2岩土工程检测监测实物工作5水文地质勘察5.1技术工作5.2水文地质测绘5.3模拟计算、遥感判释5.4水文地质钻探水文地质钻探实物工作收费基价按所钻探地层分层计算,计算公式如下:水文地质钻探实物工作收费基价=130元/(米)×自然进尺(米)×岩土类别系数×孔深系数×孔径系数5.5现场测试与取样5.6洗井、固井与旧井处理6工程水文气象勘察6.1技术工作工程水文气象勘察技术工作费收费比例为22%。6.2工程水文勘察6.3工程气象勘察7工程物探7.1技术工作费工程物探技术工作费收费比例为22%。7.2工程物探8室内试验8.1技术工作费室内试验技术工作费收费比例为10%。8.2土工试验8.3水质分析8.4岩石试验8.5现场室内试验土工、水质、岩石室内试验需移至现场进行的,附加调整系数为1.3。9煤炭工程勘察9.1说明9.1.1本章为煤炭工业的矿井、露天矿、选煤厂、水煤浆制备与燃烧应用、煤层气抽放及输配等工程初步设计和施工图设计阶段的工程勘察收费。9.1.2煤炭工程初步设计阶段的勘察工作量为30%,施工图设计阶段的勘察工作量为70%。9.2煤炭工程勘察收费9.2.1根据场地地形和岩土工程复杂程度,煤炭工程勘察分为一般场地和复杂场地两类:一般场地,岩土工程勘察和工程测量按该建设项目工程设计收费基准价的12~18%计算收费;复杂场地,如岩溶、洞穴、泥石流、滑坡、沙漠以及山前洪积扇等,按该建设项目工程设计收费基准价的20%计算收费。9.2.2矿井井巷、露天矿疏干,边坡和排土场的工程勘察另行计算收费。岩土工程设计与检测监测执行通用工程勘察收费标准。10水利水电工程勘察10.1说明10.1.1本章为水库、引调水、河道治理、灌区、水电站、潮汐发电、水土保持等工程初步设计、招标设计和施工图设计阶段的工程勘察收费。10.1.2单独委托的专项工程勘察、风力发电工程勘察,执行通用工程勘察收费标准。10.1.3水利水电工程勘察按照建设项目单项工程概算投资额分档定额计费方法计算收费,计算公式如下:工程勘察收费=工程勘察收费基准价×(1±浮动幅度值)工程勘察收费基准价=基本勘察收费+其他勘察收费基本勘察收费=工程勘察收费基价×专业调整系数×工程复杂程度调整系数×附加调整系数10.1.4水利水电工程勘察收费的计费额、基本勘察收费、其他勘察收费及调整系数等,《工程勘察收费标准》中未做规定的,按照《工程设计收费标准》规定的原则确定。10.1.5水利水电工程勘察收费基价是完成水利水电工程基本勘察服务的价格。10.1.6水利水电工程勘察作业准备费按照工程勘察收费基准价的15~20%计算收费。10.2水利水电工程各阶段工作量比例及专业调整系数10.3水利水电工程勘察复杂程度划分10.4水利水电工程勘察收费基价11电力工程勘察11.1说明11.1.1本章为火电、变电、送电、核电工程初步设计和施工图设计阶段的工程勘察收费。11.1.2电力工程勘察收费按下列公式计算:工程勘察收费=工程勘察收费基价×实物工作量×附加调整系数11.1.3电力工程勘察作业准备费按下列公式计算:工程勘察作业准备费=工程勘察收费基准价×工程勘察作业准备费比例11.2火电工程勘察复杂程度划分11.2.1火电、变电、送电工程勘察复杂程度赋分值见表11.7-1。11.2.2火电、变电、送电工程勘察复杂程度见表11.7-2。11.3火电工程勘察11.4变电工程勘察11.5送电工程勘察11.6核电工程勘察11.6.1核...

1、当您付费下载文档后,您只拥有了使用权限,并不意味着购买了版权,文档只能用于自身使用,不得用于其他商业用途(如 [转卖]进行直接盈利或[编辑后售卖]进行间接盈利)。
2、本站所有内容均由合作方或网友上传,本站不对文档的完整性、权威性及其观点立场正确性做任何保证或承诺!文档内容仅供研究参考,付费前请自行鉴别。
3、如文档内容存在违规,或者侵犯商业秘密、侵犯著作权等,请点击“违规举报”。

碎片内容

工程勘察收费标准范本

您可能关注的文档

确认删除?
VIP
微信客服
  • 扫码咨询
会员Q群
  • 会员专属群点击这里加入QQ群
客服邮箱
回到顶部