电脑桌面
添加小米粒文库到电脑桌面
安装后可以在桌面快捷访问

奥体施工组织设计(框架)(101页)VIP免费

奥体施工组织设计(框架)(101页)_第1页
1/66
奥体施工组织设计(框架)(101页)_第2页
2/66
奥体施工组织设计(框架)(101页)_第3页
3/66
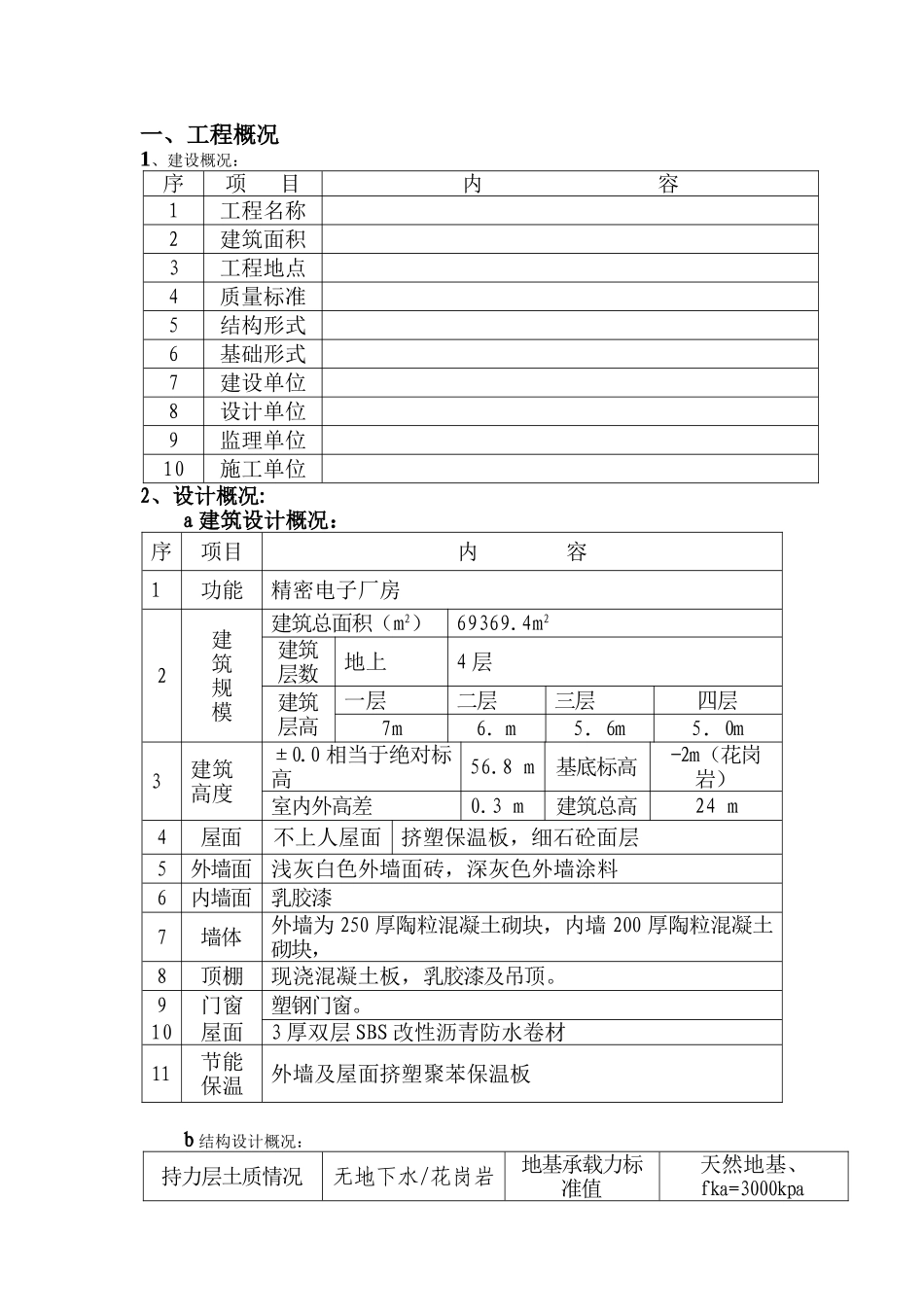
一、工程概况1、建设概况:序项目内容1工程名称2建筑面积3工程地点4质量标准5结构形式6基础形式7建设单位8设计单位9监理单位10施工单位2、设计概况:a建筑设计概况:序项目内容1功能精密电子厂房2建筑规模建筑总面积(m2)69369.4m2建筑层数地上4层建筑层高一层二层三层四层7m6.m5.6m5.0m3建筑高度±0.0相当于绝对标高56.8m基底标高-2m(花岗岩)室内外高差0.3m建筑总高24m4屋面不上人屋面挤塑保温板,细石砼面层5外墙面浅灰白色外墙面砖,深灰色外墙涂料6内墙面乳胶漆7墙体外墙为250厚陶粒混凝土砌块,内墙200厚陶粒混凝土砌块,8顶棚现浇混凝土板,乳胶漆及吊顶。9门窗塑钢门窗。10屋面3厚双层SBS改性沥青防水卷材11节能保温外墙及屋面挤塑聚苯保温板b结构设计概况:持力层土质情况无地下水/花岗岩地基承载力标准值天然地基、fka=3000kpa基础类型独立柱基础结构形式现浇钢筋混凝土框架结构抗震等级结构的安全等级二级抗震设防烈度7度结构的安全等级三级混凝土强度等级垫层C15地板、构造柱、过结构的安全等级C25二层以下柱、基础C35地梁及二层梁板到屋面梁板柱C30钢筋接头型式当d≥Φ22时,机械接头当d<Φ22时,采用搭接接头钢筋类别Ⅰ级钢、Ⅱ级钢、Ⅲ级钢结构尺寸柱500*500——900*900mm楼板100、120、140mm梁高最大1300mm3、施工概况:本工程2007年10月20日开工,2008年5月5日竣工。本工程按项目法组织施工,项目经理选派承担过大型工程项目管理,并具备丰富施工管理经验的国家一级项目经理担任;项目工程师选派具有较高技术业务素质和技术管理水平、并有创河北省安济杯管理经验的工程技术人员担任。项目部对本项目的人、财、物按照项目法施工管理的要求实行统一组织,统一布置,统一计划,统一协调,统一管理,通过我们科学、严谨的工作质量和项目管理经验,确保实现合同规定的工期和质量目标,现场管理创河北省级文明安全工地。主要管理人员情况及项目部组织机构项目经理简历表以上各部在经理部领导班子的领导下,统一协调,各尽其责,及时解决施工过程中出现的各种问题,确保优质、高效的完成施工任务。秦皇岛海三建设工程发展股份有限公司,始建于1977年。通过产权制度改革,于2000年12月改制为股份制(民营)企业。公司现为国家房屋建筑工程施工总承包资质一级企业,注册资金6000万元人民币。公司下属三个施工分公司、房屋开发公司、建材经销公司、建材加工公司、建材检测公司等单位。现有管理人员446人,从业人员年平均4000-10000人左右,各类专业技术人员361人,其中:高级职称15人,中级职称63人,初级职称283人。公司有各类施工机械设备700多台(件),其中:大中型设备300多台,能满足各类建筑工程施工的需要。公司1997年通过ISO9001质量管理体系认证,并始终得到严肃执行。公司先后承建的市邮政大厦、奥体中心体育场、体育馆、报业大厦、工行大厦、图书大厦、海港区法院审判大楼等标志性工程40多项,具有一定规模的工程200多项。获省优(安济杯)工程58项,其中:秦新花园工程、奥体中心体育场工程荣获国家建筑工程最高奖-鲁班奖。合同履约率100%,工程一次交验合格率100%,顾客满意度达97%以上。公司坚持以“诚信天下”为宗旨的经营理念,以高尚的人品,建造优质产品。在房地产开发和承建工程中,始终把用户满意作为企业永远追求的目标。收到了承接一项工程,创一方信誉,拓一片市场的良好效果。4、施工组织设计编制依据建筑、结构、水暖、电气图纸。招投标文件、施工合同、施工现场条件、公司资源配备情况、公司管理文件等。二、施工目标质量环境安全方针与目标为了满足顾客要求,并争取超越顾客期望,控制污染物排放、节约能源、美化环境,减少安全事故,保护员工的安全健康,实现质量/环境/安全保护的战略目标。根据公司的管理体系及建筑施工的特性,确定了项目部的管理方针和质量、环境、安全目标。管理方针:质量创优顾客满意健康环保安全第一持续创新诚信守纪质量、环境、安全目标:质量目标A、工程竣工交验合格率100%,合同履约率100%;B、顾客满意度95%以上。C、合格工程。环境目标(1)、目标:废“水、尘、声、渣”排放达标,能源消耗达标,绿色环保...

1、当您付费下载文档后,您只拥有了使用权限,并不意味着购买了版权,文档只能用于自身使用,不得用于其他商业用途(如 [转卖]进行直接盈利或[编辑后售卖]进行间接盈利)。
2、本站所有内容均由合作方或网友上传,本站不对文档的完整性、权威性及其观点立场正确性做任何保证或承诺!文档内容仅供研究参考,付费前请自行鉴别。
3、如文档内容存在违规,或者侵犯商业秘密、侵犯著作权等,请点击“违规举报”。

碎片内容

奥体施工组织设计(框架)(101页)

您可能关注的文档

确认删除?
VIP
微信客服
  • 扫码咨询
会员Q群
  • 会员专属群点击这里加入QQ群
客服邮箱
回到顶部