电脑桌面
添加小米粒文库到电脑桌面
安装后可以在桌面快捷访问

咸阳21层高层住宅造价VIP免费

咸阳21层高层住宅造价_第1页
1/6
咸阳21层高层住宅造价_第2页
2/6
咸阳21层高层住宅造价_第3页
3/6
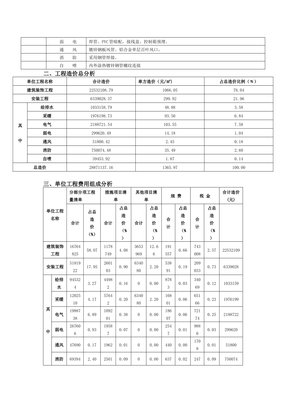
一、工程概况工程名称住宅楼建设地点咸阳市区招标时间2008.11建筑高度64.2m结构类型剪力墙结构建筑面积21136㎡层高3.00m层数地下1层、地上21层标底价28871137.16元中标价26804816.64元中标价为标底价的92.84﹪造价编制说明编制依据:本工程依据《陕西省建设工程清单计价规则》(2004)、《陕西省建筑装饰工程消耗量定额》(2004)、《参考价目表》(2006)、《参考费率》(2004)、陕建发【2007】232号“安全文明施工措施项目费及人工单价”调价文件及招标文件有关要求。需说明问题:1.养老统筹、定额测定费、环境保护均未计。2.进户防盗门以600元/樘、烟道以85元/米、阳光板雨罩以120元/㎡、塑钢窗以180元/㎡、电梯按40万元//部、室外配套费按50元/㎡*建筑面积计入;钢材暂按4500.00元/吨计入,除甲方暂定材料设备价格外,其余材料价格投标人充分考虑招标文件的各项条款及所掌握的市场行情自主报价。3.容积为12m3的钢板水箱以45000元/台、室内地敷热采暖管道以30元/㎡、25组合式热量表以850元/个、配电箱均以480元/台、HXZ1.00/27.8-2-WF型全自动消防给水设备100DL*5型水泵以20000元/台、屋面试验消火栓以850元/台、室内单出口消火栓以1500元/台、室内单出口减压稳压消火栓以2100元/台、消防水泵接合器DN100以2000元/台分别计入。单项工程内容及施工标准(方法)建筑工程地基整片3:7灰土、机械碾压(换土)基础C40、S6钢筋砼筏板基础、商品混凝土、泵送运输框架梁C30砼、商品混凝土、泵送运输框架柱C30砼、商品混凝土、泵送运输墙体±0.00以下MU10粘土实心砖;±0.00以上MU5.0大孔非承重空心砖、MU10加气混凝土块剪力墙体四层以下C30、四层以上C25、均为商品混凝土、泵送运输楼板四层以下C30、四层以上C25、均为商品混凝土、泵送运输楼梯C30砼、商品混凝土、泵送运输模板小钢模现场组拼钢筋连接采用搭接和焊接屋面贴缸砖防水屋面防水:2厚氯化聚乙稀卷材防水结合层一道及5厚EVA防水涂料一道(一布四涂);厨卫间:非焦油聚氨酯涂膜防水;地下室底板、墙体砼加PR-4型增强防水剂,(加强带内12%,加强带外10%),SBS改性沥青防水卷材(3mm)装饰工程楼地面水泥砂浆、共用部分压光、其余拉毛天棚水泥石灰砂浆门窗塑钢窗、铝合金百叶窗、进户防盗门内墙面水泥砂浆及混合砂浆、共用部分刷乳胶漆外墙面外墙及外挑板贴45厚XPS保温板、外墙刷外墙涂料安装工程给排水给水室内采用PP-R复合管,地下室采用DE复合管,热熔连接;屋面采用镀锌钢管;排水采用UPVC隔音空壁螺旋排水塑料管。采暖采用地敷热式供暖、主管道采用钢管、室内铝塑管。照明电力电缆,焊管、PVC管暗配及配线。弱电焊管、PVC管暗配,接线盒、控制箱预埋。通风镀锌钢板风管、铝合金单层百叶风口。消防采用钢管焊接。自喷内外涂热镀锌钢管螺纹连接二、工程造价总分析单位工程名称合计造价单方造价(元/㎡)占总造价比例(﹪)建筑装饰工程22532108.791066.0578.04安装工程6339028.37299.9221.96其中给排水1033158.7948.883.58采暖1976198.7393.506.84电气2188721.54103.557.58弱电299620.4914.181.04通风51800.422.450.18消防750074.4835.492.60自喷39453.921.870.14总造价28871137.161365.97100.00三、单位工程费用组成分析单位工程名称分部分项工程量清单措施项目清单其他项目清单规费税金合计造价(元)合计占总造价(%)合计占总造价(%)合计占总造价(%)合计占总造价(%)合计占总造价(%)建筑装饰工程1676482558.0711787494.08365396912.661915570.667430082.5722532109安装工程518192217.952601030.906340802.20538910.192090330.736339028其中给排水9453243.27449820.1600.0087830.03340690.121033159采暖12025104.17576420.206340802.20168010.06651660.231976199电气19887386.891092010.3800.00186070.06721740.252188722弱电2676060.93195870.0700.0025470.0198800.03299620通风476900.1719620.0100.004400.0017080.0151800消防693942.4025010.0900.006370.022470.0975007449734自喷361100.1317080.0100.003350.0013010.0039454合计2194674776.0214388514.98428804914.852454490.859520413.3028871137四、建筑装饰工...

1、当您付费下载文档后,您只拥有了使用权限,并不意味着购买了版权,文档只能用于自身使用,不得用于其他商业用途(如 [转卖]进行直接盈利或[编辑后售卖]进行间接盈利)。
2、本站所有内容均由合作方或网友上传,本站不对文档的完整性、权威性及其观点立场正确性做任何保证或承诺!文档内容仅供研究参考,付费前请自行鉴别。
3、如文档内容存在违规,或者侵犯商业秘密、侵犯著作权等,请点击“违规举报”。

碎片内容

咸阳21层高层住宅造价

您可能关注的文档

确认删除?
VIP
微信客服
  • 扫码咨询
会员Q群
  • 会员专属群点击这里加入QQ群
客服邮箱
回到顶部