电脑桌面
添加小米粒文库到电脑桌面
安装后可以在桌面快捷访问

卷烟厂采购管理办法VIP免费

卷烟厂采购管理办法_第1页
1/40
卷烟厂采购管理办法_第2页
2/40
卷烟厂采购管理办法_第3页
3/40
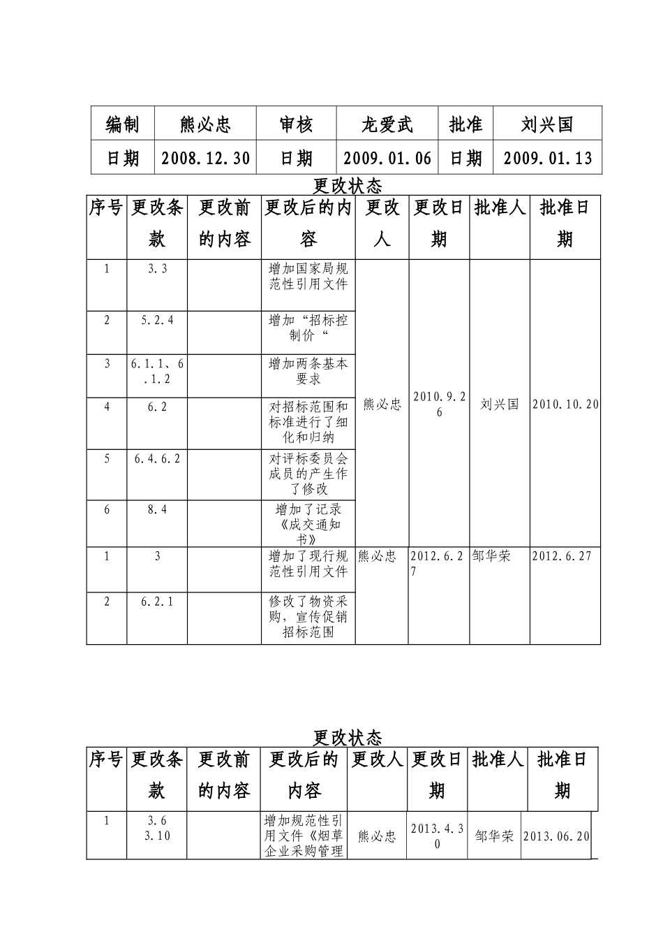
湖北中烟工业有限责任公司综合管理体系文件QHSE/HBZY.CG.SXC-sj.002-2008三峡卷烟厂采购管理办法(版本号A6)2009-01-14发布2009-01-14实施三峡卷烟厂发布编制与发放:此文件由招标办提出并归口管理。此文件发放范围是:厂领导、各车间、科室、雪茄烟分厂、三产业编制熊必忠审核龙爱武批准刘兴国日期2008.12.30日期2009.01.06日期2009.01.13更改状态序号更改条款更改前的内容更改后的内容更改人更改日期批准人批准日期13.3增加国家局规范性引用文件熊必忠2010.9.26刘兴国2010.10.2025.2.4增加“招标控制价“36.1.1、6.1.2增加两条基本要求46.2对招标范围和标准进行了细化和归纳56.4.6.2对评标委员会成员的产生作了修改68.4增加了记录《成交通知书》13增加了现行规范性引用文件熊必忠2012.6.27邹华荣2012.6.2726.2.1修改了物资采购,宣传促销招标范围更改状态序号更改条款更改前的内容更改后的内容更改人更改日期批准人批准日期13.63.10增加规范性引用文件《烟草企业采购管理熊必忠2013.4.30邹华荣2013.06.20规定》(中烟办[2012]313号)、中烟公司《企业采购管理制度》(鄂烟工[2013]33号)24.24.34.4增加了物资、工程、服务的定义35对职责进行了修改46.3.66.3.76.3.8增加了竞争性谈判、单一来源、询价的的条件规定5按照《烟草企业采购管理规定》和中烟公司《企业采购管理制度》要求进行修改16.3.2.4单项合同估算价在10万以内的零星维修项目,通过招标方式建立土建类、设备安装类等合格施工方库,当零星维修发生时,由项目实施部门采用随机抽取或询价等方式在合格施工方库中选择确定施工合作方熊必忠2013.12.25邹华荣2013.12.27更改状态序号更改条款更改前的内容更改后的内容更改人更改日期批准人批准日期16.5.1.3增加物资、服务类采购公开招标项目委托代理机构组织招标熊必忠2014.3.20邹华荣2014.4.2126.5.6.1对投标人资格审查进行了补充36.5.7.36.6.5.1增加投标单位代表、参加谈判供应商代表必须持法人代表身份证明或法人代表授权委托书及本人身份证明参加开标和谈判48.18.28.48.5对招标文件审批表、采购事项审批表、中标通知书、成交通知书等记录进行了修改1三峡卷烟厂招标、采购管理办法三峡卷烟厂采购管理办法熊必忠2015.4.2724.2增加了采购定义36.26.3增加了集中采购目录、采购计划编制条款46.4对采购方式及适用条件作了修改56.6.1.16.1.1.2对自行招标和委托招标代理作了修改66.7.3增加了谈判供应商通过征集供应商方式选熊必忠2015.4.27择的条款76.106.116.126.13增加了项目变更、供应商管理、合同签订与履行、采购项目网上运行条款QHSE/HBZY.CG.SXC-sj.002-2008三峡卷烟厂采购管理办法1目的为维护企业权益,切实加强本厂各类采购活动的管理与监督,严格执行采购程序,规范采购行为,提高经济效益,保证项目质量,根据国家法律法规及国家局、湖北中烟工业有限责任公司(以下简称中烟公司)关于采购的有关规定,结合企业实际制定本办法。2范围本办法适用于厂各部门、雪茄烟分厂实施的工程、物资和服务项目的采购活动。三产业参照本办法执行。3规范性引用文件3.1《中华人民共和国招标投标法》3.2《中华人民共和国政府采购法》3.3国家局《烟草行业工程投资、物资采购和宣传促销项目管理程序的规定》(国烟办[2011]435号)3.4国家局《烟用物资采购管理规定》(国烟运[2010]389号)3.5国家局《关于低于30万元物资采购的补充规定》(国烟办综[2011]609号)3.6中国烟草总公司《烟草企业采购管理规定》(中烟办[2012]313号)3.7中烟公司《企业采购管理制度》(鄂烟工[2013]33号)3.8中烟公司《关于三项工作管理委员会工作职责的通知》(鄂烟工[2013]32号)4定义、符号、缩略语4.1本办法所称“三项工作”管理委员会(以下简称三项工作管委会)是指工程、物资、服务三项工作管理委员会。4.2本办法所称采购,是指厂各部门、雪茄烟分厂以合同方式有偿取得物资、工程(含信息化项目)和服务的行为,包括购买、租赁、委托、雇用等。4.3本办法所称物资,是指各种形态和种类的物品,分为烟用物资和非烟用物资。烟用物资主要包括卷烟材料、烟叶配套物资、烟草物流配送物资烟机及烟机零配件等;非烟用物资主要包...

1、当您付费下载文档后,您只拥有了使用权限,并不意味着购买了版权,文档只能用于自身使用,不得用于其他商业用途(如 [转卖]进行直接盈利或[编辑后售卖]进行间接盈利)。
2、本站所有内容均由合作方或网友上传,本站不对文档的完整性、权威性及其观点立场正确性做任何保证或承诺!文档内容仅供研究参考,付费前请自行鉴别。
3、如文档内容存在违规,或者侵犯商业秘密、侵犯著作权等,请点击“违规举报”。

碎片内容

卷烟厂采购管理办法

确认删除?
VIP
微信客服
  • 扫码咨询
会员Q群
  • 会员专属群点击这里加入QQ群
客服邮箱
回到顶部