电脑桌面
添加小米粒文库到电脑桌面
安装后可以在桌面快捷访问

原物料销售流程VIP免费

原物料销售流程_第1页
1/2
原物料销售流程_第2页
2/2
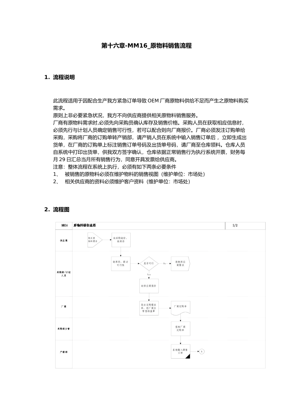
第十六章-MM16_原物料销售流程1.流程说明此流程适用于因配合生产我方紧急订单导致OEM厂商原物料供给不足而产生之原物料购买需求。原则上非必要紧急状况,我方不向供应商提供相关原物料销售服务。厂商有原物料需求时,必须先向采购员确认库存及销售价格。采购人员在获取相应信息时,必须先行与计划人员确定销售可行性,若可以配合则向厂商报价。厂商必须发注订购单给采购,采购将厂商的订购单转产销部,请产销人员在系统中输入销售订单后,立即生成出货单,在厂商的订购单上标注销售订单号码及出货单号码,请厂商至仓库领料。仓库人员自系统中打印出货单,供我双方签字确认,仓库依据正常销售行为执行系统开票,财务每月29日汇总当月所有销售行为,同意开具发票给供应商。注意:整体流程在系统上执行,必须有如下两条必要条件1、被销售的原物料必须在维护物料的销售视图(维护单位:市场处)2、相关供应商的资料必须维护客户资料(维护单位:市场处)2.流程图第2页共2页编号:时间:2021年x月x日书山有路勤为径,学海无涯苦作舟页码:第2页共2页

1、当您付费下载文档后,您只拥有了使用权限,并不意味着购买了版权,文档只能用于自身使用,不得用于其他商业用途(如 [转卖]进行直接盈利或[编辑后售卖]进行间接盈利)。
2、本站所有内容均由合作方或网友上传,本站不对文档的完整性、权威性及其观点立场正确性做任何保证或承诺!文档内容仅供研究参考,付费前请自行鉴别。
3、如文档内容存在违规,或者侵犯商业秘密、侵犯著作权等,请点击“违规举报”。

碎片内容

原物料销售流程

您可能关注的文档

确认删除?
VIP
微信客服
  • 扫码咨询
会员Q群
  • 会员专属群点击这里加入QQ群
客服邮箱
回到顶部