电脑桌面
添加小米粒文库到电脑桌面
安装后可以在桌面快捷访问

单片机作息时间控制VIP免费

单片机作息时间控制_第1页
1/29
单片机作息时间控制_第2页
2/29
单片机作息时间控制_第3页
3/29
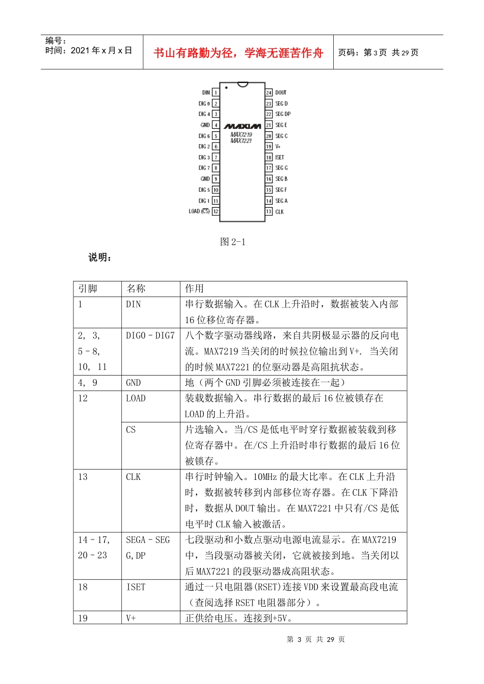
第1页共29页编号:时间:2021年x月x日书山有路勤为径,学海无涯苦作舟页码:第1页共29页第一章绪论1.1课题的提出及意义单片机作息时间控制实现了对时间控制的智能化,摆脱了传统由人来控制时间的长短的不便,实现代学校必不可少的设备。1.2设计的任务及要求1.作息时间能控制电铃2.作息时间能启动和关闭放音机单片机作息时间控制的功能如下:使用4位七段显示器来显示现在的时间。显示格式为“时分”由LED闪动来作秒计数表示具有4个按键来作功能设置,可以设置现在的时间及显示定时设置时间一旦时间到则发出一阵声响,同时继电器启动,可以控制放音机开启和关闭。第二章总体方案设计2.1芯片比较2.1.1单片机选型当今单片机厂商琳琅满目,产品性能各异。常用的单片机有很多种:Intel8051系列、Motorola和M68HC系列、Atmel的AT89系列、台湾Winbond(华邦)W78系列、荷兰Pilips的PCF80C51系列、Microchip公司的PIC系列、Zilog的Z86系列、Atmel的AT90S系列、韩国三星公司的KS57C系列4位单片机、台湾义隆的EM-78系列等。我们最终选用了ATMEL公司的AT89C52单片机。AT89C52是美国ATMEL公司生产的低电压,高性能CMOS8位单片机,片内含8Kbytes的可反复擦写的只读程序存储器(PEROM)和256bytes的随机存取数据存储器(RAM),器件采用ATMEL公司的高密度、非易失性存储技术生产,与标准MCS-51指令系统及8052产品引脚兼容,片内置通用8位中央处理器(CPU)和FLASH存储单元,功能强大AT89C52单片机适用于许多较为复杂控制第2页共29页第1页共29页编号:时间:2021年x月x日书山有路勤为径,学海无涯苦作舟页码:第2页共29页应用场合。2.1.2显示器接口芯片的选择LED显示器接口芯片的选择常用的显示器接口芯片有CD4511,CD4513,MC14499,8279,MAX7219,74HC164等,它们的功能有:1.CPU接受来自键盘的输入数据,并作预处理;2.数据显示的管理和数据显示器的控制。CD4511是BCD锁存,7段译码,驱动器,但在显示6和9时,显示为b和q,不是很好看。CD4513是BCD锁存,7段译码,驱动器(消隐),但现在市面上不好买。MC14499为串行输入BCD码——十进制译码驱动器,用它来构成单片机应用系统的显示器接口,可以大大减少I/O口线的占用数量。但是,由片内震荡器经过四分频的信号,经位译码后只能提供4个位控信号,使信号的采集受到限制;并且,MC19944的价格偏高,也不经济。同样,8279为INTEL公司生产的通用键盘/显示器接口芯片,其内部设有16*8显示数据RAM,若采用8279管理键盘和显示器,可以减少软件程序,从而减轻主机的负担,但我们同时也发现,由于其功能比较强大,不可避免将会使外围设备与操作过程复杂化,同时价格比较贵。对比一下MAX7219和74HC164其占用资源少,且不需复杂的驱动电路。但MAX7219虽然比较好用,且一片能驱动四个数码管,但对于我们设计的系统来说,不需要很多数码管,此外MAX7219相对74HC164的价格也比较贵,所以我们最终选用74HC164,下面对MAX7219作一下介绍。特点:(1)采用3线串行接口传送数据;(2)内部有8字节显示静态RAM和6个特殊功能寄存器,相当于14个字节的RAM单元。它们是可寻址的,即可以有选择的任意写入;(3)只需一个外部电阻即可调节LED的段电流,并且允许程控方式LED通电的占空比而可方便的调节LED显示的亮度,或用于模拟亮度显示;(4)可LED显示器的扫描个数;(5)有不译码和B码两种显示模式,这种选择可做到位控,即各LED显示器可以有不同的显示方式:译码或不译码;(6)含硬件动态扫描显示控制,可设置低功耗方式,可进行图条显示。引脚图(如图2-1)第3页共29页第2页共29页编号:时间:2021年x月x日书山有路勤为径,学海无涯苦作舟页码:第3页共29页图2-1说明:引脚名称作用1DIN串行数据输入。在CLK上升沿时,数据被装入内部16位移位寄存器。2,3,5–8,10,11DIG0–DIG7八个数字驱动器线路,来自共阴极显示器的反向电流。MAX7219当关闭的时候拉位输出到V+.当关闭的时候MAX7221的位驱动器是高阻抗状态。4,9GND地(两个GND引脚必须被连接在一起)12LOAD装载数据输入。串行数据的最后16位被锁存在LOAD的上升沿。CS片选输入。当/CS是低电平时穿行数据被装载到移位寄存器...

1、当您付费下载文档后,您只拥有了使用权限,并不意味着购买了版权,文档只能用于自身使用,不得用于其他商业用途(如 [转卖]进行直接盈利或[编辑后售卖]进行间接盈利)。
2、本站所有内容均由合作方或网友上传,本站不对文档的完整性、权威性及其观点立场正确性做任何保证或承诺!文档内容仅供研究参考,付费前请自行鉴别。
3、如文档内容存在违规,或者侵犯商业秘密、侵犯著作权等,请点击“违规举报”。

碎片内容

单片机作息时间控制

您可能关注的文档

确认删除?
VIP
微信客服
  • 扫码咨询
会员Q群
  • 会员专属群点击这里加入QQ群
客服邮箱
回到顶部