电脑桌面
添加小米粒文库到电脑桌面
安装后可以在桌面快捷访问

变频器在高速公路上的应用VIP免费

变频器在高速公路上的应用_第1页
1/5
变频器在高速公路上的应用_第2页
2/5
变频器在高速公路上的应用_第3页
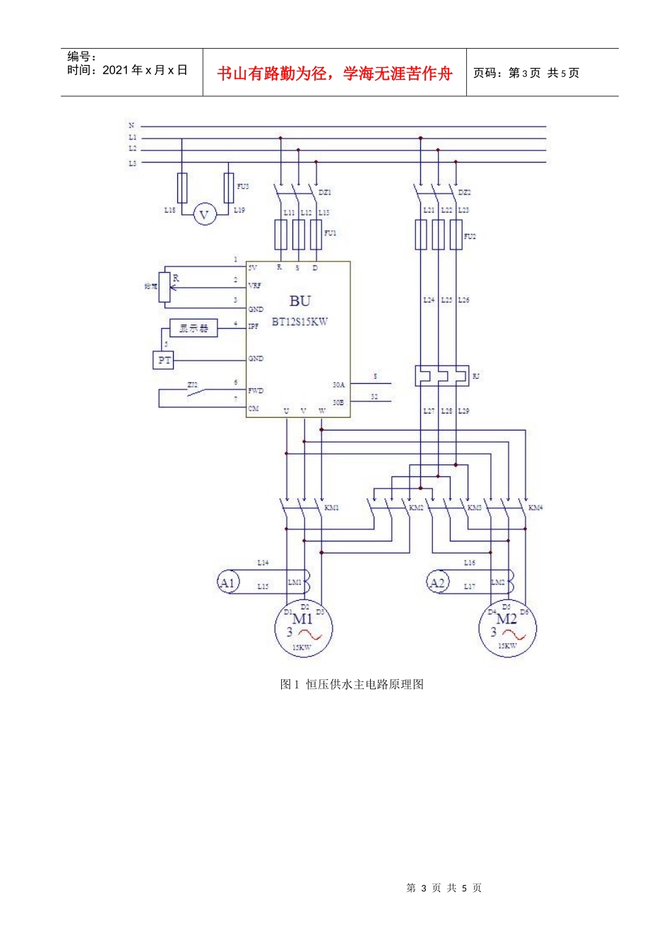
3/5
第1页共5页编号:时间:2021年x月x日书山有路勤为径,学海无涯苦作舟页码:第1页共5页变频器在高速公路上的应用近年来,我国高速公路建设的发展迅速,自1988年建成我国第一条高速公路,到2004年底,我国高速公路通车里程已超过3.4万公里,仅次于美国,继续保持世界第二。高速公路及其他高等级公路的建设,改善了我国公路的技术等级结构,改变了我国公路事业的落后面貌,缩短了我国同发达国家之间的差距,有效地拉动内需,刺激了高速公路附近地区的经济繁荣和发展,高速公路的发展对国民经济产生了越来越重要的影响。在高速公路上,设有很多收费站,每一进、出车道上均有一栏杆机,栏杆机的传动需要变频器驱动。这些收费站大都远离城市,收费站的生活区也不可能由城市自来水供应。一般是就地打一口井,抽地下水满足生活需求,这就需要一套小型的供水系统。高速公路上每间隔50~60公里就有一个服务区,这些服务区也是远离城市,同样需要独立的供水系统。在全国,高速公路收费站、服务区的数量众多,变频恒压供水系统是必然的选择。另外,在较长隧的通风系统中变频器也有应用。二.变频器在栏杆上的应用栏杆机控制高速公路的起、闭。栏杆机由金属机箱(橙黄色)、电机、减速器,变频器、动态平衡器、控制凸轮组、横杆、防砸检测器等组成。-其中控制器由两部分电路组成,一部分控制档车器的横杆运动;另一部分用于处理各种输入输出信号,如防砸处理、119报警处理和等待放行功能等。栏杆机与入口终端机及出口终端机等设备联机,以控制档杆之开启与关闭。档杆长度为3米或以上。档杆可做0~90度间连续运转不会过载,启、闭档杆的时间在5秒以内,每天可操作10000次。栏杆机的供电电压为交流220V,由于高速公路收费站远离城市,供电大多就近取自农网,农网的供电压不稳定,电压的波动达到20%。由此对变频器的要求是:频繁的起动停止﹑快速的加减速﹑适应宽范围波动的电源电压﹑运行平稳﹑栏杆起升﹑下降的位置准确。一般栏杆机安装在野外,收费站的顶棚可遮挡从上面下的雨,但挡不住风大时从侧面吹来的雨水,因此,栏杆都有一个封闭的机箱,用来安装变频器和电器控制系统。变频器装在空间不大的封闭机箱中,在夏季气温较高时不会引起过热跳闸。因为安装位置有限,要求变频器的体积尽量小。希望森兰SB40D系列变频器是高性能的通用变频器、具有较高的启动转矩、设计上运用独有树状散热器,可使机身超小型、生产采用贴片工艺,使机器可靠性大幅度提高、内置PLC功能、IGBT、IPM智能功率模块超静音运行、多路可编程功能输出端子和继电器输出端子、输入电压的变化范围允许在176V~264V之间。在某高速公路收费站用希望森兰SB40D0.75KW变频器控制栏杆机,变频器的设置如下:F02=1运转指令由端子控制,F08=0.7加速时间0.7s,F09=0.7减速时间0.7s,F31=0.1起动持续时间0.1s,其余均按出厂值。栏杆机使用变频器后,由于加减速时间可任意调节,此处设置加减速时间为0.7s,档杆每天操作数百次至上千次,挡杆起降平稳自如;输入电压的变化范围到20%后,没有因电压的波动跳闸,取得了较好的使用效果。三.高速公路服务区和收费站的恒压供水高速公路服务区和收费站中有不少工作人员,有人生活的地方就一定要用水,而服务区和收费站一般离城市较远,不可能依靠城市自来水管网供水,只好就近取水源供水。靠河边的区、站总是少数,因此绝大多数区、站取地下水,如果铁锰含量超标,经暴化处理,再经沉淀,过滤后作为生活用水。在这些区、站中人数不是很多,高峰和低谷的用水量变化非常大,不用变频调速的供水系统会造成电能极大的浪费。因此,最常见的都做成变频恒压供水系统,这样,当用水量较小时,变频器自动降频,水泵电机的转速变慢,电能消耗大幅度下降;深夜无人用水时,还可使变频器进入休眠状态,即变频器停止运行,但仍在监测管网的水压。由于管道的泄漏,当管网的水压低于某一值时,例如,设定值的65%(此值可任第2页共5页第1页共5页编号:时间:2021年x月x日书山有路勤为径,学海无涯苦作舟页码:第2页共5页意设定),变频器重新起动,管网水压又开始上升,到设定值时仍无人用水,过一段时间变频器再次进...

1、当您付费下载文档后,您只拥有了使用权限,并不意味着购买了版权,文档只能用于自身使用,不得用于其他商业用途(如 [转卖]进行直接盈利或[编辑后售卖]进行间接盈利)。
2、本站所有内容均由合作方或网友上传,本站不对文档的完整性、权威性及其观点立场正确性做任何保证或承诺!文档内容仅供研究参考,付费前请自行鉴别。
3、如文档内容存在违规,或者侵犯商业秘密、侵犯著作权等,请点击“违规举报”。

碎片内容

变频器在高速公路上的应用

精品中小学资料+ 关注
实名认证
内容提供者

精品文档

确认删除?
VIP
微信客服
  • 扫码咨询
会员Q群
  • 会员专属群点击这里加入QQ群
客服邮箱
回到顶部