电脑桌面
添加小米粒文库到电脑桌面
安装后可以在桌面快捷访问

施工组织计划(13页)VIP免费

施工组织计划(13页)_第1页
1/12
施工组织计划(13页)_第2页
2/12
施工组织计划(13页)_第3页
3/12
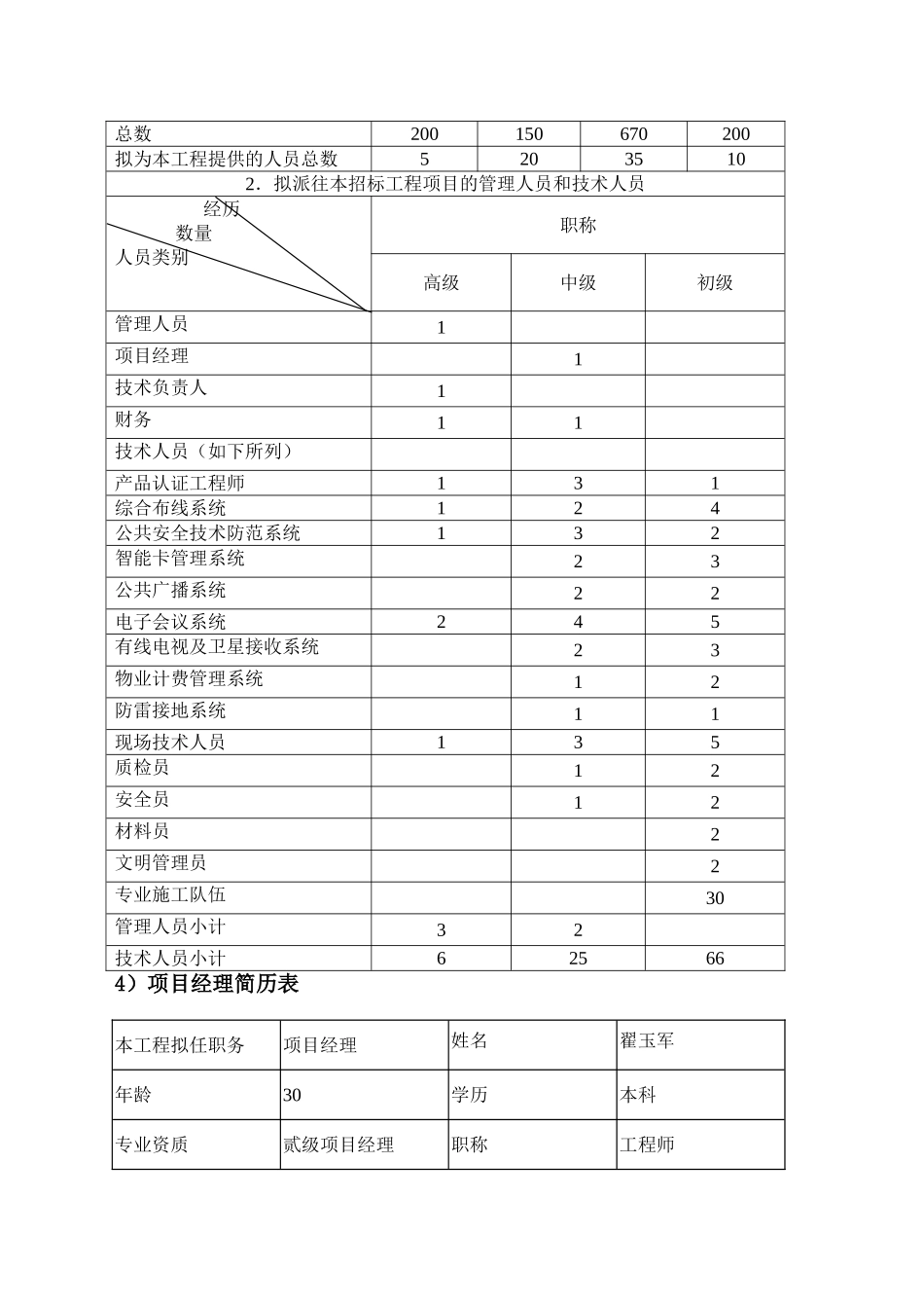
施工组织计划及售后服务承诺1)施工织机机构框图:2)施工组织机构文字详述:总部工程总协调:沙启洪副所长(教授级高工)财务主管:李全德财务处副处长(高级会计师)现场项目经理:翟玉军(二级项目经理)技术总负责人:徐伯遐(教授级高工)项目工程师:5人产品认证工程师:3人现场技术员:10人,质检员:2人安全员:3人,材料员2人:,文明管理员:2人,专业施工队:30人总部与现场管理部门之间的关系详述:工程总协调负责该工程的总体协调、资金保证及后方支持。技术总负责技术总负责人代表我单位对本项目进行全面监督和管理。工程项目经理项目管理人员专业施工队伍项目工程师产品认证工程师现场技术员质检员安全员材料员文明施工管理员技术总负责人财务主管负责工程的成本核算,保证该项目专款专用及资金调度。项目经理全权负责本工程项目的全面管理,包括人员、工期、安全、技术、质量,协调与建设单位、工程监理、土建、安装单位的关系,合理安排月计划和周计划等工作。项目工程师在项目经理的统一管理下,负责子系统或具体工序的技术及施工管理。直接对项目经理负责任。本工程中拟投入具有高、中级技术职称,以及获得各种认证工程师证的多名技术人员作为本工程的项目工程师。其它工程人员质检员每天负责检查施工人员每道工序的施工质量,发现问题及时向相关项目工程师汇报,便于按时完成工作任务及整改工作。安全员负责工地文明施工、安全管理,监督工地上的所有施工人员按照有关安全规程进行施工管理、操作,特别是高空操作等安全防范。材料员负责材料进、出库管理,包括进出材料的具体时间详细型号等;任何进库材料需合格证明(包括质检报告、合格证、数量、型号等)。施工队长工作内容:负责安排施工人员每天的工作,同时参加具体施工,每天向项目工程师汇报施工进展情况等。任职资格:多年实际施工操作经验,有较强的动手能力,具有识图能力及施工队伍管理经验。工人工作内容:参加具体施工。任职资格:有多年弱电施工或建筑安装经验,有本岗位证书,有较强的责任感,吃苦耐劳,团结工友,尊重上级,服从管理。3)公司人员及拟派往本工人员情况表1.公司人员人员类别数量管理人员技术人员工人其他总数200150670200拟为本工程提供的人员总数52035102.拟派往本招标工程项目的管理人员和技术人员经历数量人员类别职称高级中级初级管理人员1项目经理1技术负责人1财务11技术人员(如下所列)产品认证工程师131综合布线系统124公共安全技术防范系统132智能卡管理系统23公共广播系统22电子会议系统245有线电视及卫星接收系统23物业计费管理系统12防雷接地系统11现场技术人员135质检员12安全员12材料员2文明管理员2专业施工队伍30管理人员小计32技术人员小计625664)项目经理简历表本工程拟任职务项目经理姓名翟玉军年龄30学历本科专业资质贰级项目经理职称工程师职务工作年限8年自至参加过的工程项目名称担任何职备注1999年2002年江苏省交通厅电子会议系统项目经理2000年6月2000年8月南通市崇川区法院弱电系统工程项目经理获省优“扬子杯”奖2001年2003年河海大学弱电系统工程项目经理2000年2003年南通师范学院弱电系统项目经理获省优“扬子杯”奖2001年4月2001年6月上海航空公司项目经理2003年7月2003年9月应天学院项目经理2000年2003年南通工学院智能弱电系统项目经理获省优“扬子杯”奖熟悉政府大厦及大学等弱电智能化要求较高行业的设计、施工全过程。身经数十战,管理经验丰富能客观的从业主方和承包方考虑解决处理工程中的各种困难5)项目主要技术人员简历表5)-1本工程拟任职务项目工程师姓名胡勇年龄41学历本科专业资质贰级项目经理职称工程师职务工作年限21年自至参加过的工程项目名称担任何职备注2000年2002年苏州人事局项目经理2000年2001年上海世界金融大厦PDS综合布线工程项目经理2003年6月5日2003年6月15日南通医学院多媒体系统工程项目经理2001年2002年南通纺织学院智能弱电系统工程项目经理2001年4月2001年6月上海航空公司项目副经理2000年4月2001年12月巴基斯坦盖蒂本德尔市政府弱电工程项目工程师2000年2001年南通市崇川区法...

1、当您付费下载文档后,您只拥有了使用权限,并不意味着购买了版权,文档只能用于自身使用,不得用于其他商业用途(如 [转卖]进行直接盈利或[编辑后售卖]进行间接盈利)。
2、本站所有内容均由合作方或网友上传,本站不对文档的完整性、权威性及其观点立场正确性做任何保证或承诺!文档内容仅供研究参考,付费前请自行鉴别。
3、如文档内容存在违规,或者侵犯商业秘密、侵犯著作权等,请点击“违规举报”。

碎片内容

施工组织计划(13页)

您可能关注的文档

确认删除?
VIP
微信客服
  • 扫码咨询
会员Q群
  • 会员专属群点击这里加入QQ群
客服邮箱
回到顶部