电脑桌面
添加小米粒文库到电脑桌面
安装后可以在桌面快捷访问

各种冲压模具结构形式与设计VIP免费

各种冲压模具结构形式与设计_第1页
1/35
各种冲压模具结构形式与设计_第2页
2/35
各种冲压模具结构形式与设计_第3页
3/35
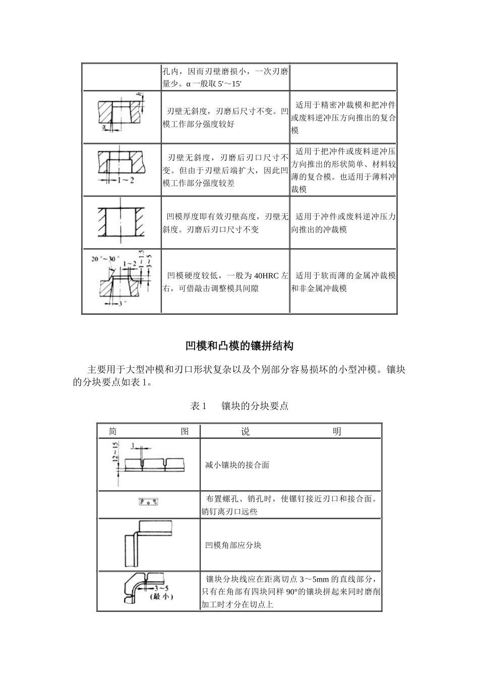
各种冲压模具结构形式与设计普通冲模的结构形式与设计凹模结构尺寸1.凹模厚度H和壁厚C凹模厚度H可按下式计算:式中F——最大冲裁力(N)。但H必须大于10mm,如果冲裁轮廓长度大于51mm,则上式计算值再乘以系数1.1~1.4。凹模壁厚按下式确定:C=(1.5~2)H(mm)2.凹模刃口间最小壁厚一般可参照表1。表1凹模刃口间最小壁厚(mm)冲件材料材料厚度t≤0.50.6~0.8≥1铝、紫铜0.6~0.80.8~1.0(1.0~1.2)t黄铜、低碳钢0.8~1.01.0~1.2(1.2~1.5)t硅钢、磷铜、中碳钢1.2~1.51.5~2.0(2.0~2.5)t常用凸模形式简图特点适用范围典型圆凸模结构。下端为工作部分,中间的圆柱部分用以与固定板配合(安装),最上端的台肩承受向下拉的卸料力冲圆孔凸模,用以冲裁(包括落料、冲孔)直通式凸模,便于线切割加工,如凸模断面足够大,可直接用螺钉固定各种非圆形凸模用以冲裁(包括落料、冲孔)断面细弱的凸模,为了增加强度和刚度,上部放大凸模受力大,而凸模相对来说强度、刚度薄弱凸模一端放长,在冲裁前,先伸入凹模支承,能承受侧向力单面冲压的凸模整体的凸模结构上部断面大,可直接与模座固定单面冲压的凸模凸模工作部分组合式节省贵重的工具钢或硬质合金组合式凸模,工作部分轮廓完整,与基体套接定位圆凸模。节省工作部分的贵重材料冲裁凹模的刃壁形式简图特点适用范围刃壁带有斜度,冲件或废料不易滞留在刃孔内,因而减轻对刃壁的磨损,一次刃磨量较少。刃口尺寸随刃磨变化凹模工作部分强度好α一般取5′~30′适用于冲件为任何形状、各种板厚的冲裁模(但料太薄不宜采用)刃壁带有斜度,漏料畅通,但由于刃壁与漏料孔用台肩过渡,因此凹模工作部分强度较差适用于材料厚度小于3mm的冲裁模凹模厚度即有效刃壁高度。刃壁带有斜度,冲件或废料不易滞留在刃适用于凹模较薄的小型薄料冲裁模孔内,因而刃壁磨损小,一次刃磨量少。α一般取5′~15′刃壁无斜度,刃磨后尺寸不变。凹模工作部分强度较好适用于精密冲裁模和把冲件或废料逆冲压方向推出的复合模刃壁无斜度,刃磨后刃口尺寸不变。但由于刃壁后端扩大,因此凹模工作部分强度较差适用于把冲件或废料逆冲压方向推出的形状简单、材料较薄的复合模。也适用于薄料冲裁模凹模厚度即有效刃壁高度,刃壁无斜度。刃磨后刃口尺寸不变适用于冲件或废料逆冲压力向推出的冲裁模凹模硬度较低,一般为40HRC左右,可借敲击调整模具间隙适用于软而薄的金属冲裁模和非金属冲裁模凹模和凸模的镶拼结构主要用于大型冲模和刃口形状复杂以及个别部分容易损坏的小型冲模。镶块的分块要点如表1。表1镶块的分块要点简图说明减小镶块的接合面布置螺孔、销孔时,使镙钉接近刃口和接合面。销钉离刃口远些凹模角部应分块镶块分块线应在距离切点3~5mm的直线部分,只有在角部有四块同样90°的镶块拼起来同时磨削加工时才分在切点上凸模镶块和凹模镶块的分块线不应重合镶块分块要便于调整间隙对于中、小型镶拼模,镶块的固定可采用框套螺钉固定法,圆形镶拼模可采用框套热压法。对于大中型镶块的分段固定法如表2。表2大、中型镶块的分段固定法结构简图特点适用于冲裁料厚<1.5mm适用于冲裁料厚为1.5~2mm适用于冲裁料厚>2.5mm常见的凸模固定形式结构简图特点凸模与固定板紧配合,上端带台肩,以防拉下。圆凸模大多用此种形式固定直通式凸模,上端开孔,插入圆销以承受卸料力用于断面不变的直通式凸模,端部回火后铆开凸模与固定板配合部分断面较大,可用螺钉紧固用环氧树脂浇注固定上模座横向开槽,与凸模紧配合,用于允许纵向稍有移动的凸模凸模以内孔螺纹直接紧固于压力机,用于中小型双动压力机用螺钉和圆销固定的凸模拼块,也可用于中型或大型的整体凸模负荷较轻的快换凸模,冲件厚度不超过3mm冲裁模的结构形式与设计落料模落料模是沿封闭的轮廓将制件或工序件与板料分离的冲模。图1所示为冲制锁垫的落料模。该模具有导柱、导套导向,因而凸、凹模的定位精度及工作时的导向性都较好。导套内孔与导柱的配合要求为H6/h5。凸模断面细弱,为了增加强度和刚度,凸模上部放大。凸模与固定板紧配合,上端带台肩,以防拉下。凹模刃壁带有斜度,冲件不易滞留在刃孔内...

1、当您付费下载文档后,您只拥有了使用权限,并不意味着购买了版权,文档只能用于自身使用,不得用于其他商业用途(如 [转卖]进行直接盈利或[编辑后售卖]进行间接盈利)。
2、本站所有内容均由合作方或网友上传,本站不对文档的完整性、权威性及其观点立场正确性做任何保证或承诺!文档内容仅供研究参考,付费前请自行鉴别。
3、如文档内容存在违规,或者侵犯商业秘密、侵犯著作权等,请点击“违规举报”。

碎片内容

各种冲压模具结构形式与设计

确认删除?
VIP
微信客服
  • 扫码咨询
会员Q群
  • 会员专属群点击这里加入QQ群
客服邮箱
回到顶部