电脑桌面
添加小米粒文库到电脑桌面
安装后可以在桌面快捷访问

国家高技术研究发展计划(1)VIP免费

国家高技术研究发展计划(1)_第1页
1/22
国家高技术研究发展计划(1)_第2页
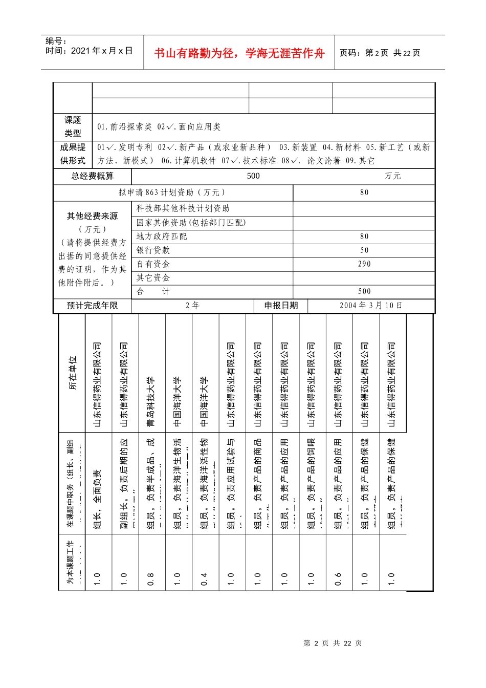
2/22
国家高技术研究发展计划(1)_第3页
3/22
课题类型:前沿探索研究类(A)□申请编号:面向应用研究类(B)√国家高技术研究发展计划(863计划)课题申请书领域名称:资源与环境技术主题(重大专项)名称:海洋生物技术所属专题名称:海洋生物制品的研究与开发(B类)课题名称:甲壳废弃物在动物营养与保健领域的综合应用研究申请人:范金石依托单位:山东信得药业有限公司通讯地址:山东省诸城市棉织街7号邮编:262200联系电话:(0536)8781136传真:(0536)6128098电子邮箱:chemfan@sina.com中华人民共和国科学技术部二ΟΟ四年三月十日填写要求一、请严格按表中要求填写各项。二、对于第一部分中的选择栏目,请选择与课题最接近的一项,并采用在第1页共22页编号:时间:2021年x月x日书山有路勤为径,学海无涯苦作舟页码:第1页共22页所选项编号上划勾的方式确定。三、申请书文本中外文名词第一次出现时,要写清全称和缩写,再出现同一词时可以使用缩写。四、申请书文本采用A4幅面纸,可以自行以同样幅面纸复制,填写内容需打印填入,对于篇幅不够的栏目可自行加页;申请书请用普通订书订装订,不要加装其他封面。五、承诺为课题提供配套经费和其他支撑条件的课题依托单位所属部门、地方科技主管部门及有关单位,应提供加盖公章的有关承诺证明,作为本申请的其他附件附后。六、表中单位性质、所在地区和所属部门代码请查阅863计划网站(http://www.863.org.cn):《863计划课题信息有关代码对照表》。一、基本信息课题申请人情况姓名范金石性别01√.男02.女出生年月1969,12文化程度01√研究生02大本03大专04大专以下职称01√高级职称02中级职称03初级职称04无职称联系电话0536-8781136E-mailchemfan@sina.com依托单位情况名称山东信得药业有限公司通讯地址山东省诸城市棉织街7号邮编262200单位性质有限责任公司代码BG参加单位总数3所在地区(省、自治区、直辖市、计划单列市)山东省代码370000所属部门(国务院各部、委、局及其机构)山东省科技厅代码740其它主要联合申请单位单位名称参加形式1.合作2.协作单位性质(同上)中国海洋大学协作大专院校青岛科技大学协作大专院校第2页共22页第1页共22页编号:时间:2021年x月x日书山有路勤为径,学海无涯苦作舟页码:第2页共22页课题类型01.前沿探索类02√.面向应用类成果提供形式01√.发明专利02√.新产品(或农业新品种)03.新装置04.新材料05.新工艺(或新方法、新模式)06.计算机软件07√.技术标准08√.论文论著09.其它总经费概算500万元拟申请863计划资助(万元)80其他经费来源(万元)(请将提供经费方出据的同意提供经费的证明,作为其他附件附后。)科技部其他科技计划资助国家其他资助(包括部门匹配)地方政府匹配80银行贷款50自有资金290其它资金合计500预计完成年限2年申报日期2004年3月10日所在单位山东信得药业有限公司山东信得药业有限公司青岛科技大学中国海洋大学中国海洋大学山东信得药业有限公司山东信得药业有限公司山东信得药业有限公司山东信得药业有限公司山东信得药业有限公司山东信得药业有限公司山东信得药业有限公司在课题中职务(组长、副组长或成员)及分担的任务组长,全面负责副组长,负责后期的应用试验工作组员,负责半成品、成品的分析测试工作组员,负责海洋生物活性物质的提取分离工作组员,负责海洋活性物质的作用机理研究组员,负责应用试验与推广组员,负责产品的商品化工作组员,负责产品的应用试验工作组员,负责产品的饲喂试验工作组员,负责产品的应用试验工作组员,负责产品的保健疗效研究组员,负责产品的保健疗效研究为本课题工作时间(人年)1.01.00.81.00.41.01.01.01.00.61.01.0第3页共22页第2页共22页编号:时间:2021年x月x日书山有路勤为径,学海无涯苦作舟页码:第3页共22页合计:10.8人年专业海洋化学畜牧兽医海洋化学海洋生物海洋药物畜牧兽医畜牧兽医畜牧兽医动物营养畜牧兽医预防兽医学动物医学职务/职称副总经理/博士技术部经理/高级兽医师副教授教授博导高级兽医师高级兽医师高级兽医师硕士高级兽医师硕士学士出生年月1969,121962,101969,41963,71961,51967,21961,41964,101976,71962,101978,41981,8性别男男女女男...

1、当您付费下载文档后,您只拥有了使用权限,并不意味着购买了版权,文档只能用于自身使用,不得用于其他商业用途(如 [转卖]进行直接盈利或[编辑后售卖]进行间接盈利)。
2、本站所有内容均由合作方或网友上传,本站不对文档的完整性、权威性及其观点立场正确性做任何保证或承诺!文档内容仅供研究参考,付费前请自行鉴别。
3、如文档内容存在违规,或者侵犯商业秘密、侵犯著作权等,请点击“违规举报”。

碎片内容

国家高技术研究发展计划(1)

确认删除?
VIP
微信客服
  • 扫码咨询
会员Q群
  • 会员专属群点击这里加入QQ群
客服邮箱
回到顶部