电脑桌面
添加小米粒文库到电脑桌面
安装后可以在桌面快捷访问

某广场综合楼和住宅楼工程监理规划VIP免费

某广场综合楼和住宅楼工程监理规划_第1页
1/32
某广场综合楼和住宅楼工程监理规划_第2页
2/32
某广场综合楼和住宅楼工程监理规划_第3页
3/32
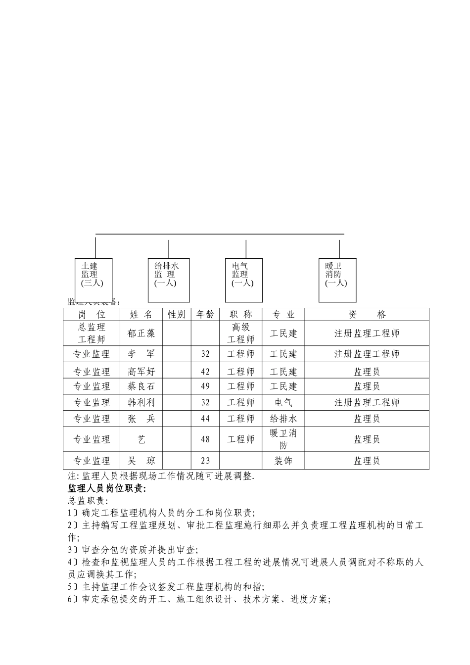
B12B12振兴时代广场综合楼和住宅楼工程监理规划监理规划2011年4月6日至2012年12月25日内容提要:工程概况监理工作范围、目的和根据监理组织机构、岗位职责、人员装备及进退场方案监理工作内容、和措施监理工作制度和工作程序监理设施履行监理平安责任监理〔章〕:总监理工程师:技术负责人:日:2011-4-4江苏建立监制一、工程工程概况1、工程工程名称:连云港振兴时代广场综合楼和住宅楼工程2、工程工程地点:连云港新浦区朝路与瀛州路交汇处3、工程工程规模:本工程为一类高层综合楼耐火等级为一级建筑.耐久年限为50年。裙房局部为框架构造.高层局部为框架剪力墙构造.抗震设防七度第三组综合楼:建筑面积37084.68平方米其中地下室:7492.88平方米。综合楼:地下一层车库地上24层主体总高度:96.80米。住宅楼:建筑面积9753.02平方米地下车库一层底层为商业及物用房。住宅楼:共17层建筑高度55.20米采用桩根底工程:PHC-500〔120〕AB-C80-14,14桩单桩承载力特征值2200KN.桩顶标高-6.95米共60根;PHC-500(100)A-C80-13,13桩桩顶标高-6.95单桩承载力1950KN共280根;PHC-400〔90〕A-C80-13,13桩桩顶标高—6.45米单桩承载力特征值1450KN共356根;PHC-400-(90)A-C80-13,13桩桩顶标高—6.15米,单桩承载力特征值1450KN共194根;4、总建筑面积:46837.7m25、工程额:43980814.45元6、工程工要求:方案开工日:2011年4月6日到2012年12月25日7、工程工程建立:连云港振兴房地产开发8、工程施工:连云港振兴建筑安装工程二、监理工作范围、目的和根据〔一〕工作范围:工程设计和业主与承包人签订工程工程的合同规定的全部施工内容包括业主因工程需要同意增加的工程变更内容的监理。即本工程在桩基、土建、水电、暖卫、消防节能保温强弱电等专业范围内施工阶段的平安质量、进度、、平安的全过程控制包括工程建立合同的理和协助施工过程中各有关的关系。〔二〕监理目的:“三控制一一协调〞1.建安总43980814.45元2.工目的:2011年4月6日开工,总工625天。.3.质量等级:合格。〔三〕监理根据:1、委托监理合同;2、业主与第三方签订的正式合同、协议及附件;3、设计、图纸及说明;4、合同工程量及说明;5、合同指定使用的图纸、技术、工程质量检验评定、试验规程等;6、、江苏或连云港公布的监理法律法规;三、监理组织机构、人员装备及岗位职责监理组织机构:针对本工程的专业特点和监理范围的要求我将按直线制形式组建如下适应本工程的现场监理班子并将根据工程的进展情况进展适当的补充和调整。总监监理人员装备:岗位姓名性别年龄职称专业资格总监理工程师郁正藻高级工程师工民建注册监理工程师专业监理李军32工程师工民建注册监理工程师专业监理高军好42工程师工民建监理员专业监理蔡良石49工程师工民建监理员专业监理韩利利32工程师电气注册监理工程师专业监理张兵44工程师给排水监理员专业监理艺48工程师暖卫消防监理员专业监理吴琼23装饰监理员注:监理人员根据现场工作情况随可进展调整.监理人员岗位职责:总监职责:1〕确定工程监理机构人员的分工和岗位职责;2〕主持编写工程监理规划、审批工程监理施行细那么并负责理工程监理机构的日常工作;3〕审查分包的资质并提出审查;4〕检查和监视监理人员的工作根据工程工程的进展情况可进展人员调配对不称职的人员应调换其工作;5〕主持监理工作会议签发工程监理机构的和指;6〕审定承包提交的开工、施工组织设计、技术方案、进度方案;土建监理(三人)给排水监理(一人)电气监理(一人)暖卫消防(一人)7〕审核签署承包的申请、支付证书和开工结算;8〕审查和处理工程变更;9〕主持和参与工程质量事故的调查;10〕调解建立与承包的合同争议、处理索赔、审批工程延;11〕组织编写并签发监理月报、监理工作阶段、专题和工程监理工作总结;12〕审核签认分部工程和〔子〕工程的质量验收情况审核承包的开工申请组织监理人员对待验收的工程工程进展质量检查参与工程工程的开工验收;13〕主持整理工程工程的监理资料。专业监理工程师职责:1〕负责编制本专业的监理施行细那么;2〕负责本专业监理工作的详细施行;3〕组织、指导、检查和监视本专业监理员的...

1、当您付费下载文档后,您只拥有了使用权限,并不意味着购买了版权,文档只能用于自身使用,不得用于其他商业用途(如 [转卖]进行直接盈利或[编辑后售卖]进行间接盈利)。
2、本站所有内容均由合作方或网友上传,本站不对文档的完整性、权威性及其观点立场正确性做任何保证或承诺!文档内容仅供研究参考,付费前请自行鉴别。
3、如文档内容存在违规,或者侵犯商业秘密、侵犯著作权等,请点击“违规举报”。

碎片内容

某广场综合楼和住宅楼工程监理规划

您可能关注的文档

确认删除?
VIP
微信客服
  • 扫码咨询
会员Q群
  • 会员专属群点击这里加入QQ群
客服邮箱
回到顶部