电脑桌面
添加小米粒文库到电脑桌面
安装后可以在桌面快捷访问

地暖施工组织设计(21页)VIP免费

地暖施工组织设计(21页)_第1页
1/18
地暖施工组织设计(21页)_第2页
2/18
地暖施工组织设计(21页)_第3页
3/18
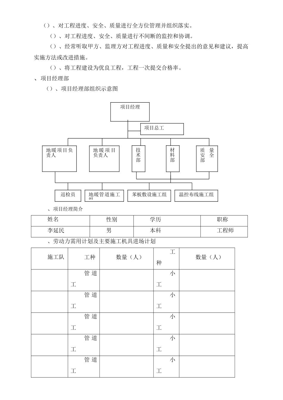
施工组织技术方案施工单位:年月日第一章编制依据与说明(一)编制依据、室内低温热水地辐射采暖项目建筑平面图和管路系统图、室内低温热水地辐射采暖项目采购文件、行业标准《地面辐射供暖技术规程》、国家标准《建筑给排水采暖施工质量验收规范》、国家标准《采暖通风及空气调节设计规范》、国家标准《冷热水用耐热聚乙烯()管道系统》、国家标准《冷热水用耐热聚乙烯()管道系统》、国家标准《冷热水用耐热聚乙烯()管道系统》、冷暖设备有限公司低温热水地板辐射供暖应用技术规程(试行)、根据甲方、土建总包单位所提供的应具备地板采暖施工条件的情况、根据与甲方或土建总包单位工程商洽文件。(二)编制说明、在全面施工前的准备阶段,经现场实地考察后,需要与甲方监理、土建总包单位协商并签署与本工程相关的工程洽商文件。、为确保施工进度,在经监理验收合格,土建总包单位已提供相应具备低温地板采暖施工条件下。第二章工程概况及施工要求(一)工程概况青特·花溪地项目低温地板热水辐射采暖工程建筑面积约万平方米。(二)工程特点工程采用室内铺设发泡聚苯乙烯板为隔热层的,分水器采用金牛智能分集水器,施工过程中不宜于其它施工作业同时交叉作业,对有可能发生的交叉作业,要求与相关专业共同协商,确定合理的配合方案。地板辐射采暖工程要求同土建总包单位紧密配合,加强合作,以确保工程质量和进度。(三)绝热层厚度发泡聚苯乙烯板和砂浆填充层总厚度为㎝,其中发泡聚苯乙烯板厚度为㎝,填充层(砂浆)㎝。第三章施工组织方案及说明(一)项目经理部、成立项目领导小组为保证工程进度、质量安全落到实处,协调重大问题的处理,特成立领导小组。项目领导小组:组长领导小组成员:领导小组职责:()、对工程进度、安全、质量进行全方位管理并组织落实。()、对工程进度、安全、质量进行不间断的监控和协调。()、经常听取甲方、监理方对工程进度、质量和安全提出的意见和建议,提高实施方法或改进措施。()、将工程建设为优良工程,工程一次提交合格率。、项目经理部()、项目经理部组织示意图、项目经理简介姓名性别学历职称李延民男本科工程师、劳动力需用计划及主要施工机具进场计划施工队工种数量(人)工种数量(人)管道工小工管道工小工管道工小工管道工小工管道工小工项目经理项目总工技术部材料部地暖管道施工组地暖项目负责人地暖项目负责人质量安全部苯板敷设施工组巡检员温控布线施工组管道工小工管道工小工管道工小工合计管道工小工各队自备机具:序号名称单位数量进场计划电动套丝机台开工时同时进场,竣工后一次撤出。切割机台开工时同时进场,竣工后一次撤出。试压机台开工时同时进场,竣工后一次撤出。电锤台开工时同时进场,竣工后一次撤出。水钻台开工时同时进场,竣工后一次撤出。(二)施工组织说明、按照施工组织总面积,建立施工现场管理体系。由项目经理统筹安排、协调各楼项目经理负责人工作。项目总工对工程技术进行整体控制。各楼层的项目负责人主抓本楼的全面工作,包括施工进度、质量、安全和技术。施工队长直接负责施工现场。各管理人员做好项目配合工作。要求所有成员各负其责,认真配合,认真履行管理制度。各施工组实行定额考核,严格执行奖惩制度。、按项目大小确定组织机构。在项目比较大的情况下,各楼项目负责人可增设材料员、技术员和安全质量员。在项目小时可由技术部、材料部、质量安全部直接管理。轻质发泡水泥施工组和地暖管道施工人力组织,按施工面积和进度要求设置。、地暖材料库用场地用地见下表第四章施工准备工作(一)、土建总包单位的施工准备工作、对地板辐射采暖工程施工图组织有关工种进行会审、技术交底,以便于双方协作施工。、由甲方协调土建总包单位提供地暖施工用电、用水、临时用地、施工材料垂直运输等相关配合。、提供地暖施工所要求的作业面,其内容如下:清理地面落地灰,要求室内地板采暖以下基层的平整度确保高低差在㎜以内。预留室内墙体各部位线以便于地板采暖安装标高控制。为满足室内面层标达到设计与施工规范要求,为确保地暖施工质量符合设计与施工规范要求,室内地板采暖以下...

1、当您付费下载文档后,您只拥有了使用权限,并不意味着购买了版权,文档只能用于自身使用,不得用于其他商业用途(如 [转卖]进行直接盈利或[编辑后售卖]进行间接盈利)。
2、本站所有内容均由合作方或网友上传,本站不对文档的完整性、权威性及其观点立场正确性做任何保证或承诺!文档内容仅供研究参考,付费前请自行鉴别。
3、如文档内容存在违规,或者侵犯商业秘密、侵犯著作权等,请点击“违规举报”。

碎片内容

地暖施工组织设计(21页)

确认删除?
VIP
微信客服
  • 扫码咨询
会员Q群
  • 会员专属群点击这里加入QQ群
客服邮箱
回到顶部