电脑桌面
添加小米粒文库到电脑桌面
安装后可以在桌面快捷访问

国外电信资费的实证研究VIP免费

国外电信资费的实证研究_第1页
1/15
国外电信资费的实证研究_第2页
2/15
国外电信资费的实证研究_第3页
3/15
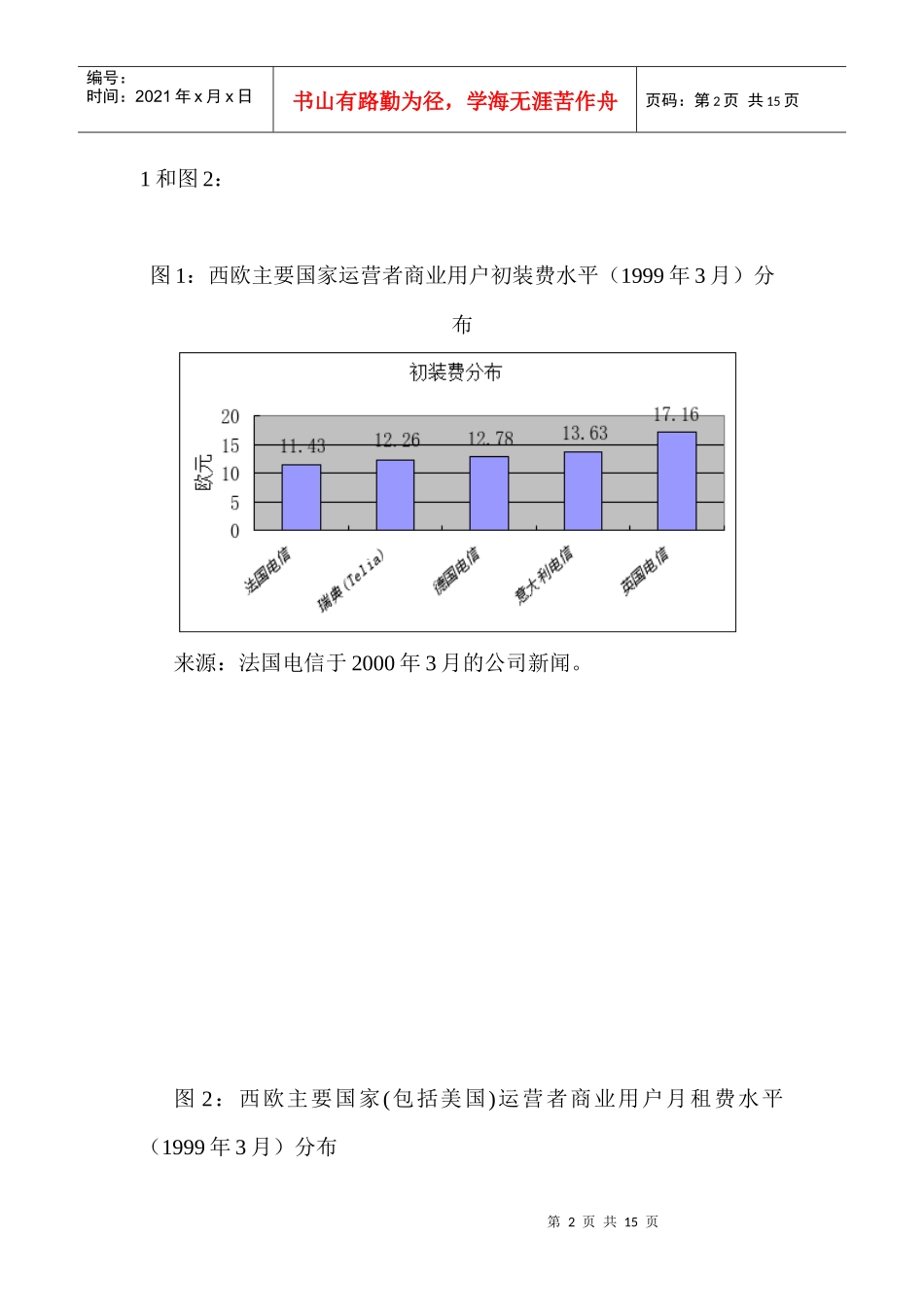
第1页共15页编号:时间:2021年x月x日书山有路勤为径,学海无涯苦作舟页码:第1页共15页国外电信资费的实证分析众所周知,电信业属于国民生活基础设施范畴,是人们日常生活不可或缺的一部分,在人类步入信息社会后更是如此。因而,有关电信业务资费一直是人们乐意和普遍关注的话题,资费水平、结构,甚至计费方式上稍有“风吹草动”,便会引起“轩然大波”。这不,尽管我国最近对电信业务资费的调整方案已经出台了较长时间,但至今仍有用户、专家、消费组织等利益各方对它提出质疑。我国电信资费最近调整的特点是降低总体资费水平,调整资费结构和计费单元。典型的是,将长途业务(包括国际和国内)资费的计费单元从1分钟调整到了6秒钟;本地业务资费按首次3分钟和以后按分钟计费;等等。那么,这次对电信业务资费的调整是否符合国际惯例?下面不妨对西欧,乃至OECD组织成员国电信资费进行实证分析,以期对电信资费感到困惑的人能有所裨益。电信资费一般由三部分构成电信业务的资费结构一般包括三个组成部分;初装费(入网费)月租费和通话费,这是国外许多国家,包括我国的一贯做法。当然,不同国家在不同部分的实际水平差异较大。以初装费、月租费为例,西欧主要国家的初装费(或安装费)和月租费水平差异明显,见图第2页共15页第1页共15页编号:时间:2021年x月x日书山有路勤为径,学海无涯苦作舟页码:第2页共15页1和图2:图1:西欧主要国家运营者商业用户初装费水平(1999年3月)分布来源:法国电信于2000年3月的公司新闻。图2:西欧主要国家(包括美国)运营者商业用户月租费水平(1999年3月)分布第3页共15页第2页共15页编号:时间:2021年x月x日书山有路勤为径,学海无涯苦作舟页码:第3页共15页来源:法国电信于2000年3月的公司新闻。通话费的计费方式千变万化应该说,资费水平和计费方式的复杂性主要体现在通话费上。·根据计费对象不同(包括上述的初装费和月租费),分为商业用户和住宅用户,商业用户的资费水平一般要高于住宅用户。·根据计费时段不同,分为峰值资费和非峰值资费,而且峰值与非峰值时段的划分不尽相同。如法国电信的峰值时段为工作日的8:00-19:00,而德国电信本地业务的峰值时段为工作日的9:00-18:00、长途业务的峰值时段为工作日的7:00-18:00。此外,法国电信对于中小型企业用户的资费,峰值时段还包括每周六的8:00-12:00。综合峰值时段的不同划分,我们不难发现,所谓峰值资费是指人们在工作期间享用的电信业务资费,其水平当然要高于非峰值第4页共15页第3页共15页编号:时间:2021年x月x日书山有路勤为径,学海无涯苦作舟页码:第4页共15页资费,因为运营者设定非峰值资费的目的是刺激用户在休息(包括周末和公众节假日等)时段也多使用电信业务。以国际资费为例,见表1。表1:西欧典型国家运营者国际电信资费(商业用户)情况单位:法郎/分钟目的国法国电信英国电信德国电信意大利电信西班牙的Telefonica德国峰值1.362.53-2.292.59非峰值1.202.15-2.012.39英国峰值1.36-2.082.292.59非峰值1.20-2.082.012.39日本峰值3.355.376.245.747.04非峰值2.984.566.245.166.45美国峰值1.451.882.412.293.18非峰值1.331.792.082.012.86注:1欧元约等于6.56法郎。第5页共15页第4页共15页编号:时间:2021年x月x日书山有路勤为径,学海无涯苦作舟页码:第5页共15页来源:法国电信于2000年3月的公司新闻。·呼叫建立费。一般地,本地呼叫建立费与国内长途呼叫建立费相同,如意大利、瑞典、荷兰和丹麦的主导电信公司均实行了呼叫建立费,而且两者相同,详见表2。表2;西欧一些国家运营者呼叫建立费分布单位:欧元/call运营者意大利电信瑞典(Telia)荷兰电信丹麦电信长途和本地呼叫建立费0.0650.0360.0380.013来源:法国电信于2000年3月的公司新闻。不过,有些国家的本地业务没有呼叫建立费,只是长途业务实行了呼叫建立费,象西班牙Telefonica长途业务呼叫建立费为0.089欧元/call,本地业务没有呼叫建立费。·计费单元差异显著。如已实行呼叫建立费的,无论是长途业务,还是本地业务,一般都按分钟计费,如表3。表3;西欧一些国家运营者(实行呼叫建立费)计费单...

1、当您付费下载文档后,您只拥有了使用权限,并不意味着购买了版权,文档只能用于自身使用,不得用于其他商业用途(如 [转卖]进行直接盈利或[编辑后售卖]进行间接盈利)。
2、本站所有内容均由合作方或网友上传,本站不对文档的完整性、权威性及其观点立场正确性做任何保证或承诺!文档内容仅供研究参考,付费前请自行鉴别。
3、如文档内容存在违规,或者侵犯商业秘密、侵犯著作权等,请点击“违规举报”。

碎片内容

国外电信资费的实证研究

确认删除?
VIP
微信客服
  • 扫码咨询
会员Q群
  • 会员专属群点击这里加入QQ群
客服邮箱
回到顶部