电脑桌面
添加小米粒文库到电脑桌面
安装后可以在桌面快捷访问

地下厂房工程施工总结(doc62)(1)VIP专享VIP免费

地下厂房工程施工总结(doc62)(1)_第1页
1/63
地下厂房工程施工总结(doc62)(1)_第2页
2/63
地下厂房工程施工总结(doc62)(1)_第3页
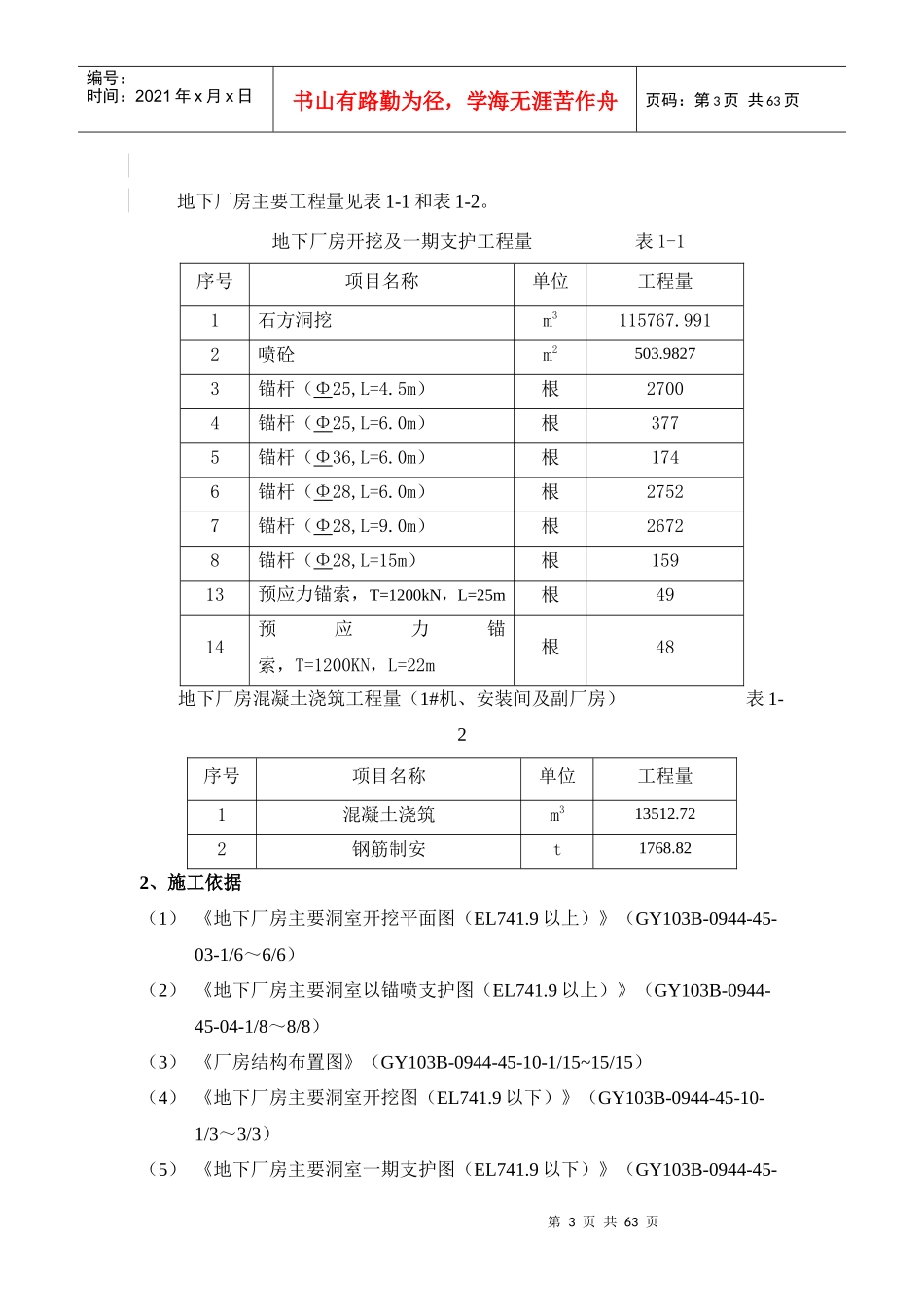
3/63
第2页共63页编号:时间:2021年x月x日书山有路勤为径,学海无涯苦作舟页码:第2页共63页地下厂房工程施工总结1、工程概述地下厂房布置在大坝下游右岸山体内,主厂房开挖尺寸为135.5m×24m×58.405m(长×宽×高),分为安装间、主机间、副厂房,安装间位于主厂房左侧,副厂房位于主厂房右侧。地下厂房在引水发电系统中位置如下图。。第3页共63页第2页共63页编号:时间:2021年x月x日书山有路勤为径,学海无涯苦作舟页码:第3页共63页地下厂房主要工程量见表1-1和表1-2。地下厂房开挖及一期支护工程量表1-1序号项目名称单位工程量1石方洞挖m3115767.9912喷砼m2503.98273锚杆(Φ25,L=4.5m)根27004锚杆(Φ25,L=6.0m)根3775锚杆(Φ36,L=6.0m)根1746锚杆(Φ28,L=6.0m)根27527锚杆(Φ28,L=9.0m)根26728锚杆(Φ28,L=15m)根15913预应力锚索,T=1200kN,L=25m根4914预应力锚索,T=1200KN,L=22m根48地下厂房混凝土浇筑工程量(1#机、安装间及副厂房)表1-2序号项目名称单位工程量1混凝土浇筑m313512.722钢筋制安t1768.822、施工依据(1)《地下厂房主要洞室开挖平面图(EL741.9以上)》(GY103B-0944-45-03-1/6~6/6)(2)《地下厂房主要洞室以锚喷支护图(EL741.9以上)》(GY103B-0944-45-04-1/8~8/8)(3)《厂房结构布置图》(GY103B-0944-45-10-1/15~15/15)(4)《地下厂房主要洞室开挖图(EL741.9以下)》(GY103B-0944-45-10-1/3~3/3)(5)《地下厂房主要洞室一期支护图(EL741.9以下)》(GY103B-0944-45-第4页共63页第3页共63页编号:时间:2021年x月x日书山有路勤为径,学海无涯苦作舟页码:第4页共63页11-1/3~3/3)(6)《地下厂房吊车梁及钢筋图》(GY103B-0944-45-12-1/3~3/3)(7)《跨厂变交通洞简支吊车梁及立柱钢筋图》(GY103B-0944-45-1/3~3/3)(8)《地下厂房下游边墙锚索处理图(锚索结构图)》(GY103B-0944-45-14-1/4~4/4)(9)《地下厂房岩锚吊车梁轨道一期预埋件布置图》(GY103B-0944-45-14-1/1)(10)《安装间及以下各层结构图(▽766.10~▽754.6m)》(GY103B-0944-45-22-1/4~4/4)(11)《▽741.9m至蜗壳安装层结构钢筋图》(GY103B-0944-45-25-1/11~11/11)(12)《地下厂房集水井结构集水井结构及钢筋图》(GY103B-0944-45-25-1/7~7/7)(13)《锥管、肘管外包混凝土结构及钢筋图》(GY103B-0944-45-27-1/8~8/8)(14)《主厂房3#、4#、18#、19#楼梯结构布置及钢筋图(▽742.9~▽756.6)》(GY103B-0944-45-27-1/4~4/4)(15)《副厂房结构钢筋图》(GY103B-0944-45-30-1/10~10/10)(16)《水轮机层结构布置图》(GY103B-0944-45-31-1/4~4/4)(17)《水轮机层钢筋图》(GY103B-0944-45-31-1/14~14/14)(18)《蜗壳外包混凝土钢筋图》(GY103B-0944-45-32-1/10~10/10)(19)《座环支墩和蜗壳支墩结构及钢筋图》(GY103B-0944-45-33-1/3~3/3)(20)《安装间及以下各层钢筋(▽766.10~754.6▽)》(GY103B-0944-45-34-1/10~10/10)(21)《厂内排水系统布置图》(GY103B-0944-45-35)(22)《集水井泵房层进人孔及检修排水廊道吊物孔、进人孔钢盖板和埋件图》(GY103B-0944-45-37)第5页共63页第4页共63页编号:时间:2021年x月x日书山有路勤为径,学海无涯苦作舟页码:第5页共63页(23)《发电机层至水轮机层1#、2#楼梯结构及钢筋图(▽756.60~766.10▽)》(GY103B-0944-45-39-1/2~2/2)(24)《机墩结构及钢筋图》(GY103B-0944-45-40-1/5~5/5)(25)《副厂房楼梯配筋图(12#、15#及上桥机楼梯)》(GY103B-0944-45-44)(26)《主子房柱子1#机侧墙(▽756.55~▽766.05)结构钢筋图》(GY103B-0944-45-49-1/2~2/2)3、设计变更及修改(1)根据《关于地下洞室群渗水处理通知》((2002年)SFY/C4-厂-第008号)在喷混凝土之前在厂房顶拱的排水孔内安装软式排水管Φ50伸入排水孔内30cm,紧贴岩壁,主厂顶拱引至边墙高程778.10m处。(2)根据《关于调整母线洞、进风洞、进风竖井、主变交通洞、副厂房及安装间安装高程以下部分开挖断面的通知》((2002年)SFY/C4-厂-第010号)对安装高程以下部分开挖断面进行了修改。(3)根据...

1、当您付费下载文档后,您只拥有了使用权限,并不意味着购买了版权,文档只能用于自身使用,不得用于其他商业用途(如 [转卖]进行直接盈利或[编辑后售卖]进行间接盈利)。
2、本站所有内容均由合作方或网友上传,本站不对文档的完整性、权威性及其观点立场正确性做任何保证或承诺!文档内容仅供研究参考,付费前请自行鉴别。
3、如文档内容存在违规,或者侵犯商业秘密、侵犯著作权等,请点击“违规举报”。

碎片内容

地下厂房工程施工总结(doc62)(1)

确认删除?
VIP
微信客服
  • 扫码咨询
会员Q群
  • 会员专属群点击这里加入QQ群
客服邮箱
回到顶部