电脑桌面
添加小米粒文库到电脑桌面
安装后可以在桌面快捷访问

液压件厂房模板工程技术交底VIP免费

液压件厂房模板工程技术交底_第1页
1/12
液压件厂房模板工程技术交底_第2页
2/12
液压件厂房模板工程技术交底_第3页
3/12
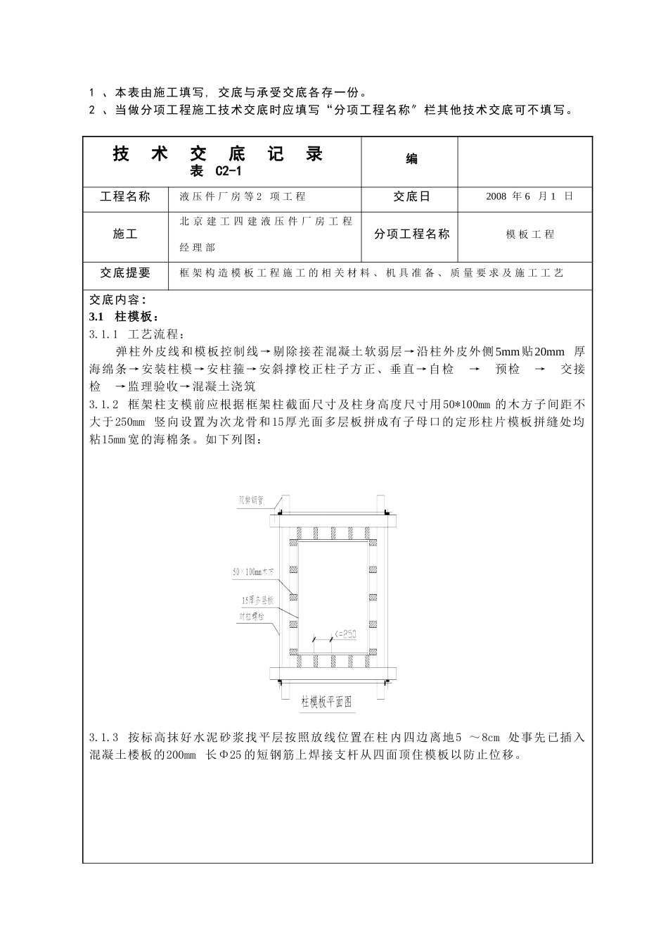
技术交底记录表C2-1编工程名称液压件厂房等2项工程交底日2008年6月1日施工北京建工四建液压件厂房工程经理部分项工程名称模板工程交底提要框架构造模板工程施工的相关材料、机具准备、质量要求及施工工艺交底内容:一、作业条件:1.1根据图纸尺寸提早加工出柱子的定型木模、梁底模、梁梆模及梁柱接头处定型木模板。1.2配置的模板应进展编分类码放。1.3楼层的轴线、柱身线、柱模板的30cm控制线、建筑+50cm标高线已弹好。1.4施工缝处理完毕且合格。1.5钢筋绑扎完毕水电预埋、箱盒、预埋件、预留洞模板安装完毕检查保护层厚度已满足要求办完隐蔽工程验收手续。1.6为防止柱模板下口跑浆安装模板前对楼板混凝土严格找平。尤其对柱根部200mm范围内仔细找平用2m靠尺检查。在柱外皮线外5mm粘贴20mm海绵条。1.7模板清理、修整完毕并涂刷脱模剂。1.8顶板模板支设前将操作面上的杂物清理干净。1.9首层地面回填土已经回填夯实完毕符合压实要求。二、施工准备:2.1人员准备:后台加工:4人、模板清理:4人、信工:1人、安装10人、其它3人。2.2材料准备2.2.1柱子:15mm厚光面多层板、50×100mm木方、Ø48×3.5mm钢、Ø16对拉螺栓等。2.2.2梁、顶板:15mm厚多层板、碗扣件式立杆、1.2m程度拉杆、U托、50×100mm木方、100×100mm木方、钢、卡、木楔等。2.2.3清理材料:铲子、滚子、拖布、开、扫帚、梯子、小桶、棉丝、油刷。2.2.4其它材料:脱模剂、海棉条、封边红漆、胶带纸、钉子、铅丝、白线等。2.3机具准备电锯一台、手提式电锯1台、手锯、电钻1台、平刨1台、电刨1台、手提电闸箱、强力吹风机1台、吸尘器、斧子、扳手、锤子、撬棍、线坠、靠尺板、方尺、铁程度、盒尺等。2.4技术准备2.4.1操作人员熟悉在施部位的图纸、变更、洽商及有关施工要求。2.4.2认真学习本工程制定的施工方案及技术交底。三、工艺措施及做法:审核人交底人承受交底人1、本表由施工填写,交底与承受交底各存一份。2、当做分项工程施工技术交底时应填写“分项工程名称〞栏其他技术交底可不填写。技术交底记录表C2-1编工程名称液压件厂房等2项工程交底日2008年6月1日施工北京建工四建液压件厂房工程经理部分项工程名称模板工程交底提要框架构造模板工程施工的相关材料、机具准备、质量要求及施工工艺交底内容:3.1柱模板:3.1.1工艺流程:弹柱外皮线和模板控制线→剔除接茬混凝土软弱层→沿柱外皮外侧5mm贴20mm厚海绵条→安装柱模→安柱箍→安斜撑校正柱子方正、垂直→自检→预检→交接检→监理验收→混凝土浇筑3.1.2框架柱支模前应根据框架柱截面尺寸及柱身高度尺寸用50*100mm的木方子间距不大于250mm竖向设置为次龙骨和15厚光面多层板拼成有子母口的定形柱片模板拼缝处均粘15mm宽的海棉条。如下列图:3.1.3按标高抹好水泥砂浆找平层按照放线位置在柱内四边离地5~8cm处事先已插入混凝土楼板的200mm长Φ25的短钢筋上焊接支杆从四面顶住模板以防止位移。审核人交底人承受交底人1、本表由施工填写,交底与承受交底各存一份。2、当做分项工程施工技术交底时应填写“分项工程名称〞栏其他技术交底可不填写。技术交底记录表C2-1编工程名称液压件厂房等2项工程交底日2008年6月1日施工北京建工四建液压件厂房工程经理部分项工程名称模板工程交底提要框架构造模板工程施工的相关材料、机具准备、质量要求及施工工艺交底内容:3.1.4安装柱模板、柱箍:柱模板底口粘贴30*30的海棉条柱箍Ø48×3.5mm双排钢在竖直方向起步200mm封头300mm左右中间不大于每600mm设一道Φ16对拉螺栓双螺母固定。支柱模时宜采取多排多根柱子加固调直先安装两端柱经校正、固定、拉通线校正中间各柱。纵横两个方向均挂通线找直校正用斜支杆加固、固定。〔如下列图〕3.1.5安装柱模的斜撑:柱模每边设2道斜撑固定于事先预埋在楼板内的钢筋地锚上用于校正、固定柱模板。〔如上图〕3.1.6将柱模内清理干净封闭清理口柱模预检。3.2顶板模板:3.2.1工艺流程:铺50*100木方垫板→搭设碗扣件立杆、程度杆→安装上托→铺100mm×100mm木方子主龙骨→铺50mm×100mm木方子次龙骨→跨度≥4m时起拱→铺15mm厚多层板→清理板面→自检→预检→交接检→绑扎顶板钢筋→预留洞→监理验...

1、当您付费下载文档后,您只拥有了使用权限,并不意味着购买了版权,文档只能用于自身使用,不得用于其他商业用途(如 [转卖]进行直接盈利或[编辑后售卖]进行间接盈利)。
2、本站所有内容均由合作方或网友上传,本站不对文档的完整性、权威性及其观点立场正确性做任何保证或承诺!文档内容仅供研究参考,付费前请自行鉴别。
3、如文档内容存在违规,或者侵犯商业秘密、侵犯著作权等,请点击“违规举报”。

碎片内容

液压件厂房模板工程技术交底

您可能关注的文档

确认删除?
VIP
微信客服
  • 扫码咨询
会员Q群
  • 会员专属群点击这里加入QQ群
客服邮箱
回到顶部