电脑桌面
添加小米粒文库到电脑桌面
安装后可以在桌面快捷访问

室内铸铁排水管道安装VIP免费

室内铸铁排水管道安装_第1页
1/4
室内铸铁排水管道安装_第2页
2/4
室内铸铁排水管道安装_第3页
3/4
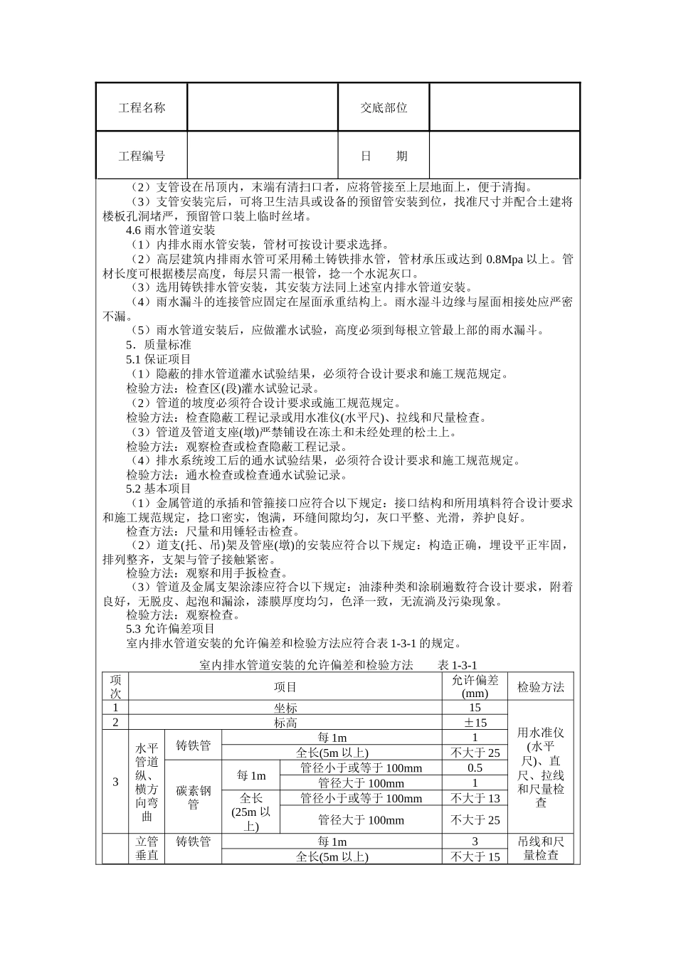
工程名称交底部位工程编号日期交底内容:室内铸铁排水管道安装本章适用于民用及一般工业建筑的室内铸铁排水管道安装。1.材料要求1.1铸铁排水管及管件规格品种应符合设计要求。灰口铸铁的管壁薄厚均匀,内外光滑整洁,无浮砂、包砂、粘砂,更不允许有砂眼、裂纹、飞剌和疙瘩。承插口的内外径及管件造型规矩,法兰接口平正光洁严密,地漏和返水弯的扣距必须一致,不得有偏扣、乱扣、方扣、丝扣不全等现象。1.2镀锌碳素钢管及管件管壁内外镀锌均匀,无锈蚀,内壁无飞剌,管件偏扣、乱扣、方扣、丝扣不全,角度不准等现象。1.3青麻、油麻要整齐,不允许有腐朽现象。沥青漆、防锈漆、调和漆和银粉必须有出厂合格证。1.4水泥一般采用325号水泥,必须有出厂合格证或复试证明。1.5其它材料:汽油、机油、胶皮布、电气焊条、型钢、螺栓、螺母、铅丝等。2.主要机具2.1机具:套丝机、电焊机、台钻、冲击钻、电锤、砂轮机等。2.2工具:套丝板、手锤、大锤、手锯、断管器、錾子、捻凿、麻钎、压力案、台虎钳、管钳、小车等。2.3其它:水平尺、线坠、钢卷尺、小线等。3.作业条件3.1地下排水管道的铺设必须在基础墙达到或接近±0标高,房心土回填到管底或稍高的高度,房心内沿管线位置无堆积物,且管道穿过建筑基础处,已按设计要求预留好管洞。3.2设备层内排水管道的敷设,应在设备层内模板拆除清理后。3.3楼层内排水管道的安装,应与结构施工隔开一至二层,且管道穿越结构部位的孔洞等均已预留完毕,室内模板或杂物清除后,室内弹出房间尺寸线及准确的水平线。4.操作工艺工艺流程:→污水干管安装→安装准备→管道预制→雨水干管安装→→污水立管安装→污水支管安装→闭水试验→雨水立管安装→雨水支管安装4.1安装准备:根据设计图纸及技术交流,检查、核对预留孔洞大小尺寸是否正确,将管道坐标、标高位置画线定位。工程名称交底部位工程编号日期4.2管道预制(1)为减少在安装中捻固定灰口,对部分管材与管件可预先按测绘的草图捻好灰口,并编号,码放在平坦的场地,管段下面用木方垫平垫实。(2)捻好灰口的预制管段,对灰口要进行保护,一般可采用湿麻绳缠绕灰口浇水养护,保持湿润。冬季要采取防冻措施,一般常温24—48小时后方能移动,运到现场安装。4.3污水干管安装(1)管道铺设安装:A在挖好的管沟或房心土回填到管底标高处铺设管道时,应将预制好的管段按照承口朝向来水方向,由出水口处向室内顺序排列。挖好捻灰口用工作坑,将预制好的管段徐徐放入管沟内,封闭堵严总出水口,做好临时支撑,按施工图纸的坐标、标高找好位置和坡度,以及各预留口的方向和中心线,将管段承插口相连。B在管沟内捻灰口前,先将管道调直、找正,用麻钎或薄捻凿将承插口缝隙找均匀,把麻打实,校直、校正,管道两侧用土培好,以防捻灰口时管道移位。C将水灰比为1:9的水泥捻口灰拌好后,装在灰盘内放在承插口下部,人跨在管道上,一手填灰,一手用捻凿捣实,先填下部,由下而上,边填边捣实,填满后用手锤打实,再填再打,将灰口打满打平为止。D捻好的灰口,用湿麻绳缠好养护或回填湿润细土掩盖养护。E管道铺设捻好灰口后,再将立管及首层卫生洁具的排水预留管口,按室内地平线、坐标位置及轴线找好尺寸,接至规定高度,将预留管口装上临时丝堵。F按照施工图对铺设好的管道坐标、标高及预留管口尺寸进行自检,确认准确无误后即可从预留管口处灌水做闭水试验,水满后观察水位不下降,各接口及管道无渗漏,经有关人员进行检查,并填写隐蔽工程验收记录,办理隐蔽工程验收手续。G管道系统经隐蔽验收合格后,临时封堵各预留管口,配合土建填堵孔、洞,按规定回填土。(2)托、吊管道安装A安装在管道设备层内的铸铁排水干管可根据设计要求做托、吊或砌砖墩架设。B安装托、吊干管要先搭设架子,将托架按设计坡度栽好或栽好吊卡,量准吊棍尺寸,将预制好的管道托、吊牢固,并将立管预留口位置及首层卫生洁具的排水预留管口,按室内地平线、坐标位置及轴线找好尺寸,接至规定高度,将预留管口装上临时丝堵。C托、吊排水干管在吊顶内者,需做闭水试验,按隐蔽工程项目办理隐检手续。4.4污水立管安装(1)根据施工...

1、当您付费下载文档后,您只拥有了使用权限,并不意味着购买了版权,文档只能用于自身使用,不得用于其他商业用途(如 [转卖]进行直接盈利或[编辑后售卖]进行间接盈利)。
2、本站所有内容均由合作方或网友上传,本站不对文档的完整性、权威性及其观点立场正确性做任何保证或承诺!文档内容仅供研究参考,付费前请自行鉴别。
3、如文档内容存在违规,或者侵犯商业秘密、侵犯著作权等,请点击“违规举报”。

碎片内容

室内铸铁排水管道安装

您可能关注的文档

确认删除?
VIP
微信客服
  • 扫码咨询
会员Q群
  • 会员专属群点击这里加入QQ群
客服邮箱
回到顶部