电脑桌面
添加小米粒文库到电脑桌面
安装后可以在桌面快捷访问

宾馆工程悬挑脚手架工程专项方案VIP免费

宾馆工程悬挑脚手架工程专项方案_第1页
1/7
宾馆工程悬挑脚手架工程专项方案_第2页
2/7
宾馆工程悬挑脚手架工程专项方案_第3页
3/7
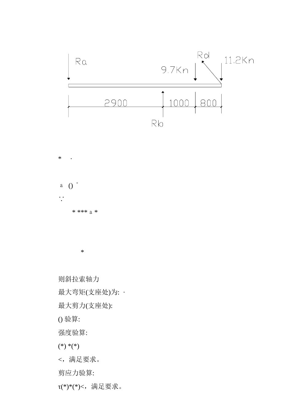
悬挑脚手架工程专项方案一、工程概况××××宾馆改造工程,位于××××。本工程建筑面积约7560M2,为框架七层。建筑物相当于黄海工程米,建筑等级为二级,耐火等级为二级,建筑场地为Ⅳ类,设计合理使用年限为年。建筑总高为33.5m,室内外高差为600mm。本工程采用扣件式双排钢管脚手架,钢管采用外径48mm,壁厚3.5mm的钢管。根据本工程设计形状和结构特点,靠近老建筑的部分,因施工的需要,选择钢挑架支撑的施工外脚手架,因其安全、经济、实用且适用于本工程,从而达到使用方便、缩短工期、安全经济的目的,钢挑梁布置在层,其他部位采用落地式脚手架。二、钢挑架设计本工程主楼高23m,层高3.3m,共层。在满足使用和安全要求的前提下,考虑美观采用上拉式悬挑脚手架,用以承受外脚手架的自重和施工荷载。在本工程中,采用一段悬挑钢梁,设置在三层的框架梁上,先在框架梁处预埋铁件,将槽钢与预埋件固定牢固。上部脚手架采用扣件式双排钢管脚手架,立杆横距0.80m,纵距1.5m,里立杆离墙面距离1.00m,小横杆外端伸出大横杆外的距离为0.1m,大横杆间距0.4m,两端需设置剪力撑,剪刀撑按四步四跨设置。每隔两层设置一道连墙杆,水平距离6m,即每根立杆设一道。挑梁按照立杆分布间距设置1.5m,挑梁采用[,上拉杆采用钢缆。(一)、设计计算、荷载计算:由规范查得:钢管重量为,脚手板自重,施工荷载取,扣件自重个,安全网自重。按最大纵距1.5m计算。()脚手架自重产生的轴力:内立杆×(×)××外立杆()脚手架附件(脚手板、栏杆、踢脚杆、安全网等)产生的轴力:内立杆×(×)×××外立杆:×(×)×××*****()脚手架施工荷载标准值产生的轴力(考虑层):内立杆×××外立杆×××()作用在挑梁上的集中荷载:内立杆内×()××()×外立杆外×()×、挑梁验算(按拉弯构件计算)(1)截面性质:[,12.74cm,10kg,198.3cm,3.94cm,39.7cm,(2)受力计算:*·а()°∵****а**则斜拉索轴力最大弯矩(支座处)为:·最大剪力(支座处):()验算:强度验算:(*)*(*)<,满足要求。剪应力验算:τ(*)*(*)<,满足要求。、上拉索计算轴力查表采用钢缆。绳卡计算(螺栓直径9.5mm):选用组。拉环计算:选用钢筋拉环梁内预埋,××>焊缝长度:≥×(×××)73.6mm,取100mm、预埋件计算:(1)预埋件直接浇入梁的砼,一边深入砼25cm以上。(2)预埋件埋入板或梁时,应与板或梁的受力钢筋焊接,焊接长度大于10cm。、脚手架钢缆吊着的梁的配筋验算选取最小梁作为验算。三层结构梁*(最小梁),梁跨度为:3.9m,梁断面为×,配筋下层,砼等级为,钢筋为级钢筋,为安全起见取强度,603.3mm。楼板重(按单向板计算)××梁自重:××板面活载×∴均布荷载为×()×加给梁的集中荷载为*а跨中最大弯矩:()**()下排受拉钢筋验算(梁上部受压,上排受压钢筋不验算):α(α××)×(×××)γ×(√*α)故`(γ××)×(××)<603.3mm能保证结构安全、上拉式悬挑脚手架立杆稳定验算(****)·查得Ψ=λ=(∴Ψ)(*)*>∴立杆满足要求。、连墙件计算(采用步跨,竖向间距为3.6m,水平间距为3m)***(*)个∴扣件要采用三个重叠。(或是增加抱柱子的连墙件)说明图库网址联系:电话:

1、当您付费下载文档后,您只拥有了使用权限,并不意味着购买了版权,文档只能用于自身使用,不得用于其他商业用途(如 [转卖]进行直接盈利或[编辑后售卖]进行间接盈利)。
2、本站所有内容均由合作方或网友上传,本站不对文档的完整性、权威性及其观点立场正确性做任何保证或承诺!文档内容仅供研究参考,付费前请自行鉴别。
3、如文档内容存在违规,或者侵犯商业秘密、侵犯著作权等,请点击“违规举报”。

碎片内容

宾馆工程悬挑脚手架工程专项方案

确认删除?
VIP
微信客服
  • 扫码咨询
会员Q群
  • 会员专属群点击这里加入QQ群
客服邮箱
回到顶部