电脑桌面
添加小米粒文库到电脑桌面
安装后可以在桌面快捷访问

室内排水管道安装VIP专享VIP免费

室内排水管道安装_第1页
1/13
室内排水管道安装_第2页
2/13
室内排水管道安装_第3页
3/13
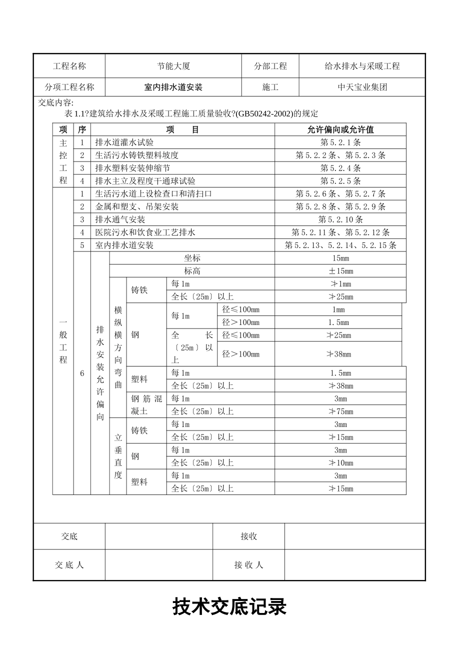
技术交底记录2021年10月15日施表5工程名称节能大厦分部工程给水排水与采暖工程分项工程名称室内排水道安装施工中天宝业集团交底内容:一、施工准备(一)作业条件UPVC埋设道应开挖沟槽沟槽要平直必须有坡度沟底夯实。地下铸铁排水道的铺设必须在根底到达或接近±O.OO标高房心回填到底或稍高的高度房心内沿线位置无堆积物且线穿过建筑根底处己按设计要求预留洞。暗装道(包括设备层、竖井、吊顶内的道)首先应核对各种道的标高、坐标的排列有无矛盾。预留孔洞、预埋件巳完成。土建支模巳撤除操作场地清理干净安装高度超过3.5m应搭脚手并做好平安防护。室内明装道要与构造进度相隔二层的条件下进展安装。室内地平线应弹好粗装修抹灰工程已完成。安装场地无障碍物。(二)材料要求1.硬质聚氯乙烯(UPVC)材、件、支架、粘接剂应是材厂家配套。道规格尺寸应与卫生洁具连接适宜并有质量合格证、相关检验及说明书。材内外表层应光滑无气泡、裂纹壁厚度均匀色泽一致。直段挠度不大于1。件造型应规矩、光滑无毛刺。承口应有梢度并与插口配套。码放时地面要平假如上架应多设几个支点防止子变形。冬季防止冻坏夏季防止太晒。用到的其他材料有:粘接剂、型钢、圆钢、卡件、螺栓、螺母、肥皂、铅笔等。2.铸铁排水道及件品种、规格应符合设计要求。灰口铸铁的壁应厚度均匀内外光滑整洁无浮砂、包砂、粘砂更不允许有砂眼、裂纹、飞刺和疙瘩。承插口的内外径及件造型规矩法兰接口平正光洁严地漏和返水弯的扣距必须一致不得有偏扣、乱扣、方扣、丝扣不全等现象。青麻、油麻要整齐不允许有腐朽现象。沥青漆、防锈漆、调和漆和银粉必须有合格证。水泥一般采用强度等级P.O32.5的普通水泥必须有合格证、出厂检测及进场复验。用到的其他材料有:汽油、机油、胶皮布、电气、焊条、型钢、螺栓、螺母、铅丝等。3.不得使用限制使用和淘汰落后的建材。4.主要设备、器具应有安装使用说明书。(三)主要机具1、UPVC道。机具:手电钻、冲击钻、手锯、铣口器、钢刮板、活扳手、手锤、套丝扳等。其他:程度尺、线坠、钢卷尺、小线、毛刷、棉布等。交底接收交底人接收人技术交底记录2021年10月15日施表5工程名称节能大厦分部工程给水排水与采暖工程分项工程名称室内排水道安装施工中天宝业集团交底内容:2、铸铁道。机具:套丝机、电焊机、台钻、冲击钻、电锤、砂轮机等。工具:套丝扳、手锤、大锤、手锯、断器、凿子、捻凿、麻钎、压力案、台虎钳、钳、小车等。其他:程度尺、线坠、钢卷尺、小线等。二、质量要求质量要求符合?建筑给水排水及采暖工程施工质量验收?(GB50242-2002)(见表1.1)的规定。三、工艺流程安装准备→预制加工→干安装→立安装→支安装→卡件固定→封口堵洞→灌水试验→满水排泄试验→通球试验四、操作工艺(一)安装准备认真熟悉图纸参看土建构造图、装饰装修图、有关设备专业图核对各种道的坐标标高是否有穿插道排列所占空间是否合理有问题及时与设计和有关人员研究解决变更洽商记录。根据设计图纸检查、核对预留孔洞大小是否正确将道坐标、标高位置画线定位。(二)预制加工1、UPVC预制加工。根据图纸要求并结合实际情况按预留口位置测量尺寸绘制加工草图。根据草图量好道尺寸进展断。断口要平齐用铣或刮除掉断口内外飞刺外棱铣出15°角。粘接前应对承插口先插入试验不得全部插入一般为承口的3/4深度。试插合格后用棉布将承插口需粘接部分的水分、灰尘擦拭干净。如有油污需用丙酮除掉。用毛刷涂抹粘接剂先涂抹承口后涂抹插口随即用力垂直插入插入粘接时将插口稍作转动以利粘接剂分布均匀约30s至lmin即可粘接结实。结实后立即将溢处的粘接剂擦拭干净。多口粘接时应注意预留口方向。粘接剂易挥发使用后应随时封盖冬季施工进展粘接时凝固时间为2~3min。粘接场所应通风良好远离明火。交底接收交底人接收人技术交底记录2021年10月15日施表5工程名称节能大厦分部工程给水排水与采暖工程分项工程名称室内排水道安装施工中天宝业集团交底内容:表1.1?建筑给水排水及采暖工程施工质量验收?(GB50242-2002)的规定项序项目允许偏向或允许值主控工程1排水道灌水试验第5.2.1条2生活污水铸铁塑料坡度第5.2.2条、第...

1、当您付费下载文档后,您只拥有了使用权限,并不意味着购买了版权,文档只能用于自身使用,不得用于其他商业用途(如 [转卖]进行直接盈利或[编辑后售卖]进行间接盈利)。
2、本站所有内容均由合作方或网友上传,本站不对文档的完整性、权威性及其观点立场正确性做任何保证或承诺!文档内容仅供研究参考,付费前请自行鉴别。
3、如文档内容存在违规,或者侵犯商业秘密、侵犯著作权等,请点击“违规举报”。

碎片内容

室内排水管道安装

确认删除?
VIP
微信客服
  • 扫码咨询
会员Q群
  • 会员专属群点击这里加入QQ群
客服邮箱
回到顶部