电脑桌面
添加小米粒文库到电脑桌面
安装后可以在桌面快捷访问

数字电子技术基础VIP免费

数字电子技术基础_第1页
1/14
数字电子技术基础_第2页
2/14
数字电子技术基础_第3页
3/14
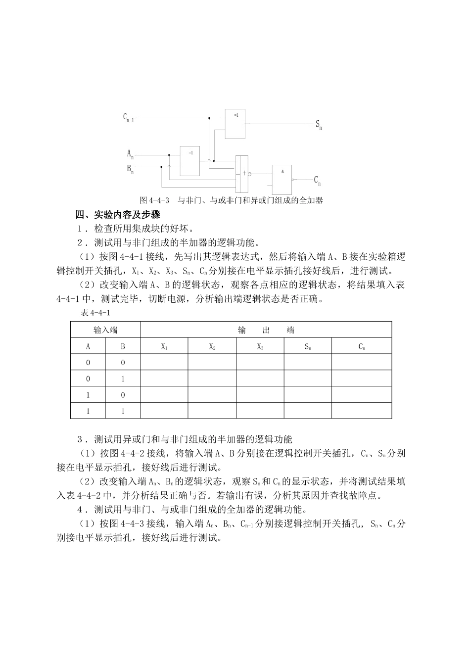
实验二组合逻辑电路分析与测试一、实验目的1.掌握组合逻辑电路的分析方法。2.验证半加器和全加器电路的逻辑功能。3.了解两个二进制数求和运算的规律。4.学会数字电子线路故障检测的一般方法。二、实验原理1.分析逻辑电路的方法:根据逻辑电路图---写出逻辑表达式---化简逻辑表达式(公式法、卡诺图法)---画出逻辑真值表---分析得出逻辑电路解决的实际问题(逻辑功能)。2.实验线路(1)用与非门组成的半加器,如图4-4-1所示。图4-4-1与非门组成的半加器(2)用异或门组成的半加器,如图4-4-2所示。。图4-4-2异或门组成的半加器(3)用与非门、与或非门和异或门组成的全加器,如图4-4-3所示:3.集成块管脚排列图见附录三、实验仪器及器材1.数字实验箱2.集成块74LS003.集成块74LS544.集成块74LS865.万用表6.+5V直流电源图4-4-3与非门、与或非门和异或门组成的全加器四、实验内容及步骤1.检查所用集成块的好坏。2.测试用与非门组成的半加器的逻辑功能。(1)按图4-4-1接线,先写出其逻辑表达式,然后将输入端A、B接在实验箱逻辑控制开关插孔,X1、X2、X3、Sn、Cn分别接在电平显示插孔接好线后,进行测试。(2)改变输入端A、B的逻辑状态,观察各点相应的逻辑状态,将结果填入表4-4-1中,测试完毕,切断电源,分析输出端逻辑状态是否正确。表4-4-13.测试用异或门和与非门组成的半加器的逻辑功能(1)按图4-4-2接线,将输入端A、B分别接在逻辑控制开关插孔,Cn、Sn分别接在电平显示插孔,接好线后进行测试。(2)改变输入端An、Bn的逻辑状态,观察Sn和Cn的显示状态,并将测试结果填入表4-4-2中,并分析结果正确与否。若输出有误,分析其原因并查找故障点。4.测试用与非门、与或非门组成的全加器的逻辑功能。(1)按图4-4-3接线,输入端An、Bn、Cn-1分别接逻辑控制开关插孔,Sn、Cn分别接电平显示插孔,接好线后进行测试。输入端输出端ABX1X2X3SnCn00011011表4-4-2(2)改变An、Bn、Cn-1的输入状态,观察输出Sn和Cn相应的逻辑状态,将观察结果填入表4-4-3中。切断电源后,分析结果正确与否,若输出有误,分析其原因并查找故障点。表4-4-3五、实验注意事项1.实验接线前首先验证用到的与或非、异或、与非门的逻辑功能,检查集成块是否完好。2.与或非、异或、与非门中,当某一组输入端不用时,应按规定处理。六、实验报告要求1.分析逻辑电路图,说明逻辑电路的功能。2.对逻辑电路的功能进行实验测试,并记录测试结果。3.分析组合电路实验的体会。输入端被加数A0011加数B0101输出端半加和Sn进位Cn输入端被加数An01010101加数Bn00110011低位进位Cn-100001111输出全加和Sn进位Cn实验三组合逻辑电路的设计与测试一、实验目的1.掌握组合逻辑电路的设计与测试方法。2.进一步提高归纳逻辑问题的能力。二、实验原理1.使用中、小规模集成电路来设计组合电路是最常见的逻辑电路设计方法。设计组合电路的一般步骤如图4-5-1所示。图4-5-1组合逻辑电路设计流程图根据设计任务的要求建立输入、输出变量,并列出真值表。然后用逻辑代数或卡诺图化简法求出简化的逻辑表达式。并按实际选用逻辑门的类型修改逻辑表达式。根据简化后的逻辑表达式,画出逻辑图,用标准器件构成逻辑电路。最后,用实验来验证设计的正确性。2.组合逻辑电路设计举例用“与非”门设计一个表决电路。当四个输入端中有三个或四个为“1”时,输出端才为“1”。设计步骤:根据题意列出真值表如表4-5-1所示,再填入卡诺图表4-5-2中。表4-5-1D0000000011111111A0000111100001111B0011001100110011C0101010101010101Z0000000100010111表4-5-2DABC000111100001111111101由卡诺图得出逻辑表达式,并演化成“与非”的形式。Z=ABC+BCD+ACD+ABD=ABC⋅BCD⋅ACD⋅ABC根据逻辑表达式画出用“与非门”构成的逻辑电路如图4-5-2所示。图4-5-2表决电路逻辑图用实验验证逻辑功能在实验装置适当位置选定三个14P插座,按照集成块定位标记插好集成块CC4012。按图4-5-2接线,输入端A、B、C、D接至逻辑开关输出插口,输出端Z接逻辑电平显示输入插口,按真值表(自拟)要求,逐次改变输入变量,测量相应的输出值,验...

1、当您付费下载文档后,您只拥有了使用权限,并不意味着购买了版权,文档只能用于自身使用,不得用于其他商业用途(如 [转卖]进行直接盈利或[编辑后售卖]进行间接盈利)。
2、本站所有内容均由合作方或网友上传,本站不对文档的完整性、权威性及其观点立场正确性做任何保证或承诺!文档内容仅供研究参考,付费前请自行鉴别。
3、如文档内容存在违规,或者侵犯商业秘密、侵犯著作权等,请点击“违规举报”。

碎片内容

数字电子技术基础

您可能关注的文档

确认删除?
VIP
微信客服
  • 扫码咨询
会员Q群
  • 会员专属群点击这里加入QQ群
客服邮箱
回到顶部