电脑桌面
添加小米粒文库到电脑桌面
安装后可以在桌面快捷访问

大系统雨水泵站基坑支护施工组织设计413VIP免费

大系统雨水泵站基坑支护施工组织设计413_第1页
1/45
大系统雨水泵站基坑支护施工组织设计413_第2页
2/45
大系统雨水泵站基坑支护施工组织设计413_第3页
3/45
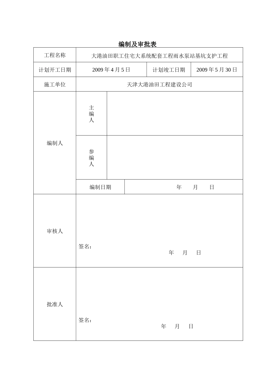
编制及审批表工程名称大港油田职工住宅大系统配套工程雨水泵站基坑支护工程计划开工日期2009年4月5日计划竣工日期2009年5月30日施工单位天津大港油田工程建设公司编制人主编人参编人编制日期年月日审核人签名:年月日批准人签名:年月日大港油田职工住宅大系统配套工程雨水泵站基坑支护工程施工组织设计编制:王小东审核:邵雪莉批准:赵树华大港油建建筑工程分公司2009年3月29日1目录第一章编制依据第二章工程概况第三章施工总体部署第四章SMW工法施工方案第五章井点降水施工方案第六章圈梁、支撑施工及拆除方案第七章质量保证措施第八章安全生产保证措施第九章确保文明施工措施第十章劳动力组织安排第十一章施工进度计划2第一章编制依据第一章编制依据11、编制依据、编制依据1.1设计文件1.1.1《大港油田职工住宅大系统配套工程雨水泵站基坑维护设计施工图》(天津市地质工程勘察院岩土工程设计研究所)1.2施工技术标准、规范、规定1.2.1《建筑地基与基础工程及验收规范》(GBJ50202-2002)1.2.2《基础处理技术规范》(DBJ08-40-94)1.2.3《建筑桩基技术规范》(DGJ08-236-1999)1.2.4《焊接H型钢》(YB3301-92)1.2.5《防波堤设计与施工规范》(JTJ298-98)1.2.6《硅酸盐水泥、普通硅酸盐水泥》(GB175-1999)1.2.7《热轧H型钢和部分T型钢》(GB/T11263-98)1.2.8《建筑工程施工质量验收统一标准》(GB50300-2001)1.2.9《建筑机械使用安全技术规程》(JBJ33-2001)22、、编制原则编制原则2.1遵循设计文件和规范投标的原则,在编写主要项目施工方法中严格按照设计要求,执行现行施工规范和验收标准,正确组织施工,确保工程的质量、进度。2.2实事求是,一切从实际出发的原则,在制定施工方案中,根据自身施工能力,施工经验,技术水平,坚持科学组织,合理安排,均衡生产,平行作业,尽量平衡施工高峰,确保高速度、高质量、高效完成本项目的施工任务。2.3坚持施工全过程严格管理的原则,在工序施工中,严格执行监理工程师指令,尊重监理意见,严格管理。2.4坚持积极推广应用“四新”成果的原则,在各项工序施工中,对于能够提高或保证工程施工质量,施工进度以及降低工程成本的新技术、新设备、新工艺、新材料积极采用,发挥科技在工程施工中的先导作用。2.5坚持专业化作业与综合化管理相结合的原则,在施工组织方面,以3专业作业队为基本作业形式,充分发挥专业人员和专用设备的优势,同时采取综合管理手段,合理调配,以达到整体优化的目的。2.6充分利用网络图,进行计划安排,与总体施工计划进行对比,资源优化以达到降低资源消耗,均衡资源强度,最终使编制计划既确保优质完成本工程,又降低造价的目的。第二章工程概况第二章工程概况11、工程概况、工程概况1.1大港油田职工住宅大系统配套工程雨水泵站工程位于大港油田新建职工住宅1期工程施工区域内。该工程基坑开挖深度分别为10.8m和9.45m。设计方案考虑9m的工作面宽度,基坑开挖总面积约为631.34m2,围护总长度101.317m。1.2支护采用SMW工法的围护形式。采用Ф850mm三轴深层搅拌桩,搅拌桩长16.9m,内插H型钢700mm×300mm×13mm×24mm,型钢中心距4600mm,型钢长18m,水灰比1.2、水泥掺量20%。1.3SMW工法施工采用850mm三轴动力搅拌装置、配备在DH658履带式桩机,沿基坑围护结构轴线制作单排水泥土连续墙。1.4本工程预计开工时间为:2009年4月5日,竣工日期为:2009年5月30日,计划施工工期为56天。22、施工条件、施工条件2.1施工场地内目前需拆除附近施工围挡以及其他单位的临时设施;2.2本工程交通运输较为便利。附近有电力及自来水供应,但在施工中由于用电量非常大,考虑自备电源。33、工程范围、工程范围本工程范围为《大港油田职工住宅大系统配套工程雨水泵站基坑维护设计施工图》中的所有内容,其中主要包括SMW施工;降水井施工;圈梁、支撑及立柱施工。除此之外,还包括圈梁、支撑及立柱的拆除和SMW工法相关的土方工程。44、工程特点、工程特点本工程的特点是施工工艺新、施工难度大、施工工期紧。第三章施工总体部署第三章施工总体部署11、部署原则、部署原则为了切实体现本公司施工质量目标,公司以ISO9001-...

1、当您付费下载文档后,您只拥有了使用权限,并不意味着购买了版权,文档只能用于自身使用,不得用于其他商业用途(如 [转卖]进行直接盈利或[编辑后售卖]进行间接盈利)。
2、本站所有内容均由合作方或网友上传,本站不对文档的完整性、权威性及其观点立场正确性做任何保证或承诺!文档内容仅供研究参考,付费前请自行鉴别。
3、如文档内容存在违规,或者侵犯商业秘密、侵犯著作权等,请点击“违规举报”。

碎片内容

大系统雨水泵站基坑支护施工组织设计413

您可能关注的文档

确认删除?
VIP
微信客服
  • 扫码咨询
会员Q群
  • 会员专属群点击这里加入QQ群
客服邮箱
回到顶部