电脑桌面
添加小米粒文库到电脑桌面
安装后可以在桌面快捷访问

职工住宅楼主体工程监理实施细则VIP专享VIP免费

职工住宅楼主体工程监理实施细则_第1页
1/18
职工住宅楼主体工程监理实施细则_第2页
2/18
职工住宅楼主体工程监理实施细则_第3页
3/18
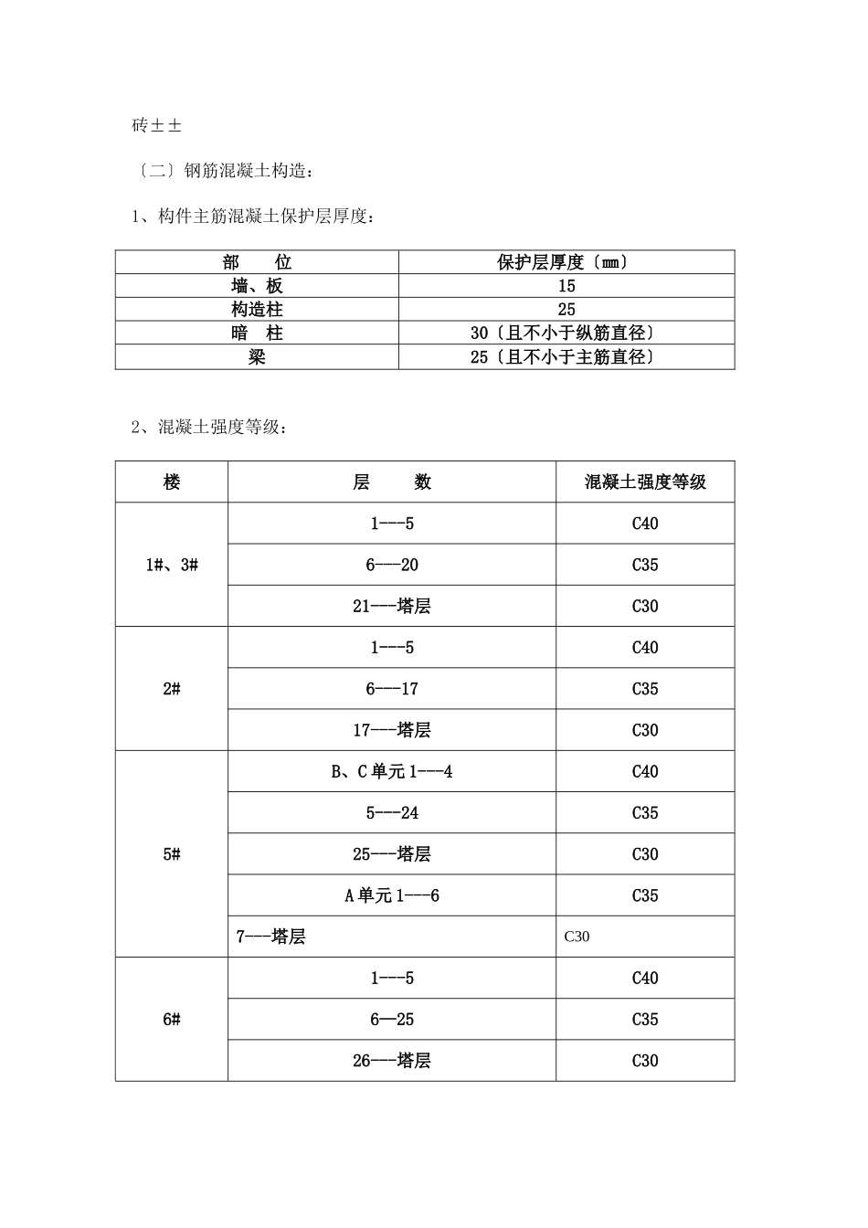
主体工程监理施行细那么西安农业技术推广中心职工住宅楼】编制:审批:时间:2021年8月20日目录一、工程特点........................................................3〔一〕本工程使用的材料:........................................3〔二〕钢筋混凝土构造:..........................................3二、各分项工程监理工作程序..........................................41、模板工程:...................................................42、钢筋工程:....................................................53、混凝土工程:.................................................64、砌体工程:...................................................75、测量放线:...................................................8三、监理工作控制要点及目的值:......................................91、事前检查工作.................................................92、钢筋工程:..................................................103、模板工程:..................................................124、混凝土工程..................................................135、填充墙砌体工程..............................................16四、监理工作和措施。...............................................171、准备工作....................................................172、钢筋工程工作和措施..........................................183、模板工程工作和措施..........................................194、混凝土工程工作和措施........................................195、砌体工程工作和措施..........................................20五、搜集整理相应技术资料...........................................20一、工程特点本工程由各单体1—3#楼、5#楼、6#楼、公建、幼儿园及室外〔包括网、景观、绿化、道路以及其他配套设施等〕。1#、3#楼地下1层地上34层设有道层;2#楼地下1层地上27层设有道层;5#楼由A、B、C三个单元组成A单元地下1层地上19层B、C单元地下1层地上33层为设置道层;6#楼地下1层地上27层设有道层;幼儿园按架空层上3层设置。本工程使用年限为50年按8度抗震设计。〔一〕本工程使用的材料:本工程所包含的砌体电梯井道采用Mu10普通多空砖其它部位采用大孔空心砖±±〔二〕钢筋混凝土构造:1、构件主筋混凝土保护层厚度:部位保护层厚度〔㎜〕墙、板15构造柱25暗柱30〔且不小于纵筋直径〕梁25〔且不小于主筋直径〕2、混凝土强度等级:楼层数混凝土强度等级1#、3#1---5C406---20C3521---塔层C302#1---5C406---17C3517---塔层C305#B、C单元1---4C405---24C3525---塔层C30A单元1---6C357---塔层C306#1---5C406—25C3526---塔层C303、梁、柱、墙内主筋搭接及锚固:①除注明外本工程梁、柱、墙钢筋的锚固长度均为LaE〔LaE见03G101-1第34页〕非焊接搭接长度为ζLaE〔LaE见03G101-1第34页〕。②非焊接的接头长度范围内其箍筋的间距应不大于5d且不大于100mm。③梁内纵向受力钢筋需现场搭接时下部钢筋应在支座处搭接上部钢筋应在跨中1/3跨度范围内搭接。二、各分项工程监理工作程序1、模板工程:测设轴线、标高、截面放样承包商轴线、标高、截面验收监理工程师验收结果支撑、模板的安装、校正及自检承包商模板体系验收监理工程师验收结果同意进展下道工序监理工程师整改承包商整改承包商2、钢筋工程:承包商、监理工程师钢筋放样钢筋进场检验承包商承包商、监理工程师检验结果钢筋退场承包商进场挂牌堆放承包商检查焊工上岗证钢筋下料、加工监理工程师承包商试焊监理工程师检查钢筋焊接情况、取样监理工程师、承包商结果钢筋绑扎、预留洞、件验收承包商、监理工程师验收结果检查钢筋制作质量监理工程师焊接返工承包商签署隐蔽工程验收单监理工程师3、混凝土工程:熟悉图纸、审查混凝土施工方案监理工程师施工机具准备、检查商砼厂家审查承包商、监理工程师监理工程师隐蔽验收返工〔承包商〕商品混凝土浇捣、养护承包商、监理工程师...

1、当您付费下载文档后,您只拥有了使用权限,并不意味着购买了版权,文档只能用于自身使用,不得用于其他商业用途(如 [转卖]进行直接盈利或[编辑后售卖]进行间接盈利)。
2、本站所有内容均由合作方或网友上传,本站不对文档的完整性、权威性及其观点立场正确性做任何保证或承诺!文档内容仅供研究参考,付费前请自行鉴别。
3、如文档内容存在违规,或者侵犯商业秘密、侵犯著作权等,请点击“违规举报”。

碎片内容

职工住宅楼主体工程监理实施细则

确认删除?
VIP
微信客服
  • 扫码咨询
会员Q群
  • 会员专属群点击这里加入QQ群
客服邮箱
回到顶部