电脑桌面
添加小米粒文库到电脑桌面
安装后可以在桌面快捷访问

模板工程技术交底(附图片)VIP免费

模板工程技术交底(附图片)_第1页
1/11
模板工程技术交底(附图片)_第2页
2/11
模板工程技术交底(附图片)_第3页
3/11
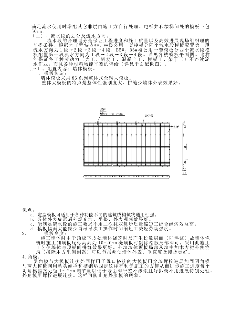
目录一、工程概况二、设计根据三、模板设计方案四、模板验收五、模板工程作业指导书六、模板平安操作规程七、模板计算书八、模板布置图一、工程概况1.本工程为***#楼。2.其构造为:现浇剪力墙构造。3.本工程层层均高为2900mm。二、设计根据1.本设计根据施工提供的施工图纸。2.?混凝土构造设计?〔GBJ10-〕3.?建筑构造荷载?〔GBJ9-87〕4.?钢筋混凝土高层建筑构造设计与施工?〔GBJ3-91〕三、模板设计方案〔一〕、模板配制说明:本工程模板高度为2820mm〔外墙2920mm〕;模板均按层墙体配置。不能满足流水使用时增配其它非层由施工方自行处理。电梯井和楼梯间处的模板下包50mm。〔二〕、流水段的划分及流水方向:流水段的合理划分是保证工程进度和施工质量以及高效进展现场组织理的前提条件。根据本工程特点**、**楼公用一套模板分四个流水段模板配置第一段流水方向为1段→2段→3段→4段;B5#、B6#楼公用一套模板分四个流水段模板配置第一段流水方向为1段→2段→3段→4段。详见各楼模板平面图。这样能保证各工种劳动力〔力工、钢筋工、混凝土工、模板工、架子工〕不连续流水作业;而且各种材料均能平衡的供给〔详见平面配板图〕。〔三〕、配置内容:墙体模板。1.模板构造:墙体模板采用86系列整体式全钢大模板。整体大模板的特点是整体性强刚度大、拼缝少墙体外表效果好。优点:a.定型模板可适用于各种功能不同的建筑或构筑物通用性强。b.砼体外表成形后外观光洁、平整、外表观感效果好。c.能满足清水砼的施工要求不用二次抹灰进步质量缩短工综合经济效益高。d.模板幅面大能减少塔吊吊次工操作时间缩短工减轻劳动强度。2.模板高度:施工墙体时由于顶板下皮处墙体浇筑时易产生松散层面〔即浮浆〕故墙体浇筑时施工到顶板底标高高处10-20mm浇顶板时剔除松散局部即可。采用此施工工艺使墙体与顶板间拼缝效果更好。外墙墙体顶板局部从墙中加木方把外侧浇筑〔撤除木方里侧剔凿〕可以节吊邦使墙体外表、垂直度及接搓更好。4.角模:阴角模与大模板连接处同样用子母口搭接的大模板用穿墙螺栓进展加固阴角模与两大模板间用钩头螺栓和槽钢垫固定这样有利于施工的方便从而进步施工进度每个阴角模搭接处留1~2mm调节量以便于墙面即平整不渗浆且好拆模不用进展特别处理。外角模用螺栓进展连接。这样可防止角处胀模的现象。5.穿墙螺栓:穿墙螺栓采用T30锥形螺栓大头T30小头Φ26设钢楔孔每套穿墙螺栓由螺杆、1个螺母、2块垫片和1个销片组成撤除方便撤除时只需将销片先撤除即可撤除螺栓操作简单方便:6.电梯井模板电梯井不配置筒模与其它墙体一样配置大模板塔吊所在的电梯井配置专用模板。7.丁字墙的处理:为了防止模板拼缝多及板块小给施工所带来的不利因素。尽量少用丁字墙部位插板即模板在丁字墙部位时其中一块模板直接跨过丁字墙。假设有插板的用螺栓和其两边的大模板进展连接即可。8.楼梯间配置木模板。跟进平台下包50mm9.外墙防护方案:外墙无顶板处〔无台处〕采用外挂架的施工工艺外挂架上由施工方垫50mm厚木方作为模板平台。挂上外挂架后可把几榀外挂架用钢连成一组用塔吊整体提升即可节施工方因搭设双排架所用的时间及本钱从而加快施工进度。10.本工程不配置钢制门窗模板。施工方可采用我门窗钢抱角〔门窗护角〕使用时只需将木制门框夹在护角里边并锁紧内护角螺栓。这样本钱远远低于钢制门窗模板也利于施工时的拆装。11.梁节点的处理:为了节工程本钱本工程大于3600mm的洞口断开不配置模板当一些梁与两端墙体呈一条直线时梁下配置梁下堵板高度做至梁底此梁钢筋可先绑同顶板一起浇筑。其余断开梁和跨度较大的框架梁同顶板一起绑扎、浇筑。外墙连梁断开的位置未配置外挂架由施工方自行处理。〔梁先绑后浇示意图〕〔梁后绑后浇示意图〕四、模板质量保证措施和验收:1.验收大模板制作质量要求:项次检查工程允许偏向检验工具1外型尺寸0,-2卷尺2对角线3卷尺3螺栓孔的位置<2mm卷尺4相邻板面上下差0.52m平尺、塞尺5外表平整度2mm2m平尺、塞尺2.模板安装允许偏向要求:项次检查工程允许偏向备注1模板位置偏向-22模板竖向偏向33模板标高偏向54墙体上口宽度-25模板间隔偏向33.质量通病的防治及质量保证措...

1、当您付费下载文档后,您只拥有了使用权限,并不意味着购买了版权,文档只能用于自身使用,不得用于其他商业用途(如 [转卖]进行直接盈利或[编辑后售卖]进行间接盈利)。
2、本站所有内容均由合作方或网友上传,本站不对文档的完整性、权威性及其观点立场正确性做任何保证或承诺!文档内容仅供研究参考,付费前请自行鉴别。
3、如文档内容存在违规,或者侵犯商业秘密、侵犯著作权等,请点击“违规举报”。

碎片内容

模板工程技术交底(附图片)

确认删除?
VIP
微信客服
  • 扫码咨询
会员Q群
  • 会员专属群点击这里加入QQ群
客服邮箱
回到顶部