电脑桌面
添加小米粒文库到电脑桌面
安装后可以在桌面快捷访问

桥架安装和电缆敷设技术交底VIP免费

桥架安装和电缆敷设技术交底_第1页
1/16
桥架安装和电缆敷设技术交底_第2页
2/16
桥架安装和电缆敷设技术交底_第3页
3/16
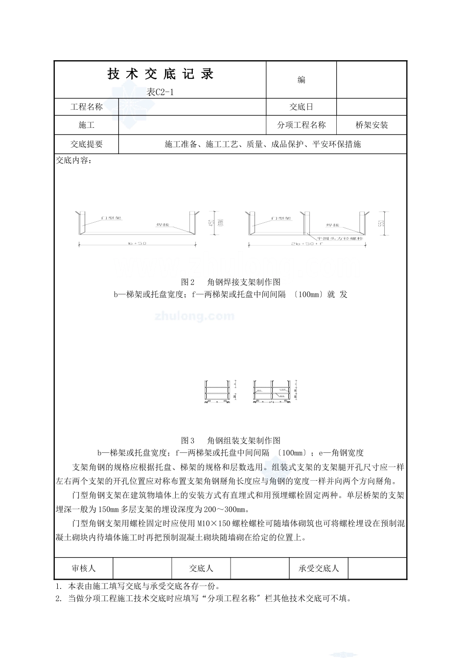
技术交底记录表C2-1编工程名称屏山新城迁建C标A区工程交底日施工分项工程名称桥架安装和电缆敷设交底提要施工准备、施工工艺、质量、成品保护、平安环保措施交底内容:一、施工准备1、材料准备电缆桥架及其配件、金属型材、防锈涂料、油性涂料。2、机具准备1〕主要安装机具:电锤、电钻、开孔机、活扳手、铅笔、粉线袋、卷尺、高凳等;2〕主要检测机具:经纬仪、程度仪等。3、作业条件1〕配合土建的构造施工预留孔洞、预埋铁和预埋吊杆、吊架、保护等全部完成。2〕桥架安装沿线模板等设施的撤除完毕场地清理干净道路畅通。3〕室内电缆桥架的安装应在道及空调工程根本施工完毕后进展。二、施工工艺1、工艺流程弹线定位→预埋铁或膨胀螺栓→支、吊架安装→桥架安装2、施工要点1〕、弹线定位①根据图纸确定始端到终端找好程度或垂直线用粉线袋沿墙壁、顶棚和模板等处在线路的中心线进展弹线。②按设计图的要求分匀档距并用笔标出详细位置。2〕、预埋铁或膨胀螺栓①预埋铁的自制加工尺寸不应小于120×60×6mm;其锚固圆钢的直径不应小于8mm。②严配合土建构造的施工将预埋铁的平面放在钢筋网片下面紧贴模板可以采用绑扎或焊接的将锚固圆钢固定在钢筋网上。模板撤除后预埋铁的平面应明露、或吃进深度一般在2~3cm再将成品支架或角钢制成的支架、吊架焊在上面固定。③根据支架承受的荷重选择相应的膨胀螺栓及钻头;埋好螺栓后可用螺母配上相应的垫圈将支架或吊架直接固定在金属膨胀螺栓上。3〕、支吊架安装审核人交底人承受交底人1.本表由施工填写交底与承受交底各存一份。2.当做分项工程施工技术交底时应填写“分项工程名称〞栏其他技术交底可不填。技术交底记录表C2-1编工程名称交底日施工分项工程名称桥架安装交底提要施工准备、施工工艺、质量、成品保护、平安环保措施交底内容:①支吊架位置确实定在确定支吊架的位置时应符合设计规定当设计无明确规定时也可按消费厂家提供的特性数据确定。电缆桥架程度敷设时支撑跨距一般为1.5~3m。电缆桥架垂直敷设时固定点间距不宜大于2m。非直线段的支、吊架位置见图1桥架弯通或三通、四通弯曲半径不大于300mm时应在距弯曲段与直线段接合处300~600mm的直线段侧设置一个支吊架。当弯曲半径大于300mm时还应在弯通中部增设一个支、吊架。图1桥架非直线段支、吊架位置图〔a〕弯通;〔b〕三通;(c)四通②门型角钢支架的制作安装电缆桥架沿墙垂直安装可使用门型角钢支架固定托盘或梯架门型角钢支架一种用整根角钢割角煨制焊接制作如图2所示;另一种是支架横梁和支架腿由角钢组装而成如图3所示。审核人交底人承受交底人1.本表由施工填写交底与承受交底各存一份。2.当做分项工程施工技术交底时应填写“分项工程名称〞栏其他技术交底可不填。技术交底记录表C2-1编工程名称交底日施工分项工程名称桥架安装交底提要施工准备、施工工艺、质量、成品保护、平安环保措施交底内容:图2角钢焊接支架制作图b—梯架或托盘宽度;f—两梯架或托盘中间间隔〔100mm〕就发图3角钢组装支架制作图b—梯架或托盘宽度;f—两梯架或托盘中间间隔〔100mm〕;e—角钢宽度支架角钢的规格应根据托盘、梯架的规格和层数选用。组装式支架的支架腿开孔尺寸应一样左右两个支架的开孔位置应对称布置支架角钢掰角长度应与角钢的宽度一样并向两个方向掰角。门型角钢支架在建筑物墙体上的安装方式有直埋式和用预埋螺栓固定两种。单层桥架的支架埋深一般为150mm多层支架的埋设深度为200~300mm。门型角钢支架用螺栓固定时应使用M10×150螺栓螺栓可随墙体砌筑也可将螺栓埋设在预制混凝土砌块内待墙体施工时再把预制混凝土砌块随墙砌在给定的位置上。审核人交底人承受交底人1.本表由施工填写交底与承受交底各存一份。2.当做分项工程施工技术交底时应填写“分项工程名称〞栏其他技术交底可不填。技术交底记录表C2-1编工程名称交底日施工分项工程名称桥架安装交底提要施工准备、施工工艺、质量、成品保护、平安环保措施交底内容:③电缆桥架立柱直立式安装电缆桥架立柱直立式安装方式很多根本上可分为:一端固定直立式、两端固定直立式和悬臂直立式、混合直立式等。a一端固定直立式安装电缆...

1、当您付费下载文档后,您只拥有了使用权限,并不意味着购买了版权,文档只能用于自身使用,不得用于其他商业用途(如 [转卖]进行直接盈利或[编辑后售卖]进行间接盈利)。
2、本站所有内容均由合作方或网友上传,本站不对文档的完整性、权威性及其观点立场正确性做任何保证或承诺!文档内容仅供研究参考,付费前请自行鉴别。
3、如文档内容存在违规,或者侵犯商业秘密、侵犯著作权等,请点击“违规举报”。

碎片内容

桥架安装和电缆敷设技术交底

您可能关注的文档

确认删除?
VIP
微信客服
  • 扫码咨询
会员Q群
  • 会员专属群点击这里加入QQ群
客服邮箱
回到顶部