电脑桌面
添加小米粒文库到电脑桌面
安装后可以在桌面快捷访问

工程质量创优规划汇报材料(13号17:40)11VIP免费

工程质量创优规划汇报材料(13号17:40)11_第1页
1/8
工程质量创优规划汇报材料(13号17:40)11_第2页
2/8
工程质量创优规划汇报材料(13号17:40)11_第3页
3/8
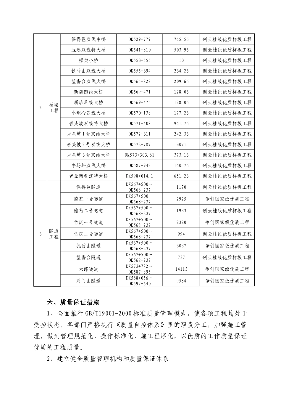
新建云桂线(云南段)站前工程五标段工程质量创优规划新建云桂线(云南段)站前工程五标段项目部二0一0年六月工程质量创优规为高起点、高标准、高质量地建好云桂线,推行文明施工,建设标准化工地。根据云桂路公司关于创建标准化工地的要求,结合我标段的实际情况,特制定创优规划,具体如下:一、工程概况新建铁路云桂线(云南段)自DK291+420处(阳圩~平安区间)进入云南境内,经过文山州的富宁县、广南县和丘北县;与弥勒县江边街附近跨南盘江,经弥勒县后进入昆明的石林县,在宜良南侧设昆明南站,之后引入昆明枢纽。本标段位于丘北县,起讫里程为DK539+120~DK598+340,全长59.219km。主要工程数量:标段全长59.219km,路基土石方415.3万方/18.05km,桥梁4352.523m/14座,隧道36813m/9座。二、质量理念终身负责、不留缺憾。三、质量方针以人为本,诚信守约,顾客满意,优质高效,追求卓越。四、质量目标(一)工程质量达到国家及铁道部质量验收标准,全面满足设计开通速度及运营需要,单位工程一次验收合格率100%;(二)实现主体工程零缺陷;(三)杜绝一切质量事故:(四)工程确保部优,争创国优。五、创优规划目标本合同段综合工程质量确保达到部级优质工程标准,争创国家级优质工程。其中,德基一号隧道、竹庆一号隧道、扎营山隧道、六郎隧道、对门山隧道争创国家级优质工程,单位工程均争创云桂线优质样板工程。云桂铁路(云南段)战前工程五标段工程创优规化一览表序号名称里程工程规模创优目标1全标段DK539+120~DK598+34059.22km争创国家级优质工程2桥梁工程倮得邑双线中桥DK529+779765.56创云桂线优质样板工程胧溪双线特大桥DK541+810503.96创云桂线优质样板工程框架小桥DK553+55510创云桂线优质样板工程铁马山双线大桥DK555+394234.26创云桂线优质样板工程望香台双线大桥DK565+822209.66创云桂线优质样板工程新店四线大桥DK569+471128.06创云桂线优质样板工程新店单线大桥DK569+475128.06创云桂线优质样板工程小坝心四线大桥DK570+138177.26创云桂线优质样板工程岩头坡双线特大桥DK571+408961.76创云桂线优质样板工程岩头坡1号双线大桥DK572+311242.36创云桂线优质样板工程岩头坡2号双线大桥DK572+787307m创云桂线优质样板工程岩头坡3号双线大桥DK573+303.61373.16创云桂线优质样板工程牛场坪双线大桥DK587+942160.76创云桂线优质样板工程者丘南盘江特大桥DK598+014.1651.26创云桂线优质样板工程3隧道工程倮得邑隧道DK567+500~DK568+2371170创云桂线优质样板工程德基一号隧道DK567+500~DK568+2372925争创国家级优质工程德基二号隧道DK567+500~DK568+2371933创云桂线优质样板工程竹庆一号隧道DK567+500~DK568+2372320争创国家级优质工程竹庆二号隧道DK567+500~DK568+237994创云桂线优质样板工程扎营山隧道DK567+500~DK568+2373037争创国家级优质工程望香台隧道DK567+500~DK568+237737创云桂线优质样板工程六郎隧道DK573+782~DK587+89514113争创国家级优质工程对门山隧道DK588+056~DK597+6409584争创国家级优质工程六、质量保证措施1、全面推行GB/T19001-2000标准质量管理模式,使各项工程均处于受控状态。各部门严格执行《质量自控体系》里的职责分工,加强施工管理,做到管理规范化、操作标准化、施工程序化,以优质的工作质量保证优质的工程质量。2、建立健全质量管理机构和质量保证体系(1)建立质量管理机构,成立以项目部经理为组长,副经理、总工为副组长,各部门领导为成员的创优领导小组,项目部设专职质检员1名,每个项目设专职质检员1名,每个工程队设专职质检员1名,每个工班设兼职质检员1名。按照创优规划和措施,实行责任制,把创优目标层层分解,落实到人,实行创优检查分析评比制度,开展创优竞赛活动,做到月有检查分析、季有质量评比、年有总结奖惩。(2)建立质量保证体系,层层把关,责任到人。明确项目部经理是质量的第一责任人,各级主管是具体分管工点的质量责任人。项目部及架子队配备专职质检人员,工班设兼职质检员,建立自上而下的质量保证体系,搞好质量教育,对施工人员进行施工技能和质量意识的培训和教育,形成“层层抓质量,人人重视质量”的良...

1、当您付费下载文档后,您只拥有了使用权限,并不意味着购买了版权,文档只能用于自身使用,不得用于其他商业用途(如 [转卖]进行直接盈利或[编辑后售卖]进行间接盈利)。
2、本站所有内容均由合作方或网友上传,本站不对文档的完整性、权威性及其观点立场正确性做任何保证或承诺!文档内容仅供研究参考,付费前请自行鉴别。
3、如文档内容存在违规,或者侵犯商业秘密、侵犯著作权等,请点击“违规举报”。

碎片内容

工程质量创优规划汇报材料(13号17:40)11

确认删除?
VIP
微信客服
  • 扫码咨询
会员Q群
  • 会员专属群点击这里加入QQ群
客服邮箱
回到顶部