电脑桌面
添加小米粒文库到电脑桌面
安装后可以在桌面快捷访问

数字电子技术基础试题及答案1VIP免费

数字电子技术基础试题及答案1_第1页
1/10
数字电子技术基础试题及答案1_第2页
2/10
数字电子技术基础试题及答案1_第3页
3/10
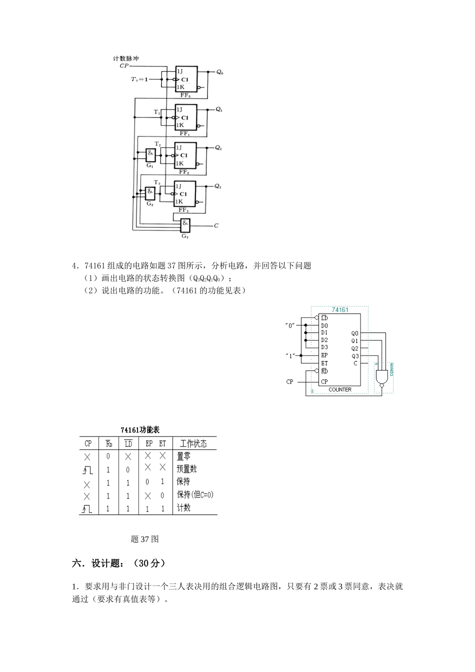
一、填空题:(每空3分,共15分)1.逻辑函数有四种表示方法,它们分别是()、()、()和()。2.将2004个“1”异或起来得到的结果是()。3.由555定时器构成的三种电路中,()和()是脉冲的整形电路。4.TTL器件输入脚悬空相当于输入()电平。5.基本逻辑运算有:()、()和()运算。6.采用四位比较器对两个四位数比较时,先比较()位。7.触发器按动作特点可分为基本型、()、()和边沿型;8.如果要把一宽脉冲变换为窄脉冲应采用()触发器9.目前我们所学的双极型集成电路和单极型集成电路的典型电路分别是()电路和()电路。10.施密特触发器有()个稳定状态.,多谐振荡器有()个稳定状态。11.数字系统按组成方式可分为、两种;12.两二进制数相加时,不考虑低位的进位信号是()加器。13.不仅考虑两个____________相加,而且还考虑来自__________相加的运算电路,称为全加器。14.时序逻辑电路的输出不仅和_________有关,而且还与_____________有关。15.计数器按CP脉冲的输入方式可分为___________和___________。16.触发器根据逻辑功能的不同,可分为___________、___________、___________、___________、___________等。17.根据不同需要,在集成计数器芯片的基础上,通过采用___________、___________、___________等方法可以实现任意进制的技术器。18.4.一个JK触发器有个稳态,它可存储位二进制数。19.若将一个正弦波电压信号转换成同一频率的矩形波,应采用电路。20.把JK触发器改成T触发器的方法是。21.N个触发器组成的计数器最多可以组成进制的计数器。22.基本RS触发器的约束条件是。23.对于JK触发器,若J=K,则可完成T触发器的逻辑功能;若J=K,则可完成D触发器的逻辑功能。二.数制转换(5分):1、(11.001)2=()16=()102、(8F.FF)16=()2=()103、(25.7)10=()2=()164、(+1011B)原码=()反码=()补码5、(-101010B)原码=()反码=()补码三.函数化简题:(5分)1、化简等式Y=AB+AC+BCY=CD(A⊕B)+ABC+ACD,给定约束条件为:AB+CD=02用卡诺图化简函数为最简单的与或式(画图)。四.分析题(30分)1、分析如图所示组合逻辑电路的功能。2.试分析如图3所示的组合逻辑电路。(15分)1).写出输出逻辑表达式;2).化为最简与或式;3).列出真值表;4).说明逻辑功能。3.七、分析如下时序电路的逻辑功能,写出电路的驱动方程、状态方程和输出方程,画出电路的状态转换图。(20)图44.74161组成的电路如题37图所示,分析电路,并回答以下问题(1)画出电路的状态转换图(Q3Q2Q1Q0);(2)说出电路的功能。(74161的功能见表)题37图六.设计题:(30分)1.要求用与非门设计一个三人表决用的组合逻辑电路图,只要有2票或3票同意,表决就通过(要求有真值表等)。2.试用JK触发器和门电路设计一个十三进制的计数器,并检查设计的电路能否自启动。(14分)七.(10分)试说明如图5所示的用555定时器构成的电路功能,求出UT+、UT-和ΔUT,并画出其输出波形。(10分)图5答案:一.填空题1.真值表、逻辑图、逻辑表达式、卡诺图;2.0;3.施密特触发器、单稳态触发器4.高5.与、或、非6.最高7.同步型、主从型;8.积分型单稳态9.TTL、CMOS;10.两、0;11.功能扩展电路、功能综合电路;12.半13.本位(低位),低位进位14.该时刻输入变量的取值,该时刻电路所处的状态15.同步计数器,异步计数器16.RS触发器,T触发器,JK触发器,Tˊ触发器,D触发器17.反馈归零法,预置数法,进位输出置最小数法18.两,一19.多谐振荡器20.J=K=TBABABABAABCD0001111000m0m4m12m801m1m5m13m911m3m7m15m1110m2m6m14m104变量卡诺图ABY1BCY2CAY3CABCABY21.2n22.RS=0二.数制转换(10):1、(11.001)2=(3.2)16=(3.125)102、(8F.FF)16=(10001111.11111111)2=(143.9960937)103、(25.7)10=(11001.1011)2=(19.B)164、(+1011B)原码=(0101...

1、当您付费下载文档后,您只拥有了使用权限,并不意味着购买了版权,文档只能用于自身使用,不得用于其他商业用途(如 [转卖]进行直接盈利或[编辑后售卖]进行间接盈利)。
2、本站所有内容均由合作方或网友上传,本站不对文档的完整性、权威性及其观点立场正确性做任何保证或承诺!文档内容仅供研究参考,付费前请自行鉴别。
3、如文档内容存在违规,或者侵犯商业秘密、侵犯著作权等,请点击“违规举报”。

碎片内容

数字电子技术基础试题及答案1

您可能关注的文档

确认删除?
VIP
微信客服
  • 扫码咨询
会员Q群
  • 会员专属群点击这里加入QQ群
客服邮箱
回到顶部