电脑桌面
添加小米粒文库到电脑桌面
安装后可以在桌面快捷访问

现场临时用电工程安全监理细则VIP免费

现场临时用电工程安全监理细则_第1页
1/8
现场临时用电工程安全监理细则_第2页
2/8
现场临时用电工程安全监理细则_第3页
3/8
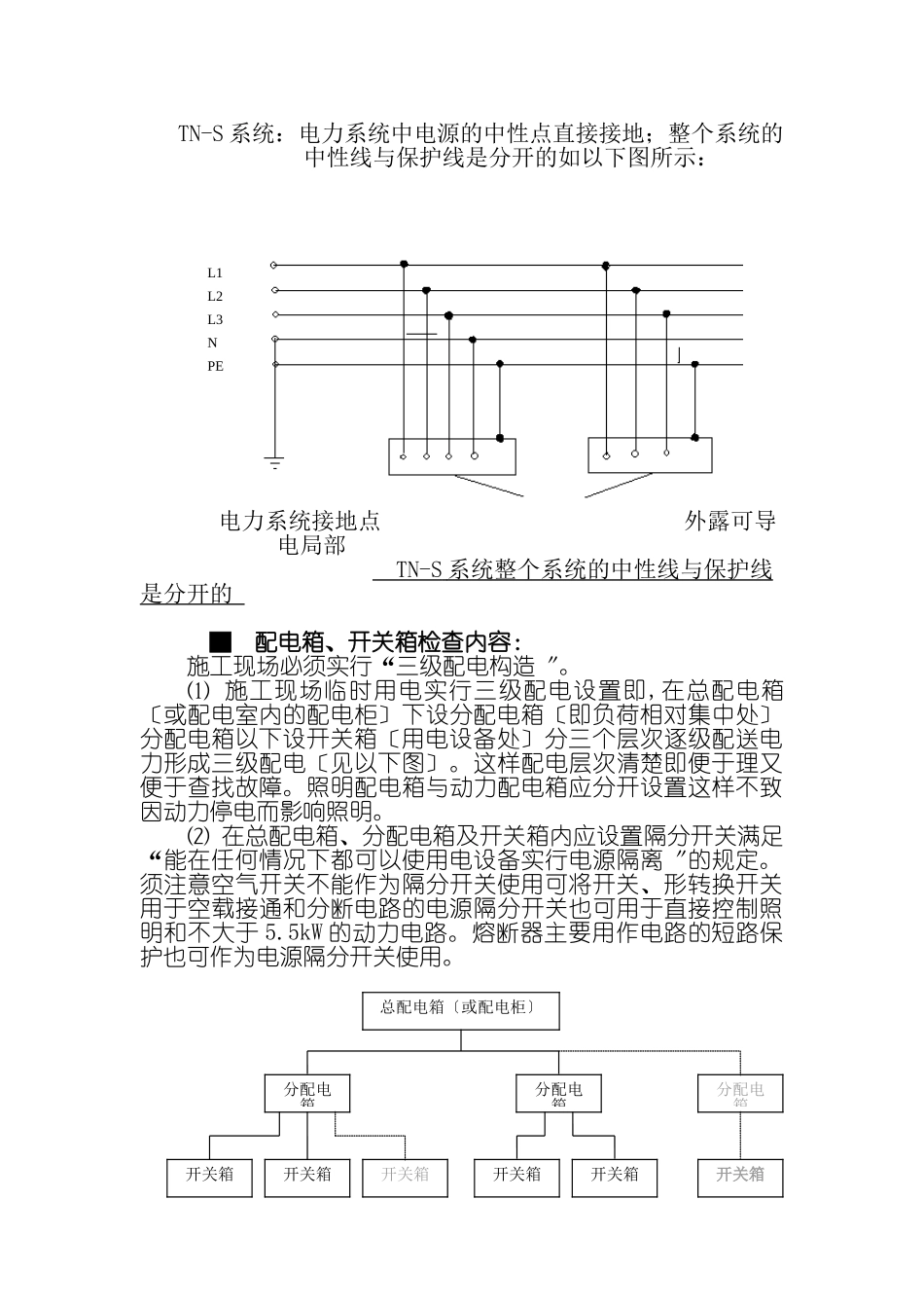
临电监理施行细那么编制:审批:北京***工程工程监理部2021年3月10日1、临时用电施工组织设计审核临时用电施工组织设计必须包括工程概况、负荷统计、负荷计算、变压器容量选择〔假如需要〕、馈电电缆选择、配电箱选择及布置、现场配电平面布置图、临时用电平安技术措施、电气防火措施等内容。由电气专业工程技术人员根据工程实际编制后经工程经理、技术负责人审核经有关部门会签并经总工程师审批签字后加盖施工公章后才能提交监理审核。监理应对临时用电施工组织设计进展认真审核审核结果应符合?施工现场临时用电平安技术?JGJ46-2005相关条文及强迫性〔平安施工篇〕的要求。方案中如存在内容不全计算不当、配置不合理、平安技术措施不够等问题的必须退回重新编制。2、临时用电现场平安检查内容■TN-S接零保护系统检查内容:施工现场临时用电必须采用TN-S接零保护系统该系统是电源中性点直接接地的、具有专用的保护零线〔PE线〕的220/380V三相五线制低压电力系统。⑴当施工现场采用外电线路低压侧供电即与外电线路共用同一电网时;或当施工现场自己设置变压器〔或自备发电机组〕形成电网时必须采用TN-S接零保护系统〔三相五线制见以下图〕自设的变压器其中性点必须接地接地电阻值不大于4Ω。⑵工作零线〔N〕与保护零线〔PE〕自变压器中性点或总配电箱漏电保护器的电源侧分开后严禁再次合一或在某处短接使之成为工作零线与保护零线合一的〔PEN〕线、严禁工作零线与保护零线错接现象的发生否那么可能导致设备外壳带电从而引发危险。⑶总漏电保护器负荷侧的工作零线〔N〕不得重复接地。不得将一局部设备作保护接零另一局部作保护接地。⑷保护零线〔PE〕严禁穿过漏电保护器而工作零线(N)必须穿过漏电保护器。⑸电箱中应设两块端子板〔工作零线N与保护零线PE〕保护零线端子板与金属箱壳相连工作零线端子板与金属箱壳绝缘。现场所有用电设备的可接近裸露导体〔如设备的金属外壳〕只应通过保护零线〔PE〕与电箱中的保护零线端子板相连绝不允许接于工作零线〔N〕上或直接接地。⑹保护零线〔PE〕必须作重复接地一个施工现场内重复接地不应少于三处每处接地电阻的阻值不得大于10Ω。可在设备比拟集中的地方如搅拌机棚、钢筋作业区等地做一组重复接地;在高大设备处如塔吊、外用电梯、物料提升机等地做一组重复接地。⑺保护零线〔PE〕的统一标志为绿/黄双色在任何情况下不准使用绿/黄双色线做负荷线使用〔即作相线或零线使用〕。⑻当分包与总包共用同一供电系统时分包应与总包的保护方式相一致不允许一个采用TT系统〔保护接地〕而另一采用TN系统〔保护接零〕。就是说在同一施工现场当采用TN-S接零保护系统时所有用电设备的外壳均必须采用保护接零的方式接于PE线上不允许一局部接于PE线而另一局部直接接地。否那么一旦采用保护接地的设备发生漏电碰壳时将会导致采用保护接零的设备外壳同时带电相当危险。TN-S系统:电力系统中电源的中性点直接接地;整个系统的中性线与保护线是分开的如以下图所示:电力系统接地点外露可导电局部TN-S系统整个系统的中性线与保护线是分开的■配电箱、开关箱检查内容:施工现场必须实行“三级配电构造〞。⑴施工现场临时用电实行三级配电设置即,在总配电箱〔或配电室内的配电柜〕下设分配电箱〔即负荷相对集中处〕分配电箱以下设开关箱〔用电设备处〕分三个层次逐级配送电力形成三级配电〔见以下图〕。这样配电层次清楚即便于理又便于查找故障。照明配电箱与动力配电箱应分开设置这样不致因动力停电而影响照明。⑵在总配电箱、分配电箱及开关箱内应设置隔分开关满足“能在任何情况下都可以使用电设备实行电源隔离〞的规定。须注意空气开关不能作为隔分开关使用可将开关、形转换开关用于空载接通和分断电路的电源隔分开关也可用于直接控制照明和不大于5.5kW的动力电路。熔断器主要用作电路的短路保护也可作为电源隔分开关使用。L1L2L3NPE总配电箱〔或配电柜〕分配电箱分配电箱开关箱开关箱开关箱开关箱开关箱分配电箱开关箱三级配电构造示意图⑶开关箱作为末级配电装置与用电设备之间必须实行“一机、一闸、一漏、一箱〞制即一个开关箱内只能设一个开关电器并装设一...

1、当您付费下载文档后,您只拥有了使用权限,并不意味着购买了版权,文档只能用于自身使用,不得用于其他商业用途(如 [转卖]进行直接盈利或[编辑后售卖]进行间接盈利)。
2、本站所有内容均由合作方或网友上传,本站不对文档的完整性、权威性及其观点立场正确性做任何保证或承诺!文档内容仅供研究参考,付费前请自行鉴别。
3、如文档内容存在违规,或者侵犯商业秘密、侵犯著作权等,请点击“违规举报”。

碎片内容

现场临时用电工程安全监理细则

您可能关注的文档

确认删除?
VIP
微信客服
  • 扫码咨询
会员Q群
  • 会员专属群点击这里加入QQ群
客服邮箱
回到顶部