电脑桌面
添加小米粒文库到电脑桌面
安装后可以在桌面快捷访问

平面设计软件在服装制图教学中的应用VIP免费

平面设计软件在服装制图教学中的应用_第1页
1/5
平面设计软件在服装制图教学中的应用_第2页
2/5
平面设计软件在服装制图教学中的应用_第3页
3/5
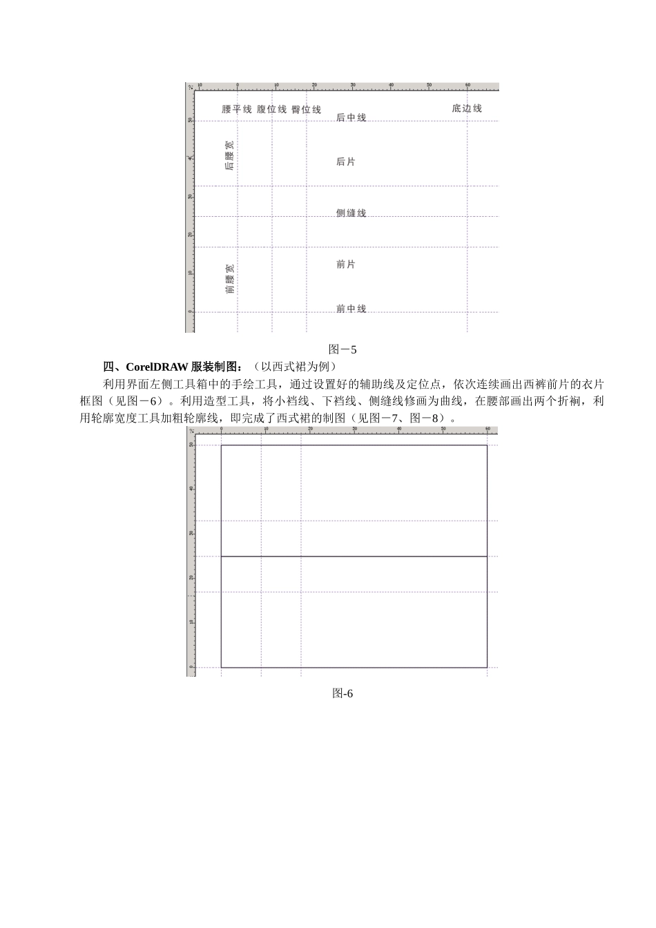
CorelDRAW在数字化服装制图中的应用佛山科学技术学院马仲岭内容提要:数字化服装制图大多使用专业服装CAD软件,对于大部分学校和中小企业,使用效率低、成本高是其主要弊端,因而使用CorelDRAW进行服装制图是很好的选择。本文探讨了利用通用平面设计软件CorelDRAW进行服装制图的理论与方法,为数字化服装制图开辟了一条新的途径。可以有效的提高服装企业的生产效率和设计水平,有效的提高教学质量和学生的就业竞争力。目前我国是世界上最大的服装出口国,同时,我国出口产品的档次、质量位居中下,出口产品附加值很低。其原因是设计水平不高,制作质量低下,没有知名品牌。这些情况都是由于服装教育水平不高造成的。如果能够通过数字化服装教学,提高服装行业的总体水平,将为我国服装行业带来十分可观的经济效益。我国早期开办的少量服装专业基本都开设了专业服装CAD课程,大量后期开办的服装专业大部分没有开设这门课程。我国服装企业大部分是中小企业,绝大部分没有配备数字化服装设计与生产设备,原因是专业服装CAD设备经济投入大,使用效率低。据我们调查显示,大部分服装企业使用的是通用平面设计软件CorelDRAW,而服装专业教学中,几乎所有院校都开设CorelDRAW软件的教学课程。因此,将通用平面设计软件CorelDRAW应用在服装制图的教学和生产领域,能够为服装设计CAD开辟一条新的途径,其经济效益、社会效益、学术意义都是十分明显的。我们早在1996年就应用CorelDRAW进行服装专业教学与生产的研究,下面就CorelDRAW在服装制图中的应用进行探讨。一、CorelDRAW服装制图的可行性分析:服装制图就是在图纸上,根据服装款式图和一定的比例、单位,绘制净缝服装裁剪图。并且对图纸进行数据标注、文字标注、经线方向标注,及其它需要的标注说明。裁剪图是系列服装图纸中最重要的图纸之一,无论手工绘制还是计算机绘制,都必须达到很高的精确度,满足服装生产的实际需要。CorelDRAW是目前世界上使用最广泛的平面设计软件,本软件提供了一张空白图纸,能够任意设置图纸规格,能够任意设置绘图比例,能够任意设置绘图单位,能够任意设置数据的精确度;本软件可以设置原点,可以测量尺度,可以设置辅助线;本软件的直线工具可以绘制图形,造型工具可以对直线进行任意曲线处理;变形工具可以精确的对图形、线条进行大小、移位、旋转、翻转等控制;属性工具可以对线条进行粗细、色彩、格式的控制;文本工具可以进行数据标注、文字标注等。因此CorelDRAW软件完全能够满足服装制图教学和生产的要求,利用CorelDRAW进行服装制图是可行的。并且还可以对现有图形进行复制、修改,为绘制新的裁剪图、为绘制样板图、推板图带来极大方便,大大提高制图效率。二、CorelDRAW图纸设置:服装制图首先需要进行图纸设置,在CorelDRAW中进行图纸设置非常方便。当打开一张空白图纸时,CorelDRAW界面上方会出现图纸属性栏(见图-1),通过属性栏可以进行图纸设置。利用图纸规格下拉菜单,可以从中选择我们需要的图纸规格,如A0、A1、A2、A3、A4等;利图-1用图纸方向按钮,可以设置图纸为横向或纵向;利用单位下拉菜单可以设置绘图单位为毫米、厘米等;双击标尺可以打开一个选项活动窗口(见图-2),利用该窗口也可以设置绘图单位和其它设置,同时进一步点击编辑刻度按钮,可以打开一个绘图比例活动窗口(见图-3),利用该窗口可以进行绘图比例设置,我们可以通过下拉菜单选择现有的比例,或输入我们需要的比例,如1:1、1:2、1:4、1:5、1:10、1:20、1:50、1:100等。比例的设置可以是任意的,不受现有比例限制。当图纸设置完成后,我们即可进行服装制图。图-2图-3三、CorelDRAW绘图辅助线的设置:设置辅助线之前,必须首先设置绘图原点,其方法是:鼠标按住横向标尺与纵向标尺交汇处的原点设置按钮,拖动至需要的图纸位置,放开鼠标,原点即处于当前的位置;利用任何服装制图方法及公式,计算出需要的制图数据;右键点击横向(或纵向)标尺,点击辅助线设置,出现一个辅助线设置选项活动窗口(见图-4),点击左侧辅助线下的水平,在右侧输入辅助线的位置数据,点击添加,一条辅助线图-4设置成功。按照...

1、当您付费下载文档后,您只拥有了使用权限,并不意味着购买了版权,文档只能用于自身使用,不得用于其他商业用途(如 [转卖]进行直接盈利或[编辑后售卖]进行间接盈利)。
2、本站所有内容均由合作方或网友上传,本站不对文档的完整性、权威性及其观点立场正确性做任何保证或承诺!文档内容仅供研究参考,付费前请自行鉴别。
3、如文档内容存在违规,或者侵犯商业秘密、侵犯著作权等,请点击“违规举报”。

碎片内容

平面设计软件在服装制图教学中的应用

您可能关注的文档

海纳百川+ 关注
实名认证
内容提供者

热爱教学事业,对互联网知识分享很感兴趣

确认删除?
VIP
微信客服
  • 扫码咨询
会员Q群
  • 会员专属群点击这里加入QQ群
客服邮箱
回到顶部