电脑桌面
添加小米粒文库到电脑桌面
安装后可以在桌面快捷访问

常用围护结构施工机械及效率VIP免费

常用围护结构施工机械及效率_第1页
1/10
常用围护结构施工机械及效率_第2页
2/10
常用围护结构施工机械及效率_第3页
3/10
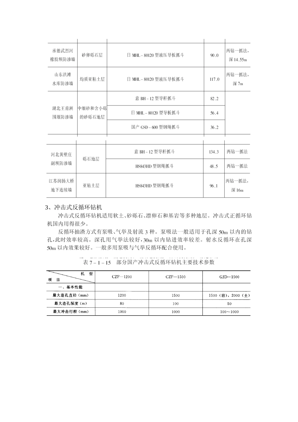
常用围护结构机械设备一、连续墙成槽设备:1、液压铣槽机2、抓斗成槽机3、冲击式反循环钻机4、多头钻成槽机多头钻机(也称长墙钻)是由!"#个独立旋转的钻头组合装配在一起的大型钻机。根据土质条件可选用不同数目和型式的钻头。这种钻机主要用于均质软土的施工,挖槽速度较快;缺点是不适用于卵石、漂石地层,更不能用于钻进基岩。二、灌注桩工程机械1、反循环回转钻机2、长螺旋工程钻机3、旋挖钻机4、潜水工程钻机.5、冲抓成孔钻机

1、当您付费下载文档后,您只拥有了使用权限,并不意味着购买了版权,文档只能用于自身使用,不得用于其他商业用途(如 [转卖]进行直接盈利或[编辑后售卖]进行间接盈利)。
2、本站所有内容均由合作方或网友上传,本站不对文档的完整性、权威性及其观点立场正确性做任何保证或承诺!文档内容仅供研究参考,付费前请自行鉴别。
3、如文档内容存在违规,或者侵犯商业秘密、侵犯著作权等,请点击“违规举报”。

碎片内容

常用围护结构施工机械及效率

确认删除?
VIP
微信客服
  • 扫码咨询
会员Q群
  • 会员专属群点击这里加入QQ群
客服邮箱
回到顶部