电脑桌面
添加小米粒文库到电脑桌面
安装后可以在桌面快捷访问

宁夏工业产品取水定额表VIP免费

宁夏工业产品取水定额表_第1页
1/8
宁夏工业产品取水定额表_第2页
2/8
宁夏工业产品取水定额表_第3页
3/8
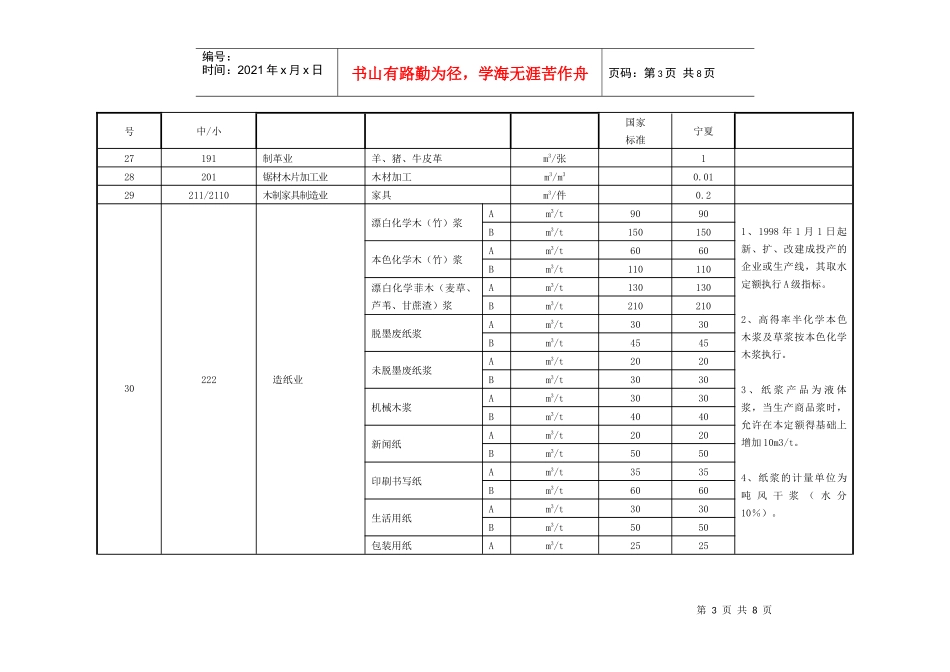
第1页共8页编号:时间:2021年x月x日书山有路勤为径,学海无涯苦作舟页码:第1页共8页宁夏工业产品取水定额表编号行业代码行业名称产品名称单位定额备注中/小国家标准宁夏1061/0610煤炭开采业原煤m3/t0.72062/0620煤炭洗选业洗煤m3/t13131/1311碾米业大米m3/t0.054131/1312磨粉业面粉m3/t0.55131/1314饲料制造业混合饲料m3/t16132植物油加工业植物油m3/t2.57133制糖业机制白糖m3/t608134/1341屠宰业牛m3/头1.3羊m3/只0.5猪m3/头0.69134/1342糖果业水果糖m3/t7.510141/1412糕点业糕点m3/t12011142乳制品制造业鲜奶m3/t15奶粉m3/t5012143罐头食品制造业罐头m3/t2513144/1442味精制造业味精m3/t16014145酱油、醋类制造业酱油、醋m3/t315145/1453调味品制造业调味品m3/t516149/1491豆制品制造业豆腐、豆干、豆桨等L/kg28第2页共8页第1页共8页编号:时间:2021年x月x日书山有路勤为径,学海无涯苦作舟页码:第2页共8页17149/1492淀粉及淀粉制造业玉米淀粉m3/t10马铃薯淀粉m3/t2718151/1511洒精制造业酒精m3/t5019151/1512白洒制造业白洒m3/t2520151/1512啤酒制造业啤酒m3/t1821151/1515葡萄洒制造业葡萄酒m3/t2522162/1620卷烟制造业卷烟m3/标箱223172/1721棉纺业棉纱、棉线m3/t8024172/1722棉织业棉织布m3/百米525174毛纺织业原毛加工m3/t≤200200粗纺、精纺m3/百米≤4.020绒线m3/t≤20010026176麻纺织业亚麻纱m3/t≤200200湿纺工艺亚麻布m3/百米≤420毛毯m3/千条200地毯m3/m24宁夏工业产品取水定额表(续)编行业代码行业名称产品名称单位定额备注第3页共8页第2页共8页编号:时间:2021年x月x日书山有路勤为径,学海无涯苦作舟页码:第3页共8页号中/小国家标准宁夏27191制革业羊、猪、牛皮革m3/张128201锯材木片加工业木材加工m3/m30.0129211/2110木制家具制造业家具m3/件0.230222造纸业漂白化学木(竹)浆Am3/t90901、1998年1月1日起新、扩、改建成投产的企业或生产线,其取水定额执行A级指标。2、高得率半化学本色木浆及草浆按本色化学木浆执行。3、纸浆产品为液体浆,当生产商品浆时,允许在本定额得基础上增加10m3/t。4、纸浆的计量单位为吨风干浆(水分10%)。Bm3/t150150本色化学木(竹)浆Am3/t6060Bm3/t110110漂白化学菲木(麦草、芦苇、甘蔗渣)浆Am3/t130130Bm3/t210210脱墨废纸浆Am3/t3030Bm3/t4545未脱墨废纸浆Am3/t2020Bm3/t3030机械木浆Am3/t3030Bm3/t4040新闻纸Am3/t2020Bm3/t5050印刷书写纸Am3/t3535Bm3/t6060生活用纸Am3/t3030Bm3/t5050包装用纸Am3/t2525第4页共8页第3页共8页编号:时间:2021年x月x日书山有路勤为径,学海无涯苦作舟页码:第4页共8页Bm3/t5050白纸板Am3/t3030Bm3/t5050箱纸板Am3/t2525Bm3/t4040瓦楞原纸Am3/t2525Bm3/t404031252/2520原油加工业汽油、柴油等成品油m3/t≤1.21.2燃料型炼油厂m3/t≤1.21.032261/2611无机酸制造业硫酸等m3/t45水洗流程m3/t15封闭酸洗流程宁夏工业产品取水定额表(续)编号行业代码行业名称产品名称单位定额备注中/小国家标准宁夏33262化学肥料制造业磷酸氢二铵m3/t15尿素m3/t15碳酸氢铵m3/t1534265/2652涂料制造业油漆、涂料m3/t3第5页共8页第4页共8页编号:时间:2021年x月x日书山有路勤为径,学海无涯苦作舟页码:第5页共8页染料m3/t2035267/2674炸药及火工产品制造业民用爆破产品m3/t2036268/2681肥皂、合成洗涤剂制造业肥皂、洗衣粉等m3/t1537272/2720化学原料药制造业泰乐菌素m3/t1500盐酸四环素m3/t1000红霉素m3/t50038273/2730中药材及中成药加工业中成药m3/t15039291/2910轮胎制造业轮胎m3/万元30m3/万元轮胎垫带m3/条0.25运输带m3/长米0.240294/2940橡胶零件制造业橡胶杂品m3/t4041301/3010塑料薄膜制造业防渗布、防渗膜等m3/t18042302/3020塑料板、管材制造业pvc管、聚乙稀管、薄膜弯管等m3/t143303/3030塑料丝、绳及编织品制造业编织袋m3/万条544307/3070日用塑料杂品制造业塑料桶、盆等m3/t1545311/3110水泥制造业水泥m3/t0.3混凝土m3/t1.146312/3121石棉瓦m3/张0.2第6页共8页第5页共8页编号:时间:2021年x月x日书山有路勤为径,学海无涯苦作舟页码:第6页共8页水泥制品和石棉制品制造业水泥管m3/标米0.3...

1、当您付费下载文档后,您只拥有了使用权限,并不意味着购买了版权,文档只能用于自身使用,不得用于其他商业用途(如 [转卖]进行直接盈利或[编辑后售卖]进行间接盈利)。
2、本站所有内容均由合作方或网友上传,本站不对文档的完整性、权威性及其观点立场正确性做任何保证或承诺!文档内容仅供研究参考,付费前请自行鉴别。
3、如文档内容存在违规,或者侵犯商业秘密、侵犯著作权等,请点击“违规举报”。

碎片内容

宁夏工业产品取水定额表

确认删除?
VIP
微信客服
  • 扫码咨询
会员Q群
  • 会员专属群点击这里加入QQ群
客服邮箱
回到顶部