电脑桌面
添加小米粒文库到电脑桌面
安装后可以在桌面快捷访问

房屋建筑工程图绘图指导VIP免费

房屋建筑工程图绘图指导_第1页
1/26
房屋建筑工程图绘图指导_第2页
2/26
房屋建筑工程图绘图指导_第3页
3/26
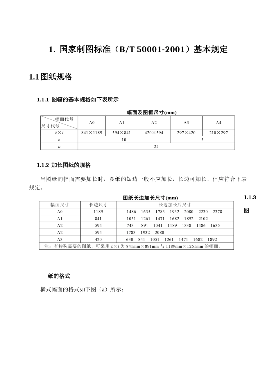
房屋建筑工程图绘图指导北京交通大学土建学院建工系工程图学课程组2010-3目录房屋建筑工程图绘图指导............................................................................................11.国家制图标准(B/T50001-2001)基本规定....................................................31.1图纸规格.....................................................................................................31.2图线.............................................................................................................51.3字体.............................................................................................................61.4比例.............................................................................................................72.房屋建筑施工图(B/T50104-2001)...............................................................82.1建筑施工图的内容及图纸编号..................................................................82.2图线.............................................................................................................82.3符号.............................................................................................................82.4尺寸标注...................................................................................................112.5平面图绘制要求.......................................................................................112.6立面图.......................................................................................................132.7剖面图.......................................................................................................132.8详图...........................................................................................................142.9其他规定...................................................................................................143.房屋结构施工图...............................................................................................153.1一般规定(B/T50105-2001)..................................................................153.2钢筋混凝土结构图...................................................................................183.3钢结构图...................................................................................................191.国家制图标准(B/T50001-2001)基本规定1.1图纸规格1.1.1图幅的基本规格如下表所示1.1.2加长图纸的规格当图纸的幅面需要加长时,图纸的短边一般不应加长,长边可加长,但应符合下表规定。1.1.3图纸的格式横式幅面的格式如下图(a)所示:(a)(b)竖式幅面的格式如上图(b)所示。1.1.4绘制图框线、标题栏线的线宽应符合下表中的规定。1.1.5标题栏及会签栏的基本规定(1)标题栏应按右图所示,根据工程需要选择确定其尺寸、格式及分区。签字区应包含实名列和签名列。涉外工程的标题栏内,各项主要内容的中文下方应附有译文,设计单位的上方或左方,应加“中华人民共和国”字样。(2)会签栏应按右图的格式绘制,其尺寸应为100mm×20mm,栏内应填写会统一签人员所代表的专业、姓名、日期(年、月、日);一个会签栏不够时,可另加一个,标两个会签栏应并列;不需会签的图纸可不设会签栏。1.2图线1.2.1线宽基本线宽度b,宜从下列线宽系列中选取:2.0、1.4、1.0、0.7、0.5、0.35mm。根据选定线宽b,再选用下表中相应的线宽组。常用线宽为0.7或0.5mm。1.2.2图线的相关规定(1)相互平行的图线,其间隙不宜小于其中的粗线宽度,且不宜小于0.7mm。(2)单点长画线或双点长画线,当在较小图形中绘制有困难时,可用实线代替。(3)图线不得与文字、数...

1、当您付费下载文档后,您只拥有了使用权限,并不意味着购买了版权,文档只能用于自身使用,不得用于其他商业用途(如 [转卖]进行直接盈利或[编辑后售卖]进行间接盈利)。
2、本站所有内容均由合作方或网友上传,本站不对文档的完整性、权威性及其观点立场正确性做任何保证或承诺!文档内容仅供研究参考,付费前请自行鉴别。
3、如文档内容存在违规,或者侵犯商业秘密、侵犯著作权等,请点击“违规举报”。

碎片内容

房屋建筑工程图绘图指导

海纳百川+ 关注
实名认证
内容提供者

热爱教学事业,对互联网知识分享很感兴趣

确认删除?
VIP
微信客服
  • 扫码咨询
会员Q群
  • 会员专属群点击这里加入QQ群
客服邮箱
回到顶部