电脑桌面
添加小米粒文库到电脑桌面
安装后可以在桌面快捷访问

预制箱梁监理实施细则VIP免费

预制箱梁监理实施细则_第1页
1/27
预制箱梁监理实施细则_第2页
2/27
预制箱梁监理实施细则_第3页
3/27
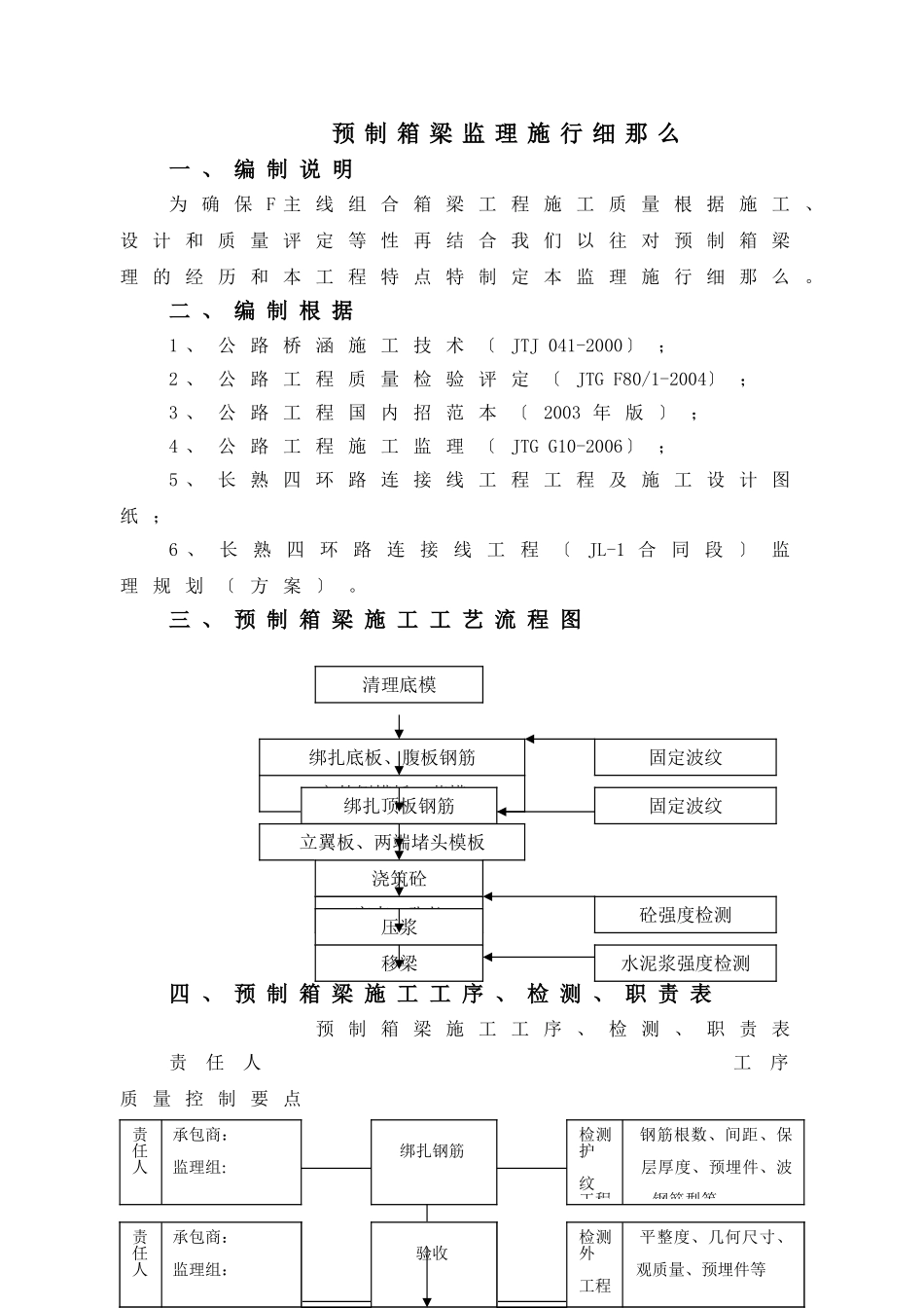
预制箱梁监理施行细那么一、编制说明为确保F主线组合箱梁工程施工质量根据施工、设计和质量评定等性再结合我们以往对预制箱梁理的经历和本工程特点特制定本监理施行细那么。二、编制根据1、公路桥涵施工技术〔JTJ041-2000〕;2、公路工程质量检验评定〔JTGF80/1-2004〕;3、公路工程国内招范本〔2003年版〕;4、公路工程施工监理〔JTGG10-2006〕;5、长熟四环路连接线工程工程及施工设计图纸;6、长熟四环路连接线工程〔JL-1合同段〕监理规划〔方案〕。三、预制箱梁施工工艺流程图四、预制箱梁施工工序、检测、职责表预制箱梁施工工序、检测、职责表责任人工序质量控制要点清理底模绑扎底板、腹板钢筋立外侧模板、芯模绑扎顶板钢筋立翼板、两端堵头模板浇筑砼穿束、张拉压浆移梁水泥浆强度检测砼强度检测固定波纹固定波纹责承包商:任人监理组:钢绞线张拉检测钢绞线长度、间距、根工程数、张拉应力、伸长值、油顶质量等责承包商:任人监理组:绑扎钢筋检测钢筋根数、间距、保护层厚度、预埋件、波纹工程、钢筋型等责承包商:任人监理组:模板制立检测平整度、拼缝、轴线偏位、几何尺寸垂直度、标工程高、清洁度等责承包商:任人监理组:混凝土浇筑检测混凝土配合比、运输、振捣、收光、抹面、拉工程毛、强度等责承包商:任人监理组:养生检测养生、次数工程责承包商:任人监理组:钢绞线压浆检测配比、实度、饱满度工程等责承包商:任人监理组:验收检测平整度、几何尺寸、外观质量、预埋件等工程五、监理工作内容1、施工准备阶段1.1、审查承包人施工组织设计承包人应编制详细的施工组织设计内容包括:施工场地布置、施工顺序、工程数量、施工、施工力量部署、机械调配、工程进度、材料供给、平安环保措施等报总监理工程师审批合格后才能施工。1.2、检查原材料质量和混凝土配合比的审批水泥、细集料、粗集料、钢筋和外加剂等原材料必须符合有关技术特别是水泥、钢筋和外加剂必需要有出厂合格证施工前所有原材料必须经总监办抽检合格后才能使用。工程部试验室应提早做好混凝土配合比设计及时上报总监办审核批准合格后才能使用。1.3、锚具、夹具和连接器质量检查1.3.1、预应力筋锚具、夹具和连接器应具有可靠的锚固性能、足够的承载才能和良好的适用性能保证充分发挥预应力筋的强度平安地实现预应力张拉作业并应符合现行?预应力筋锚具、夹具和连接器?(GB/T14370)的要求;预应力筋锚具应按设计要求采用。锚具应满足分级张拉、补张拉以及放松预应力的要求。用于后张构造时锚具或其附件上宜设置压浆孔或排气孔压浆孔应有足够的截面面积以保证浆液的畅通;夹具应具有良好的自锚性能、松锚性能和重复使用性能。需敲击才能松开的夹具必须保证其对预应力筋的锚固没有影响且对操作人员的平安不造成危险;用于后张法的连接器必须符合锚具的性能要求。1.4、波纹质量检查道成孔采用钢波纹当采用卷制钢波纹时钢带的厚度不小于0.35mm必需要保证用于施工中的波纹不锈蚀、不破损、并且顺直同时接头应保证不漏浆。1.5、底模质量检查必需要根据地质情况采取有效措施确保底模不发生沉降问题特别要加大对底模两端的地基处理保证在张拉时两端不会由于张拉力作用而发生下沉。要对底模的标高进展测量必需要保证在同一标高处在施工过程中要对标高指标进展不定地观察以免影响施工质量。底模要保证平整尽量使用大块的厚钢板进展铺设同时必需要处理好接缝的质量。在两端的活动底模处必需要保证接缝的平整、实。1.6、检查施工机械设备工程部应根据设计的要求施工工作量施工条件等因素选择适宜的施工设备同时还必须装备足够的备用设备并且必须保证设备的完好。总监办将重点审查模板、起重设备、砼的集中拌和设备、砼搅拌运输车以及工地常用检测设施等设备是否符合施工要求特别是砼拌和设备的拌和才能与砼搅拌运输车的运输才能应能满足砼在高温连续施工不发生施工冷缝的要求。2、施工阶段2.1、检查底模质量、应进展经常性的标高测量〔应设有预拱度〕以观察底模有无沉降;、及时要对底模破损、锈蚀和不平整的部分进展完善处理以保证底模平整、光滑;并均匀涂抹合格的隔离剂当在底模上绑扎钢筋时应有措施保证底模不...

1、当您付费下载文档后,您只拥有了使用权限,并不意味着购买了版权,文档只能用于自身使用,不得用于其他商业用途(如 [转卖]进行直接盈利或[编辑后售卖]进行间接盈利)。
2、本站所有内容均由合作方或网友上传,本站不对文档的完整性、权威性及其观点立场正确性做任何保证或承诺!文档内容仅供研究参考,付费前请自行鉴别。
3、如文档内容存在违规,或者侵犯商业秘密、侵犯著作权等,请点击“违规举报”。

碎片内容

预制箱梁监理实施细则

您可能关注的文档

确认删除?
VIP
微信客服
  • 扫码咨询
会员Q群
  • 会员专属群点击这里加入QQ群
客服邮箱
回到顶部