电脑桌面
添加小米粒文库到电脑桌面
安装后可以在桌面快捷访问

常州市交通建设桥梁工程质量VIP免费

常州市交通建设桥梁工程质量_第1页
1/6
常州市交通建设桥梁工程质量_第2页
2/6
常州市交通建设桥梁工程质量_第3页
3/6
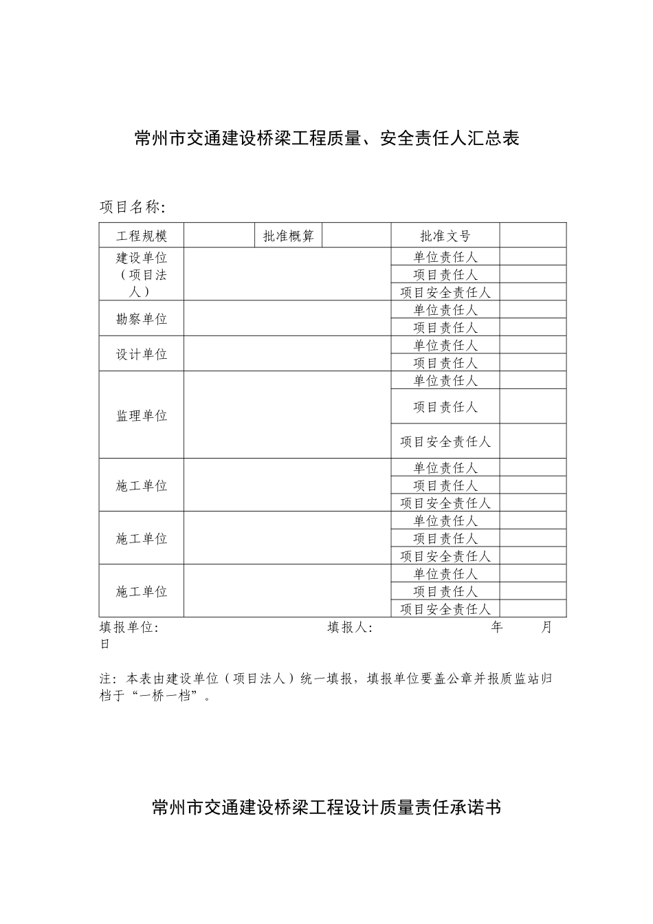
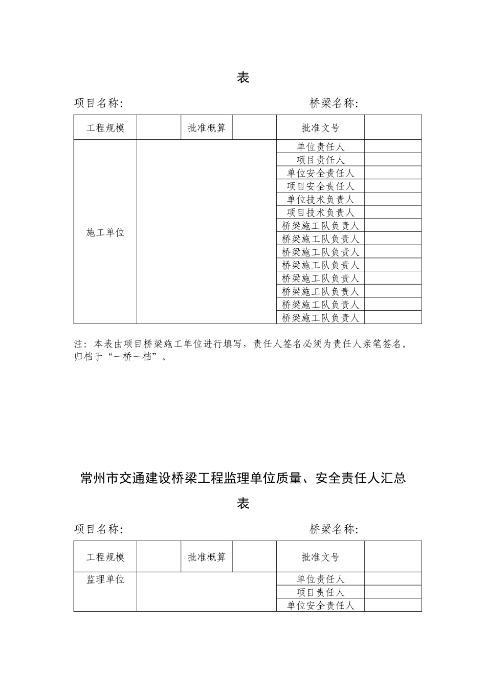
常州市交通建设桥梁工程质量、安全责任人汇总表项目名称:工程规模批准概算批准文号建设单位(项目法人)单位责任人项目责任人项目安全责任人勘察单位单位责任人项目责任人设计单位单位责任人项目责任人监理单位单位责任人项目责任人项目安全责任人施工单位单位责任人项目责任人项目安全责任人施工单位单位责任人项目责任人项目安全责任人施工单位单位责任人项目责任人项目安全责任人填报单位:填报人:年月日注:本表由建设单位(项目法人)统一填报,填报单位要盖公章并报质监站归档于“一桥一档”。常州市交通建设桥梁工程设计质量责任承诺书单位名称:桥梁名称:工程项目合同段建设规模(承担内容)合同价单位责任人项目责任人单位责任人承诺本人郑重承诺:该项目桥梁,经过我院设计,该结构满足设计规范要求,设计安全系数达到,勘察设计深度符合国家规范要求。单位:(公章)姓名:(签字)联系电话:日期项目责任人承诺本人郑重承诺:该项目桥梁,经过我院设计,该结构满足设计规范要求,设计安全系数达到,勘察设计深度符合国家规范要求。单位:(公章)姓名:(签字)联系电话:日期注:本表由设计单位进行填写,并由建设单位报质监站归档于“一桥一档”。常州市交通建设桥梁工程施工单位质量、安全责任人汇总表项目名称:桥梁名称:工程规模批准概算批准文号施工单位单位责任人项目责任人单位安全责任人项目安全责任人单位技术负责人项目技术负责人桥梁施工队负责人桥梁施工队负责人桥梁施工队负责人桥梁施工队负责人桥梁施工队负责人桥梁施工队负责人桥梁施工队负责人桥梁施工队负责人注:本表由项目桥梁施工单位进行填写,责任人签名必须为责任人亲笔签名。归档于“一桥一档”。常州市交通建设桥梁工程监理单位质量、安全责任人汇总表项目名称:桥梁名称:工程规模批准概算批准文号监理单位单位责任人项目责任人单位安全责任人项目安全责任人结构工程师结构工程师结构工程师监理员监理员监理员监理员监理员监理员监理员注:本表由项目桥梁监理单位进行填写,责任人签名必须为责任人亲笔签名。归档于“一桥一档”。常州市交通建设桥梁工程基础资料登记表项目名称:桥梁名称:结构部位结构型式主要技术指标、强度指标下部结构上部结构注:本表由项目桥梁监督工程师负责进行填写。常州市交通建设桥梁工程工序质量运行记录表项目名称:桥梁名称:工序名称施工单位验收记录承包人:(签字)年月日监理单位验收记录驻地监理工程师:(签字)年月日质监工程师验收记录质监工程师:(签字)年月日注:桥梁施工每一道工序应该进行检查验收,并报监理验收办理签证手续。质监工程师只对下部隐蔽工程进行验收签证。

1、当您付费下载文档后,您只拥有了使用权限,并不意味着购买了版权,文档只能用于自身使用,不得用于其他商业用途(如 [转卖]进行直接盈利或[编辑后售卖]进行间接盈利)。
2、本站所有内容均由合作方或网友上传,本站不对文档的完整性、权威性及其观点立场正确性做任何保证或承诺!文档内容仅供研究参考,付费前请自行鉴别。
3、如文档内容存在违规,或者侵犯商业秘密、侵犯著作权等,请点击“违规举报”。

碎片内容

常州市交通建设桥梁工程质量

海纳百川+ 关注
实名认证
内容提供者

热爱教学事业,对互联网知识分享很感兴趣

确认删除?
VIP
微信客服
  • 扫码咨询
会员Q群
  • 会员专属群点击这里加入QQ群
客服邮箱
回到顶部