电脑桌面
添加小米粒文库到电脑桌面
安装后可以在桌面快捷访问

电焊、气焊操作安全技术交底VIP免费

电焊、气焊操作安全技术交底_第1页
1/24
电焊、气焊操作安全技术交底_第2页
2/24
电焊、气焊操作安全技术交底_第3页
3/24
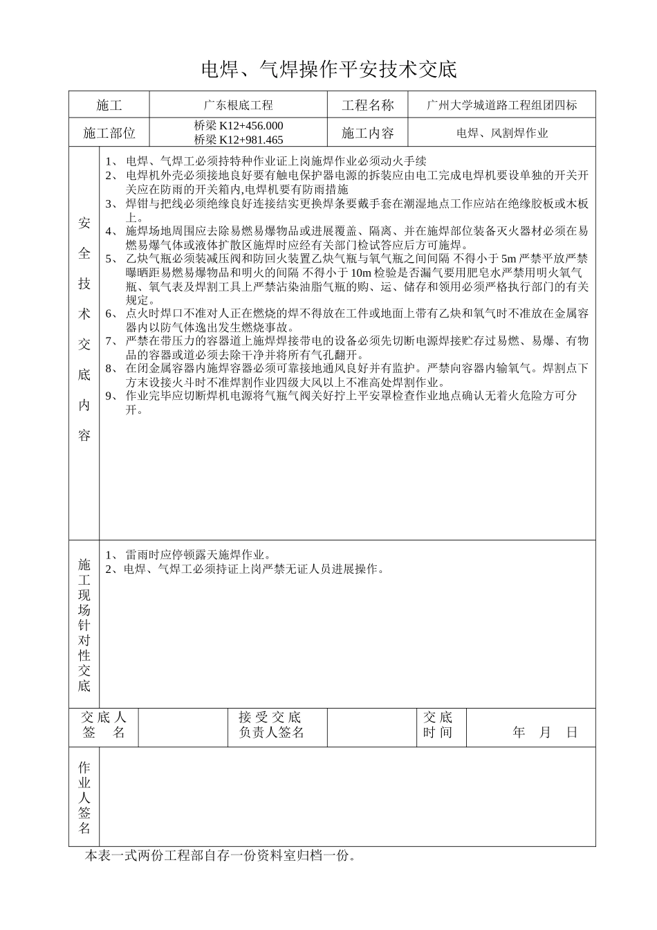
电焊、气焊操作平安技术交底施工广东根底工程工程名称广州大学城道路工程组团四标施工部位桥梁K12+456.000桥梁K12+981.465施工内容电焊、风割焊作业安全技术交底内容1、电焊、气焊工必须持特种作业证上岗施焊作业必须动火手续2、电焊机外壳必须接地良好要有触电保护器电源的拆装应由电工完成电焊机要设单独的开关开关应在防雨的开关箱内,电焊机要有防雨措施3、焊钳与把线必须绝缘良好连接结实更换焊条要戴手套在潮湿地点工作应站在绝缘胶板或木板上。4、施焊场地周围应去除易燃易爆物品或进展覆盖、隔离、并在施焊部位装备灭火器材必须在易燃易爆气体或液体扩散区施焊时应经有关部门检试答应后方可施焊。5、乙炔气瓶必须装减压阀和防回火装置乙炔气瓶与氧气瓶之间间隔不得小于5m严禁平放严禁曝晒距易燃易爆物品和明火的间隔不得小于10m检验是否漏气要用肥皂水严禁用明火氧气瓶、氧气表及焊割工具上严禁沾染油脂气瓶的购、运、储存和领用必须严格执行部门的有关规定。6、点火时焊口不准对人正在燃烧的焊不得放在工件或地面上带有乙炔和氧气时不准放在金属容器内以防气体逸出发生燃烧事故。7、严禁在带压力的容器道上施焊焊接带电的设备必须先切断电源焊接贮存过易燃、易爆、有物品的容器或道必须去除干净并将所有气孔翻开。8、在闭金属容器内施焊容器必须可靠接地通风良好并有监护。严禁向容器内输氧气。焊割点下方末设接火斗时不准焊割作业四级大风以上不准高处焊割作业。9、作业完毕应切断焊机电源将气瓶气阀关好拧上平安罩检查作业地点确认无着火危险方可分开。施工现场针对性交底1、雷雨时应停顿露天施焊作业。2、电焊、气焊工必须持证上岗严禁无证人员进展操作。交底人签名接受交底负责人签名交底时间年月日作业人签名本表一式两份工程部自存一份资料室归档一份。施工工程平安技术交底进入施工现场人员平安技术交底施工广东根底工程工程名称广州大学城道路工程组团四标施工部位组团四标道路工程工区施工内容现场施工人员安全技术交底内容1、按照施工方案的要求作业;2、严格遵守平安、文明施工的规章制度和平安操作规程严禁违章指挥和作业。3、进入施工现场必须按规定正确戴好平安帽、穿戴劳保用品佩戴胸卡施工区域不准赤脚、赤膊不准穿拖鞋、凉鞋无关人员不得进入施工区域;4、严禁5、必须持有效的适航证件上岗;6、施工船只进入施工水域前发布?船行?并按港监部门要求在施工水域设置浮标和导航灯、信灯、旗等以及戒备标志并派专人戒备防止意处发生。7、船只必须装备消防灭火器材救生工具和设施8、施工过程中要合理安排灵敏调度水上船只作业充分利用各潮位进展施工尽量防止各类作业干扰。9、设专人留意收听天气预报提早做好施工现场及施工船舶的避风防台措施工作。10、参与水上施工作业的人员必须会泳作业时配戴救生衣严禁洒后施工作业。施工现场针对性交底1、做好施工过程防滑工作措施装备落水救生设备(救生圈)等,预防意外发生。2、严禁酒后施工作业和操作严禁违章作业做好防晒中暑预防措施工作。交底人签名接受交底负责人签名交底时间年月日作业人员签名本表一式两份工程部自存一份资料室归档一份。本表一式两份工程部自存一份资料室归档一份现场临时用电〔低压〕平安技术交底施工广东根底工程工程名称广州大学城道路工程组团四标施工部位桥梁K12+456.000桥梁K12+981.465施工内容现场施工人员安全技术交底内容1、进入施工现场必须按规定正确戴好平安帽。2、进入施工现场必须严格遵守平安、文明施工的规章制度及安康卫生制度。3、进入施工现场必须穿工作劳保用品鞋佩戴胸卡严禁赤膊、赤脚、穿拖鞋、凉鞋无关人员不得进入施工区域。4、高空作业必须系平安带穿防滑鞋。5、严禁酒后施工作业和操作。6、严禁违章作业做好防晒中暑预防措施工作。7、做好对有害物品、有害气体中的预防措施穿戴防护用品。8、做好施工过程防滑工作措施装备落水救生设备(救生圈)等预防意外发生。现场针对性交底1、大学城施工较多应处理好与其他施工队伍的关系严禁打架斗殴聚众闹事。2、宿舍区离施工现场较近往返要注意路途平安。交底人签名接受交底负责人签名交底时间年月日作业人签名本表一式两份工程部...

1、当您付费下载文档后,您只拥有了使用权限,并不意味着购买了版权,文档只能用于自身使用,不得用于其他商业用途(如 [转卖]进行直接盈利或[编辑后售卖]进行间接盈利)。
2、本站所有内容均由合作方或网友上传,本站不对文档的完整性、权威性及其观点立场正确性做任何保证或承诺!文档内容仅供研究参考,付费前请自行鉴别。
3、如文档内容存在违规,或者侵犯商业秘密、侵犯著作权等,请点击“违规举报”。

碎片内容

电焊、气焊操作安全技术交底

您可能关注的文档

海纳百川+ 关注
实名认证
内容提供者

热爱教学事业,对互联网知识分享很感兴趣

确认删除?
VIP
微信客服
  • 扫码咨询
会员Q群
  • 会员专属群点击这里加入QQ群
客服邮箱
回到顶部