电脑桌面
添加小米粒文库到电脑桌面
安装后可以在桌面快捷访问

十漫高速公路第二高驻办监理大纲VIP免费

十漫高速公路第二高驻办监理大纲_第1页
1/42
十漫高速公路第二高驻办监理大纲_第2页
2/42
十漫高速公路第二高驻办监理大纲_第3页
3/42
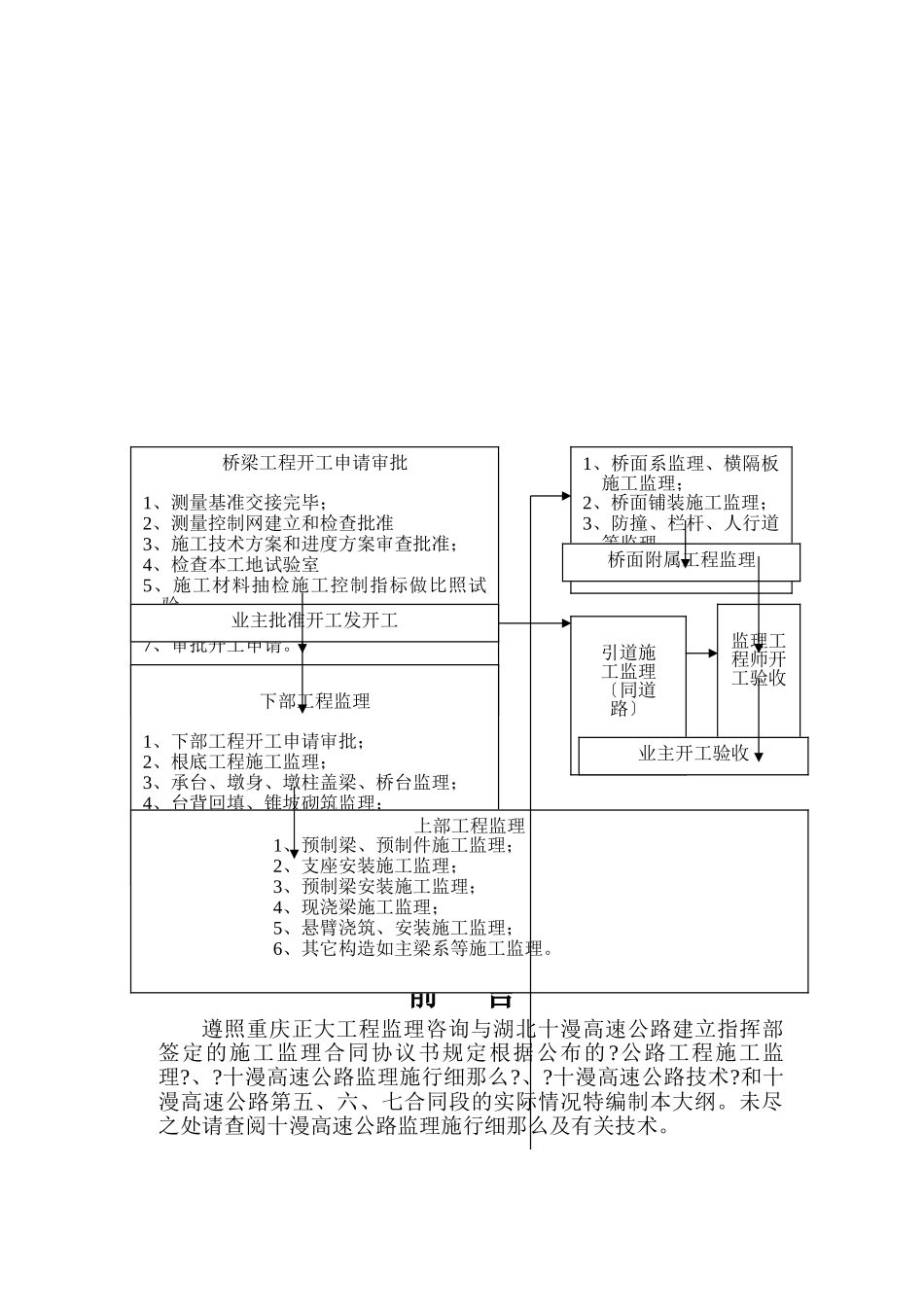
十漫高速公路第二高驻办(K38+965至K71+800)监理大纲编制:张志文审核:唐寿鑫审批:目录前言第一章:工程概况第二章:主要工程数量第三章:监理工作目的第四章:监理组织机构与人员一、监理组织机构二、监理人员三、监理岗位职责四、监理人员守那么第五章:监理的施行一、施工准备阶段的监理工作二、施工阶段的监理工作(一)工程质量监理(二)工程进度监理(三)工程费用监理(四)合同理(五)信息与文档理(六)环境保护与平安文明监理三、交工及缺陷责任阶段的监理工作四、监理记录与监理月报(一)监理记录(二)监理月报第六章:各专业监理工作要点及工作程序一、试验检测监理工作要点及程序(一)监理工程师的试验检测工作要点(二)对承包人的试验检测要求(三)路基填料的要求及检测频率(四)砼检测频率(五)砂浆检测频率(六)钢材检测频率(七)石料检测频率(八)试验检测监理工作程序框图二、施工测量监理工作要点及程序(一)施工测量监理工作要点(二)施工测量监理程序框图三、工程计量与支付监理工作要点及程序(一)计量监理工作要点(二)前支付(三)中支付(四)最终支付(五)计量支付程序框图四、路基、防护及排水工程施工监理工作要点及程序〔一〕路基施工监理工作要点〔二〕防护及排水工程监理工作要点(三)路基施工监理工作程序框图五、桥梁监理工作要点及程序〔一〕桥梁施工监理工作要点〔二〕桥梁监理工作程序框图六、隧道监理工作要点及程序〔一〕隧道监理工作要点〔二〕隧道监理工作程序框图图14桥梁工程监理工作程序框图前言遵照重庆正大工程监理咨询与湖北十漫高速公路建立指挥部签定的施工监理合同协议书规定根据公布的?公路工程施工监理?、?十漫高速公路监理施行细那么?、?十漫高速公路技术?和十漫高速公路第五、六、七合同段的实际情况特编制本大纲。未尽之处请查阅十漫高速公路监理施行细那么及有关技术。桥梁工程开工申请审批1、测量基准交接完毕;2、测量控制网建立和检查批准3、施工技术方案和进度方案审查批准;4、检查本工地试验室5、施工材料抽检施工控制指标做比照试验;6、施工人员、设备、材料准备情况审核;7、审批开工申请。业主批准开工发开工下部工程监理1、下部工程开工申请审批;2、根底工程施工监理;3、承台、墩身、墩柱盖梁、桥台监理;4、台背回填、锥坡砌筑监理;5、枕梁、搭板监理。1、桥面系监理、横隔板施工监理;2、桥面铺装施工监理;3、防撞、栏杆、人行道等监理。桥面附属工程监理引道施工监理〔同道路〕监理工程师开工验收业主开工验收上部工程监理1、预制梁、预制件施工监理;2、支座安装施工监理;3、预制梁安装施工监理;4、现浇梁施工监理;5、悬臂浇筑、安装施工监理;6、其它构造如主梁系等施工监理。第一章工程概况根据?公路工程技术?〔JTJ001—97〕十漫高速公路的设计为:设计行车速度80km/h的双向四车道高速公路;整体式路基宽度24.5m分隔带宽1.5m桥梁与路基同宽;别离式路基宽度12.5m桥梁宽度12.2m。桥涵设计荷载为汽车—超20级验算荷载为挂车—120;特大桥设计洪水频率为1/300其它构造物及路基均为设计洪水频率1/100。第二高驻办负责监理第五、六、七等三个合同段道路全长32.637km。第五合同段起於郧青曲镇附近青曲互通式立交的起点桩为k38+965道路经郭家沟至寺坪经大院在杨家院界碑关隧道进入郧西沿着郧漫公路走廊前进终点止於郧西七里岗桩为k47+970。第五合同段道路全长9.005km。第同段起於郧西河夹镇扬家湾村的七里岗桩为k47+970道路经张家沟、河夹镇、云台观、穆家铺、在后沟附近穿火车岭隧道至芦茨沟终点止於郧西城关镇的红岩子桩为k58+346.954。第同段道路全长10.377km。第七合同段起於郧西城南5.5km处的红岩子桩为k58+4.791〔第同段终点桩为k58+346.954断链长度297.837m〕经石梯子、鳌盖子、跨越天河沿郧西城西郊鸡心山东侧展线经郧西效劳区后再跨越天河经韭菜涯、王家院、终点止於郧西城西北3.5km王家台子的郧西互通立交处桩为k71+800。第七合同段道路全长13.155km。第二章主要工程数量一、道路长度:32.835km。二、路基土石方:土方:1688006m3;石方:3059543m3;土石方共计:4747549m3;...

1、当您付费下载文档后,您只拥有了使用权限,并不意味着购买了版权,文档只能用于自身使用,不得用于其他商业用途(如 [转卖]进行直接盈利或[编辑后售卖]进行间接盈利)。
2、本站所有内容均由合作方或网友上传,本站不对文档的完整性、权威性及其观点立场正确性做任何保证或承诺!文档内容仅供研究参考,付费前请自行鉴别。
3、如文档内容存在违规,或者侵犯商业秘密、侵犯著作权等,请点击“违规举报”。

碎片内容

十漫高速公路第二高驻办监理大纲

确认删除?
VIP
微信客服
  • 扫码咨询
会员Q群
  • 会员专属群点击这里加入QQ群
客服邮箱
回到顶部