电脑桌面
添加小米粒文库到电脑桌面
安装后可以在桌面快捷访问

安全生产风险管理体系审核评分表VIP专享VIP免费

安全生产风险管理体系审核评分表_第1页
1/133
安全生产风险管理体系审核评分表_第2页
2/133
安全生产风险管理体系审核评分表_第3页
3/133
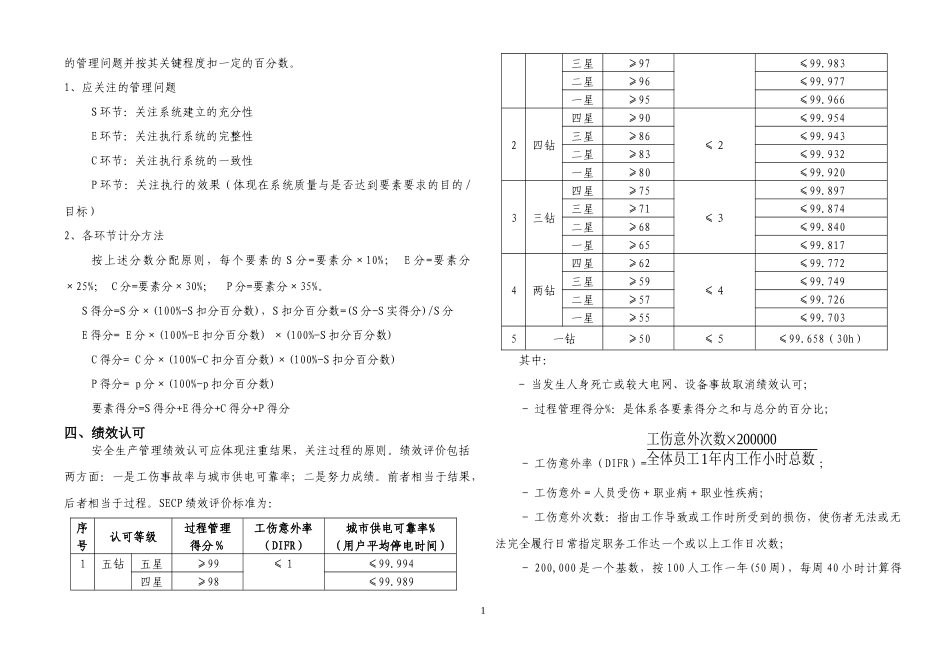
一、前言随着人类社会的进步和发展,在基础行业实施安全风险管理已成为国际化的趋势。中国南方电网公司经过近五年的努力,研究建立了基于风险、涵盖电力生产各环节、又具有南方电网特色的安全生产风险管理体系。体系于2007年10月正式发布,并在公司系统发供电单位逐步推广应用。安全生产风险管理体系的建立,标志着公司拥有了一套系统、规范的安全生产管理模式与方法,同时也进一步提升了公司安全生产管理的“软实力”。然而,推广应用安全生产风险管理体系并不是我们的最终目的,通过体系应用,提高安全风险控制能力,提升安全管理水平和管理绩效才是我们的目标。因此,如何促进安全生产管理,客观、公正地评价和真实地反映体系应用的绩效,采用什么方法和手段去衡量和评价,是我们在推行安全生产风险管理过程中应重点关注和解决的问题。体系审核目的是运用安全生产风险管理体系思想方法,对照体系内容和企业体系实际运行情况,挖掘安全生产管理存在问题,全面、系统地诊断企业安全生产管理的充分性、适宜性和有效性,并从SECP四个环节“策划(scheme)、执行(execution)、依从(consistency)、绩效(performance)”,综合诊断企业体系运行绩效和改进机会。公司组织编制的安全生产风险管理体系审核指南旨在为审核人员提供一个审核工具,它提出了PDCA审核思路和主要关注的问题,为审核员在进行体系审核时提供参考。二、审核原则与方法安全生产风险管理体系的主要核心是系统化和规范化管理。因此,透过现象看本质,深度挖掘管理存在问题是体系审核的基本原则。审核时,审核员应遵循以下审核方法:一是以PDCA闭环管理流程为审核思路,通过相关管理或工作痕迹,以文件查阅、现场验证和抽样询问等方式,查找各环节问题或不符合事项。二是对发现问题/不符合事项,按SECP进行归类分析和诊断,分析各要素在策划、执行、依从、绩效各阶段表现,包括工作亮点和改进机会。三是分析存在问题/不符合项在SECP各阶段中所占比例和关键程度,按照计分方法计算SECP各阶段得分。三、分数分配与计分方法(一)分数分配根据体系内容的系统性原理,审核指南已经按一定的比例给出各单元及要素分数,每个要素的分数将按以下比例分配到SECP各环节:环节分数%要素的策划/系统建立:资源、标准及支持文件的准备(S)10系统包括标准/计划及支持文件执行(E)25对建立系统包括标准/计划及支持文件执行的依从程度(C)30绩效:系统包括标准及支持文件质量和实际达到目的/目标(P)35总分100体系各单元分数分配如下:第一单元1795分,第二单元1470分,第三单元1200分,第四单元870分,第五单元910分,第六单元1870分,第七单元520分,第八单元575分,第九单元600分,总计9810分。(二)计分方法计算SECP各环节分数时,应通过审核发现的具体问题,分析各环节存在的管理问题并按其关键程度扣一定的百分数。1、应关注的管理问题S环节:关注系统建立的充分性E环节:关注执行系统的完整性C环节:关注执行系统的一致性P环节:关注执行的效果(体现在系统质量与是否达到要素要求的目的/目标)2、各环节计分方法按上述分数分配原则,每个要素的S分=要素分×10%;E分=要素分×25%;C分=要素分×30%;P分=要素分×35%。S得分=S分×(100%-S扣分百分数),S扣分百分数=(S分-S实得分)/S分E得分=E分×(100%-E扣分百分数)×(100%-S扣分百分数)C得分=C分×(100%-C扣分百分数)×(100%-S扣分百分数)P得分=p分×(100%-p扣分百分数)要素得分=S得分+E得分+C得分+P得分四、绩效认可安全生产管理绩效认可应体现注重结果,关注过程的原则。绩效评价包括两方面:一是工伤事故率与城市供电可靠率;二是努力成绩。前者相当于结果,后者相当于过程。SECP绩效评价标准为:序号认可等级过程管理得分%工伤意外率(DIFR)城市供电可靠率%(用户平均停电时间)1五钻五星≥99≤1≤99.994四星≥98≤99.989三星≥97≤99.983二星≥96≤99.977一星≥95≤99.9662四钻四星≥90≤2≤99.954三星≥86≤99.943二星≥83≤99.932一星≥80≤99.9203三钻四星≥75≤3≤99.897三星≥71≤99.874二星≥68≤99.840一星≥65≤99.8174两钻四星≥62≤4≤99.772三星...

1、当您付费下载文档后,您只拥有了使用权限,并不意味着购买了版权,文档只能用于自身使用,不得用于其他商业用途(如 [转卖]进行直接盈利或[编辑后售卖]进行间接盈利)。
2、本站所有内容均由合作方或网友上传,本站不对文档的完整性、权威性及其观点立场正确性做任何保证或承诺!文档内容仅供研究参考,付费前请自行鉴别。
3、如文档内容存在违规,或者侵犯商业秘密、侵犯著作权等,请点击“违规举报”。

碎片内容

安全生产风险管理体系审核评分表

确认删除?
VIP
微信客服
  • 扫码咨询
会员Q群
  • 会员专属群点击这里加入QQ群
客服邮箱
回到顶部