电脑桌面
添加小米粒文库到电脑桌面
安装后可以在桌面快捷访问

安庆大桥施工组织设计VIP免费

安庆大桥施工组织设计_第1页
1/16
安庆大桥施工组织设计_第2页
2/16
安庆大桥施工组织设计_第3页
3/16
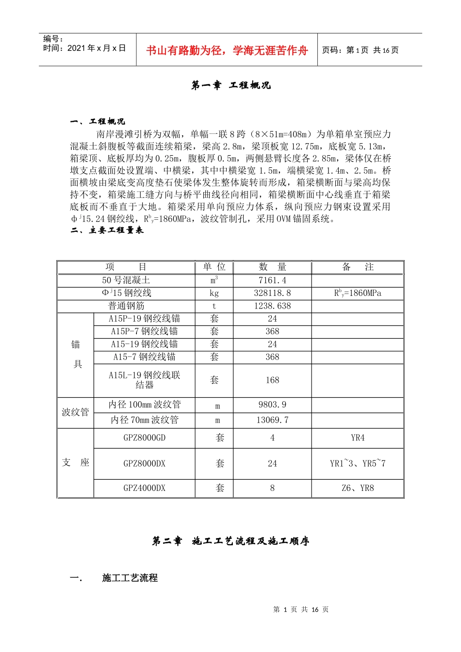
第1页共16页编号:时间:2021年x月x日书山有路勤为径,学海无涯苦作舟页码:第1页共16页第一章工程概况一、工程概况南岸漫滩引桥为双幅,单幅一联8跨(8×51m=408m)为单箱单室预应力混凝土斜腹板等截面连续箱梁,梁高2.8m,梁顶板宽12.75m,底板宽5.13m,箱梁顶、底板厚均为0.25m,腹板厚0.5m,两侧悬臂长度各2.85m,梁体仅在桥墩支点截面处设置端、中横梁,其中中横梁宽1.5m,端横梁宽1.4m、2.5m。桥面横坡由梁底变高度垫石使梁体发生整体旋转而形成,箱梁横断面与梁高均保持不变,箱梁施工缝方向与桥平曲线径向相同,箱梁横断面中心线垂直于箱梁底板而不垂直于大地。箱梁采用单向预应力体系,纵向预应力钢束设置采用фj15.24钢绞线,Rby=1860MPa,波纹管制孔,采用OVM锚固系统。二、主要工程量表项目单位数量备注50号混凝土m37161.4Фj15钢绞线kg328118.8Rby=1860MPa普通钢筋t1238.638锚具A15P-19钢绞线锚套24A15P-7钢绞线锚套368A15-19钢绞线锚套24A15-7钢绞线锚套368A15L-19钢绞线联结器套168波纹管内径100mm波纹管m9803.9内径70mm波纹管m13069.7支座GPZ8000GD套4YR4GPZ8000DX套24YR1~3、YR5~7GPZ4000DX套8Z6、YR8第二章施工工艺流程及施工顺序一.施工工艺流程第2页共16页第1页共16页编号:时间:2021年x月x日书山有路勤为径,学海无涯苦作舟页码:第2页共16页施工前准备移动模架的预拼移动模架的安装场地的填筑底、腹、翼模板的安装移动模架的预压底、腹板、横隔板钢筋的绑扎底板预应力的布置内模、横隔板模板的支立顶、翼板钢筋的绑扎顶板预应力的布置浇注第一跨梁体、横隔板砼砼养生施加预应力压浆、拆模移动模架的下落移动模架行走至第二跨移动模架的顶升上游幅施工完毕移动模架整体横移到下游幅全桥结束循环至上游幅施工完毕循环至下游幅施工完毕施工标准跨后,内模、横隔板模板的拆除第3页共16页第2页共16页编号:时间:2021年x月x日书山有路勤为径,学海无涯苦作舟页码:第3页共16页二、施工顺序本工程配备1套移动模架依次逐跨现浇上、下游幅连续箱梁。移动模架的拼装在上游幅YR7#、YR8#两墩之间完成。先浇筑上游幅,待上游幅浇注完成后,将移动模架后退到YR7#墩至YR8#墩之间,然后采取整体横移的方案,将移动模架移动到下游幅,再浇注下游幅。2、单幅箱梁施工顺序如下:移动模架就位→浇注第一跨(YR8-7)箱梁混凝土→支架前移至第二跨(YR7-6)、浇注箱梁混凝土→支架前移到第三跨(YR6-5),重复上述步骤,直至浇完最后一跨(YR1-Z6)箱梁混凝土→向后牵引移动模架并整体横移。主梁施工顺序和移动模架施工步骤见上图。第三章移动模架施工方法第一节移动模架系统组成整体移动模架系统主要由立柱、托架、主梁、鼻梁、横梁、工作台车、挂梁、内外模系统、操作平台及支撑托架垫块等几部分组成。详见附图1、2、3。1、支撑托架托架为支撑构件,承受梁体模板、混凝土、模架系统自重和施工荷载,托架依附墩柱设置,位于墩柱横桥向两侧,共3套。每个托架主要包括两个悬臂板梁、斜撑及支撑于承台上的钢立柱。墩柱两侧的三角托架间通过12根φ36精扎螺纹筋张拉固定,托架下端由1根钢柱支撑,通过钢柱将托架所受垂直荷载传至承台,钢柱依附墩柱设置。为保证精扎螺纹钢均匀受力,且克服系统纵移时产生的扭矩,对托架精扎螺纹钢进行预拉,预拉力控制在120kN±10kN内,同时采用特制螺帽防止松动。由于上、下游托架间采用螺栓联接,拆除方便,在桥墩上不预设任何埋件或预留孔洞,确保桥墩的外观质量和景观效果。单个悬臂板梁长度:8.815米,重8.128吨。单个斜撑竖直高度4.3米,宽4.79米,重5.28吨。钢立柱是连接支撑托架和承台的部件,起将上部荷载传到承台上的作用。钢立柱的截面尺寸为50cm×47.5cm,高度分别为0.25m0.5m1m2m4m共5种。一套移动模架立柱配置见下表:序号型号节数长度备注10.25m61.5第4页共16页第3页共16页编号:时间:2021年x月x日书山有路勤为径,学海无涯苦作舟页码:第4页共16页20.5m63m31m1212m42m612m54m1248m合计76.5m2、主梁移动模架的主梁共2根,分别支撑在托架上方的顶升千斤顶和相应支撑轮上,主梁为钢箱梁结构,系统重心偏向主梁内侧,主梁按偏心箱型梁设...

1、当您付费下载文档后,您只拥有了使用权限,并不意味着购买了版权,文档只能用于自身使用,不得用于其他商业用途(如 [转卖]进行直接盈利或[编辑后售卖]进行间接盈利)。
2、本站所有内容均由合作方或网友上传,本站不对文档的完整性、权威性及其观点立场正确性做任何保证或承诺!文档内容仅供研究参考,付费前请自行鉴别。
3、如文档内容存在违规,或者侵犯商业秘密、侵犯著作权等,请点击“违规举报”。

碎片内容

安庆大桥施工组织设计

您可能关注的文档

确认删除?
VIP
微信客服
  • 扫码咨询
会员Q群
  • 会员专属群点击这里加入QQ群
客服邮箱
回到顶部