电脑桌面
添加小米粒文库到电脑桌面
安装后可以在桌面快捷访问

工程管理资料(doc 161页)VIP免费

工程管理资料(doc 161页)_第1页
1/160
工程管理资料(doc 161页)_第2页
2/160
工程管理资料(doc 161页)_第3页
3/160
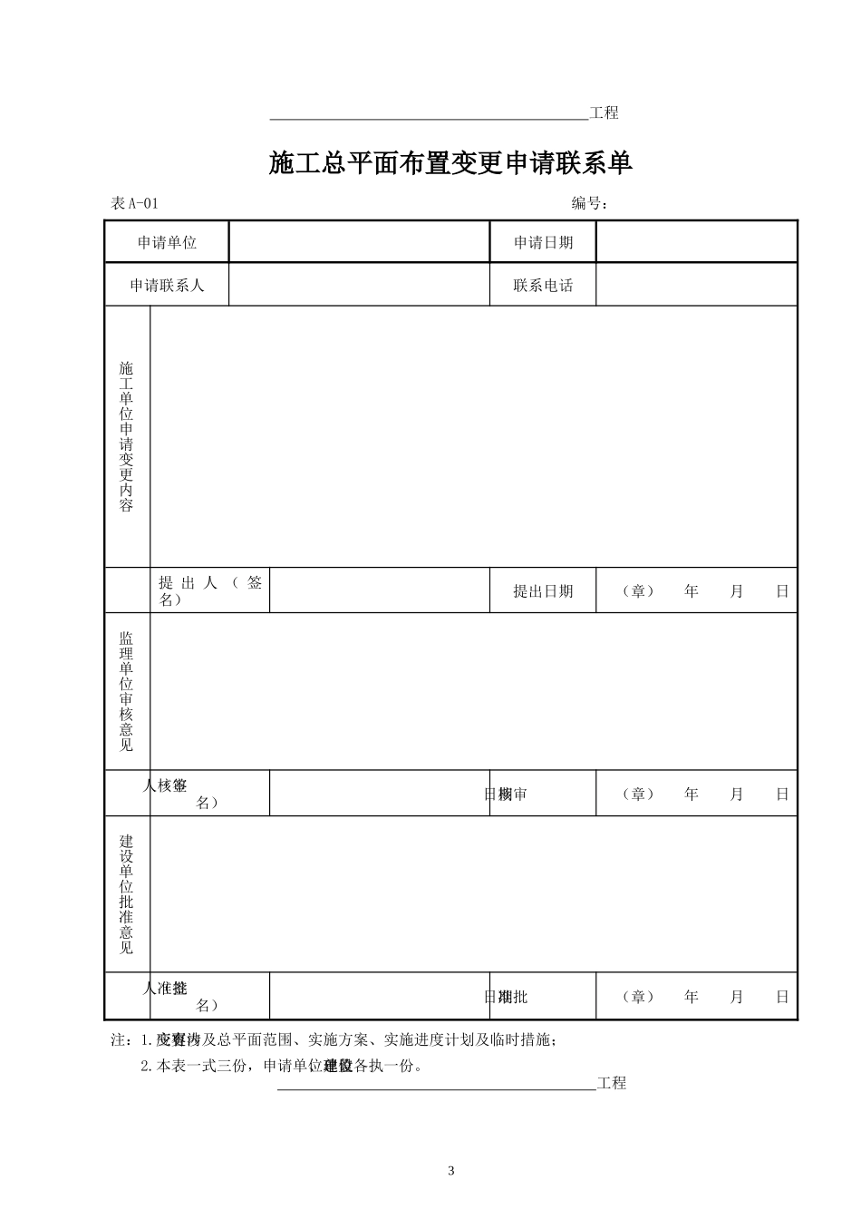
XXXXXXXXXXXXXXXXXXXX2X300MW机组工程施工总平面布置变更申请联系单(标题为小二号宋体加粗,段前间距为1.5行,段后间距为1行,表格页边距见说明,打印时不作打印)表A-01编号:单位代码-机组代码-001申请单位XX电建一公司XX项目部申请日期XXXX年XX月XX日申请联系人XXX联系电话XXX施工单位申请变更内容提出人(签名)提出日期(章)年月日监理单位审核意见审核人(签名)审核日期(章)年月日建设单位批准意见批准人(签名)批准日期(章)年月日注:1.变更内容应有涉及总平面范围、实施方案、实施进度计划及临时措施;2.本表一式三份,申请单位、监理、建设单位各执一份。1工程总体设计单位备忘录表A-17编号:单位代码-机组代码-001电力设计院总体设计单位备忘录编号:专业:页数:(包括附件)参考编号进口设备岛主送单位抄送单位内容:拟稿:主任工程师:设总:主送单位:抄送单位:2工程施工总平面布置变更申请联系单表A-01编号:申请单位申请日期申请联系人联系电话施工单位申请变更内容提出人(签名)提出日期(章)年月日监理单位审核意见审核人(签名)审核日期(章)年月日建设单位批准意见批准人(签名)批准日期(章)年月日注:1.变更内容应有涉及总平面范围、实施方案、实施进度计划及临时措施;2.本表一式三份,申请单位、监理、建设单位各执一份。工程3施工总平面布置会审记录表A-02编号:工程名称参加人员主持人时间地点记录内容:(共页)年月日建设单位工程部项目监理部设计承包商施工承包商本表由监理部填报各单位会签后,相关单位各存一份。工程4临时断路(封路)申请表表A-03编号:申请单位申请日期申请联系人联系电话临时断(封)路具体要求(申请单位填写)临时断(封)路时间年月日至年月日临时断(封)路原因临时断(封)路范围(附图)监理审核意见审核人(签名)审核日期年月日建设单位批准意见批准人(签名)批准日期年月日说明:1、本表仅限现场施工单位为配合施工需要提出的现场局部区域的临时断(封)路申请。2、申请单位必须在批准的时间内完成任务后恢复原有设施。如不能按时完成并影响其它施工单位施工时,其所造成的一切后果由当事施工单位承担。3、申请单位必须在断(封)路段的两端设置告示牌,告之相关车辆绕道行驶。本表一式三份,申请单位、监理单位、建设单位各执一份。工程5临时占地(路)申请表表A-04编号:申请单位申请日期申请联系人联系电话临时占地(路)具体要求(申请单位填写)临时占地(路)时间年月日至年月日临时占地(路)原因临时占地(路)范围(附图)监理审核意见审核人(签名)审核日期年月日建设单位批准意见批准人(签名)批准日期年月日说明:1.表仅限现场施工单位为配合施工需要提出的施工现场局部区域的临时占地(路)申请。2.申请单位必须在批准的时间内完成任务后恢复原有设施。如不能按时完成并影响其它施工单位施工时,其所造成的一切后果由当事施工单位承担。3.申请单位必须在临时占用区域设置适当的维护封闭设施以及醒目的安全等告示牌。本表一式三份,申请单位、监理单位、建设单位各执一份。6工程施工用电变压器及配电盘布置一览表表A-05编号:配电室名称位置容量(KVA)使用区域备注7工程用电申请表表A-06编号:申请单位申请日期申请联系人联系电话申请理由和要求(申请单位填写)用电负荷使用区域(附图)用电管理单位审核意见审核人(签名)审核日期年月日监理审核意见审核人(签名)审核日期年月日建设单位批准意见批准人(签名)批准日期年月日安全注意事项:1.用电单位申请用电,批准单位只提供开关仓位,开关下桩头电缆及此线路的安全运行均由申请单位负责;2.每个月的电度表计量由相关单位用电专管员负责计量,交有关部门;3.用户单位施工完毕必须提出申请,以通知拉电,并拆除线路。否则发生事故由申请用电单位负一切责任。本表一式四份,申请单位、用电管理单位、监理单位、建设单位各执一份。8工程施工用电报修单表A-07编号:报修单位报修日期报修人联系电话具体要求(报修单位填写)报修原因报修范围(附图)处理结果(维修部门填写)维修负责人(签名)填写日期年月日说明:1、现场施工单位在施...

1、当您付费下载文档后,您只拥有了使用权限,并不意味着购买了版权,文档只能用于自身使用,不得用于其他商业用途(如 [转卖]进行直接盈利或[编辑后售卖]进行间接盈利)。
2、本站所有内容均由合作方或网友上传,本站不对文档的完整性、权威性及其观点立场正确性做任何保证或承诺!文档内容仅供研究参考,付费前请自行鉴别。
3、如文档内容存在违规,或者侵犯商业秘密、侵犯著作权等,请点击“违规举报”。

碎片内容

工程管理资料(doc 161页)

确认删除?
VIP
微信客服
  • 扫码咨询
会员Q群
  • 会员专属群点击这里加入QQ群
客服邮箱
回到顶部