电脑桌面
添加小米粒文库到电脑桌面
安装后可以在桌面快捷访问

工程部精细化细则VIP免费

工程部精细化细则_第1页
1/118
工程部精细化细则_第2页
2/118
工程部精细化细则_第3页
3/118
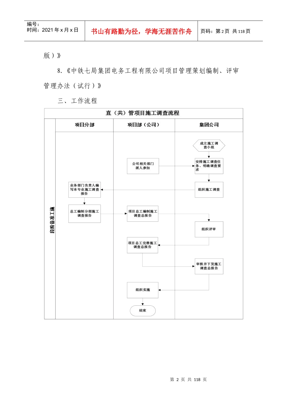
第1页共118页编号:时间:2021年x月x日书山有路勤为径,学海无涯苦作舟页码:第1页共118页7.施工调查管理流程一、管理目标规范项目前期施工调查业务流程,通过开展施工调查核对设计文件,分析项目特点,掌握施工条件,为编制项目策划书、实施性施工组织设计或施工方案提供依据,为合理部署施工力量,科学组织施工提供基础资料。二、编制依据1.《中铁七局集团有限公司施工技术管理办法(修订版)》的通知(中铁七技〔2009〕263号);2.《中铁七局集团有限公司工程项目策划管理办法(暂行)》(中铁七人〔2013〕101号)3.《中铁七局集团有限公司十二项规定(第三版)》(中铁七程〔2010〕27号)4.《中铁七局集团有限公司工程技术逐级报告和责任追究制度》(中铁七程〔2009〕298号)5.《中铁七局集团有限公司十二项规定(第三版)》(中铁七程〔2010〕27号)6.《中铁七局集团电务工程有限公司施工调查管理办法(试行)》7.《中铁七局集团电务工程有限公司施工技术管理细则(修订第2页共118页第1页共118页编号:时间:2021年x月x日书山有路勤为径,学海无涯苦作舟页码:第2页共118页版)》8.《中铁七局集团电务工程有限公司项目管理策划编制、评审管理办法(试行)》三、工作流程第3页共118页第2页共118页编号:时间:2021年x月x日书山有路勤为径,学海无涯苦作舟页码:第3页共118页第4页共118页第3页共118页编号:时间:2021年x月x日书山有路勤为径,学海无涯苦作舟页码:第4页共118页第5页共118页第4页共118页编号:时间:2021年x月x日书山有路勤为径,学海无涯苦作舟页码:第5页共118页三、责任矩阵第6页共118页第5页共118页编号:时间:2021年x月x日书山有路勤为径,学海无涯苦作舟页码:第6页共118页五、工作标准1.项目部主要管理人员到位后,施工调查组织部门按照规定对中标项目进行分级并组织相关部门进行施工调查,其中集团公司直管项目由集团公司组织施工调查,其他项目由公司组织施工调查。2.施工调查主要包括地形地貌、工程地质、气象水文、工程分布、工程特点及难点、主要工程数量、物资供应、施工设施、临时工程、征地拆迁、交通、生活、卫生环保、通信、电力、水源、风俗习惯等情况。3.公司组织项目施工调查流程:项目部主要管理人员到位后,由公司组织会议,确定施工调查范围和要求,制订施工调查提纲并组织施工调查。项目部编制各专业施工调查报告并交由项目部工程部汇总编制施工调查报告,项目总工审核签认后由公司组织评审,公司审核下发后由项目部组织实施。施工调查完成后2日内业务部门负责人完成本专业施工调查报告,工程部长在收到各专业提交的资料后3日内完成施工调查报告,项目总工收到资料后3日内完成审核,审核后上报公司组织评审,评审后2日内将修改完善的施工调查报告再次上报公司审核,公司于3日内完成审核并下发项目部组织实施。4.集团公司直管项目施工调查流程:项目部及项目分部主要管理人员到位后,由集团公司组织会议,确定施工调查范围和要求,制订施工调查提纲并组织施工调查,分部相关部门编制本专业施工第7页共118页第6页共118页编号:时间:2021年x月x日书山有路勤为径,学海无涯苦作舟页码:第7页共118页调查报告并交由分部总工编制分部施工调查报告,项目部完成施工调查总报告后由集团公司组织评审,集团公司审核下发后由项目部组织实施。施工调查完成后2日内分部业务部门负责人完成本专业施工调查报告,分部总工在收到各专业提交的资料后3日内完成分部施工调查报告,项目部总工、总经收到分部施工调查报告后3日内完成施工调查总报告,并报送集团公司组织评审,评审后2日内将修改完善的施工调查总报告再次报送集团公司审核,集团公司于3日内完成审核并下发项目部组织实施。六、后台管控及考核评价1.施工调查应视工程项目的规模实行分级调查,一般由公司分管领导组织,有关业务部门和项目部、分公司派人参加。施工调查过程中形成的报告、批复等文件按技术档案进行保存。2.直(共)管项目施工调查由集团公司组织实施,项目部是施工调查的参与单位,项目分部是施工调查的实施单位和施工调查成果的执行单位。3.公司主管项目施工调查由公司组织...

1、当您付费下载文档后,您只拥有了使用权限,并不意味着购买了版权,文档只能用于自身使用,不得用于其他商业用途(如 [转卖]进行直接盈利或[编辑后售卖]进行间接盈利)。
2、本站所有内容均由合作方或网友上传,本站不对文档的完整性、权威性及其观点立场正确性做任何保证或承诺!文档内容仅供研究参考,付费前请自行鉴别。
3、如文档内容存在违规,或者侵犯商业秘密、侵犯著作权等,请点击“违规举报”。

碎片内容

工程部精细化细则

您可能关注的文档

确认删除?
VIP
微信客服
  • 扫码咨询
会员Q群
  • 会员专属群点击这里加入QQ群
客服邮箱
回到顶部