电脑桌面
添加小米粒文库到电脑桌面
安装后可以在桌面快捷访问

工程施工联系单 全部1VIP免费

工程施工联系单 全部1_第1页
1/25
工程施工联系单 全部1_第2页
2/25
工程施工联系单 全部1_第3页
3/25
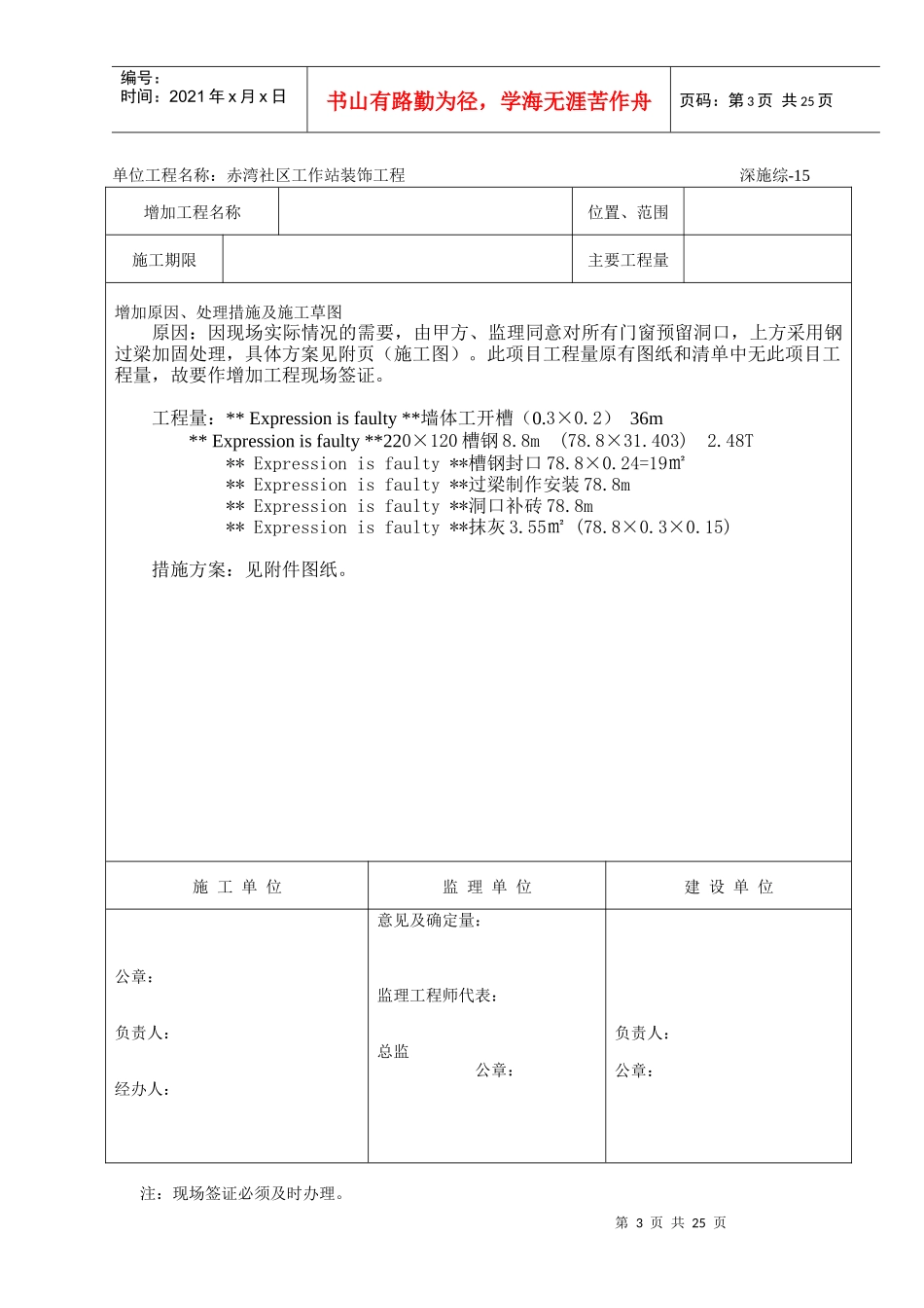
第1页共25页编号:时间:2021年x月x日书山有路勤为径,学海无涯苦作舟页码:第1页共25页工程施工联系单施---01工程名称工程部位施工图变更图号建施03主要原因施工图纸与现场实际情况不符联系内容致:甲方:监理单位:设计单位:图纸建施03的设计施工内与现场实际情况不符。经甲方、监理、设计单位协商由施工单位出平面图,经甲方、监理、设计单位确认后再进行施工。现平面图已出请甲方、监理、设计单位尽快确认。承包单位:年月日监理(建设)单位:(盖章)负责人:年月日设计(建设)单位:工程负责人:年月日第2页共25页第1页共25页编号:时间:2021年x月x日书山有路勤为径,学海无涯苦作舟页码:第2页共25页工程负责人:施工员:经办人:第页在施工过程中,发现图纸仍有差错或与实际情况不符,或因施工条件,材料规格,品种,质量不能完全符合设计要求及职工提出合理化建议等,需要进行施工图修改都要有文字记录,核定签证,归入工程档案。深圳市建设局监制增加工程现场签证单第3页共25页第2页共25页编号:时间:2021年x月x日书山有路勤为径,学海无涯苦作舟页码:第3页共25页单位工程名称:赤湾社区工作站装饰工程深施综-15注:现场签证必须及时办理。增加工程名称位置、范围施工期限主要工程量增加原因、处理措施及施工草图原因:因现场实际情况的需要,由甲方、监理同意对所有门窗预留洞口,上方采用钢过梁加固处理,具体方案见附页(施工图)。此项目工程量原有图纸和清单中无此项目工程量,故要作增加工程现场签证。工程量:**Expressionisfaulty**墙体工开槽(0.3×0.2)36m**Expressionisfaulty**220×120槽钢8.8m(78.8×31.403)2.48T**Expressionisfaulty**槽钢封口78.8×0.24=19㎡**Expressionisfaulty**过梁制作安装78.8m**Expressionisfaulty**洞口补砖78.8m**Expressionisfaulty**抹灰3.55㎡(78.8×0.3×0.15)措施方案:见附件图纸。施工单位监理单位建设单位公章:负责人:经办人:意见及确定量:监理工程师代表:总监公章:负责人:公章:第4页共25页第3页共25页编号:时间:2021年x月x日书山有路勤为径,学海无涯苦作舟页码:第4页共25页深圳市建设局、深圳市档案局监制深圳市文档服务中心印制工程施工联系单工程名称工程部位外墙走廊墙立面图号主要原因原有墙面恢化联系内容致:甲方:监理单位:因原有的外墙走廊墙面年成太久出现风化现象,贴上外墙面砖,给质量带来隐患。现在跟据甲方要求和现场实际情况,把原有墙面打掉重新批灰,最后再贴。承包单位:2007年9月13日第5页共25页第4页共25页编号:时间:2021年x月x日书山有路勤为径,学海无涯苦作舟页码:第5页共25页监理(建设)单位:(盖章)负责人:年月日设计单位:技术负责人:年月日工程负责人:施工员:经办人:第页在施工过程中,发现图纸仍有差错或与实际情况不符,或因施工条件,材料规格,品种,质量不能完全符合设计要求及职工提出合理化建议等,需要进行施工图修改都要有文字记录,核定签证,归入工程档案。深圳市建设局监制增加工程现场签证单第6页共25页第5页共25页编号:时间:2021年x月x日书山有路勤为径,学海无涯苦作舟页码:第6页共25页单位工程名称:深施综-15注:现场签证必须及时办理。增加工程名称位置、范围外墙走廊墙面施工期限2007年7月2日至2007年10月30日主要工程量增加原因、处理措施及施工草图原因:因原有的外墙走廊墙面年成太久出现风化现象,贴上外墙面砖,给质量带来隐患。现在跟据甲方要求和现场实际情况,把原有墙面打掉重新批灰,最后再贴。工程量:**Expressionisfaulty**墙体打凿(28.4m×3m)—(1.4*1.2*4)68.45㎡**Expressionisfaulty**垃圾外运(25km外)3.56m3(68.45㎡ⅹ0.04)**Expressionisfaulty**抹灰68.45㎡施工单位监理单位建设单位公章:负责人:经办人:意见及确定量:监理工程师代表:总监:公章:负责人:公章:第7页共25页第6页共25页编号:时间:2021年x月x日书山有路勤为径,学海无涯苦作舟页码:第7页共25页深圳市建设局、深圳市档案局监制深圳市文档服务中心印制工程施工联系单工程名称工程部位外墙走廊、室内图号主要原因门联系内容致:甲方:监...

1、当您付费下载文档后,您只拥有了使用权限,并不意味着购买了版权,文档只能用于自身使用,不得用于其他商业用途(如 [转卖]进行直接盈利或[编辑后售卖]进行间接盈利)。
2、本站所有内容均由合作方或网友上传,本站不对文档的完整性、权威性及其观点立场正确性做任何保证或承诺!文档内容仅供研究参考,付费前请自行鉴别。
3、如文档内容存在违规,或者侵犯商业秘密、侵犯著作权等,请点击“违规举报”。

碎片内容

工程施工联系单 全部1

您可能关注的文档

确认删除?
VIP
微信客服
  • 扫码咨询
会员Q群
  • 会员专属群点击这里加入QQ群
客服邮箱
回到顶部