电脑桌面
添加小米粒文库到电脑桌面
安装后可以在桌面快捷访问

(完整版)初中物理力学综合检测试题VIP免费

(完整版)初中物理力学综合检测试题_第1页
1/11
(完整版)初中物理力学综合检测试题_第2页
2/11
(完整版)初中物理力学综合检测试题_第3页
3/11
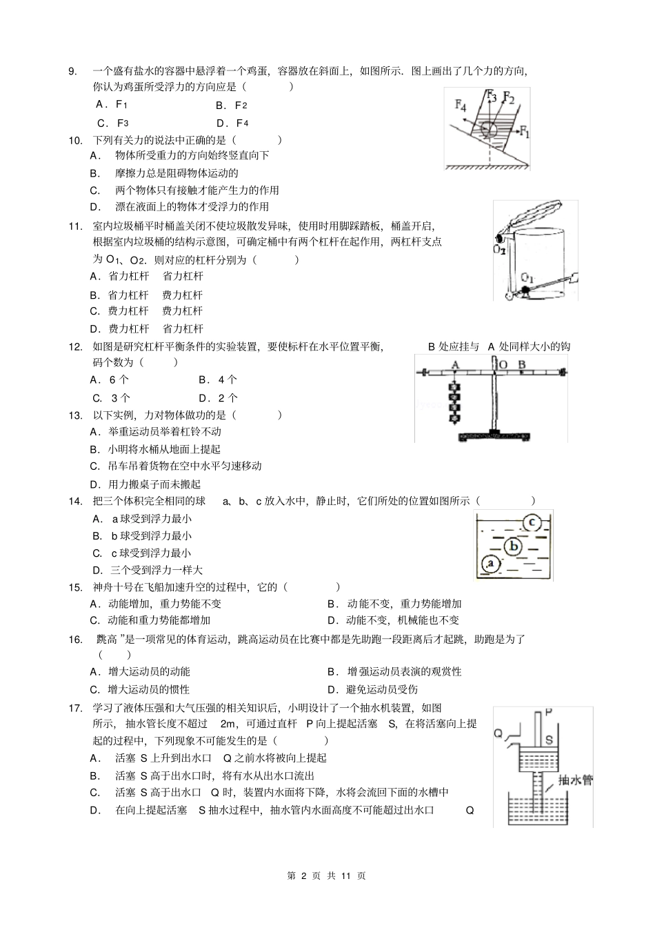
第1页共11页初中物理力学综合检测试题1.全卷分A卷和B卷,A卷满分100分,B卷满分20分;全卷共120分;考试时间90分钟。2.考生必须在答题卡上作答,答在试题卷、草稿纸上均无效。3.请按照题号在相应各题目对应的答题区域内作答,超出答题区域书写的答案无效。A卷(共100分)一、单项选择题(每小题2分,共34分)1.物理实验室中,测量质量的仪器是()A.弹簧测力计B.量筒C.密度计D.天平2.鸡尾酒是由几种不同的酒调配而成的,经过调配后,不同颜色的酒界面分明,这是由于不同颜色的酒具有不同的()A.重力B.质量C.体积D.密度3.如图所示,小刚发现,学校的欢迎展牌经常被风吹倒,于是他提出的一些防止展牌被吹倒的措施,你认为合适的是()A.将展牌的支架做得更高些B.在展牌的中空支架的下部灌些沙子C.选用密度小的材料来做展牌,使展牌更轻些D.将展牌支架之间的夹角做得更大一些4.下列实例中,是通过改变压力大小来改变摩擦力的是()A.在行李箱下安装滚轮B.骑自行车刹车时用力捏闸C.体操运动员比赛前在手上抹镁粉D.在轴承上加润滑油5.今年3月9日在世锦赛中,我国选手梁文豪夺得500米短道速滑金牌,他冲过终点后不能马上停下来,是因为他()A.受到阻力B.受到重力C.受到压力D.具有惯性6.如图同一个梯形铁块,第一次如甲图放置,第二次如乙图放置,则它们对水平地面的压力F和压强P大小关系正确的是()A.F甲=F乙B.F甲<F乙C.p甲>p乙D.p甲=p乙7.连通器在日常生活和生产中应用广泛,如图所示事例中不是利用连通器原理工作的是()A.活塞式抽水机B.茶壶C.锅炉水位计D.三峡船闸8.如图所示的现象中,不是大气压强引起的是()A.用吸管能吸饮料B.救生锤能击碎车窗玻璃C.吸盘能吸附墙上D.水杯倒置水没流出第2页共11页9.一个盛有盐水的容器中悬浮着一个鸡蛋,容器放在斜面上,如图所示.图上画出了几个力的方向,你认为鸡蛋所受浮力的方向应是()A.F1B.F2C.F3D.F410.下列有关力的说法中正确的是()A.物体所受重力的方向始终竖直向下B.摩擦力总是阻碍物体运动的C.两个物体只有接触才能产生力的作用D.漂在液面上的物体才受浮力的作用11.室内垃圾桶平时桶盖关闭不使垃圾散发异味,使用时用脚踩踏板,桶盖开启,根据室内垃圾桶的结构示意图,可确定桶中有两个杠杆在起作用,两杠杆支点为O1、O2.则对应的杠杆分别为()A.省力杠杆省力杠杆B.省力杠杆费力杠杆C.费力杠杆费力杠杆D.费力杠杆省力杠杆12.如图是研究杠杆平衡条件的实验装置,要使标杆在水平位置平衡,B处应挂与A处同样大小的钩码个数为()A.6个B.4个C.3个D.2个13.以下实例,力对物体做功的是()A.举重运动员举着杠铃不动B.小明将水桶从地面上提起C.吊车吊着货物在空中水平匀速移动D.用力搬桌子而未搬起14.把三个体积完全相同的球a、b、c放入水中,静止时,它们所处的位置如图所示()A.a球受到浮力最小B.b球受到浮力最小C.c球受到浮力最小D.三个受到浮力一样大15.神舟十号在飞船加速升空的过程中,它的()A.动能增加,重力势能不变B.动能不变,重力势能增加C.动能和重力势能都增加D.动能不变,机械能也不变16.“跳高”是一项常见的体育运动,跳高运动员在比赛中都是先助跑一段距离后才起跳,助跑是为了()A.增大运动员的动能B.增强运动员表演的观赏性C.增大运动员的惯性D.避免运动员受伤17.学习了液体压强和大气压强的相关知识后,小明设计了一个抽水机装置,如图所示,抽水管长度不超过2m,可通过直杆P向上提起活塞S,在将活塞向上提起的过程中,下列现象不可能发生的是()A.活塞S上升到出水口Q之前水将被向上提起B.活塞S高于出水口时,将有水从出水口流出C.活塞S高于出水口Q时,装置内水面将下降,水将会流回下面的水槽中D.在向上提起活塞S抽水过程中,抽水管内水面高度不可能超过出水口Q第3页共11页二、填空题(每空2分,共计34分)18.宇航员从月球取到质量为0.5kg的月球岩石标本,拿回到地球后这块岩石质量应0.5kg(填“大于”、“小于”或“等于”)(g=9.8N/kg);水的密度为ρ=1.0×103kg/m3,将一杯水倒出一半以后,剩余水的密度为kg/m3.19.魔术...

1、当您付费下载文档后,您只拥有了使用权限,并不意味着购买了版权,文档只能用于自身使用,不得用于其他商业用途(如 [转卖]进行直接盈利或[编辑后售卖]进行间接盈利)。
2、本站所有内容均由合作方或网友上传,本站不对文档的完整性、权威性及其观点立场正确性做任何保证或承诺!文档内容仅供研究参考,付费前请自行鉴别。
3、如文档内容存在违规,或者侵犯商业秘密、侵犯著作权等,请点击“违规举报”。

碎片内容

(完整版)初中物理力学综合检测试题

您可能关注的文档

确认删除?
VIP
微信客服
  • 扫码咨询
会员Q群
  • 会员专属群点击这里加入QQ群
客服邮箱
回到顶部