电脑桌面
添加小米粒文库到电脑桌面
安装后可以在桌面快捷访问

收音机的组装实习报告VIP免费

收音机的组装实习报告_第1页
1/11
收音机的组装实习报告_第2页
2/11
收音机的组装实习报告_第3页
3/11
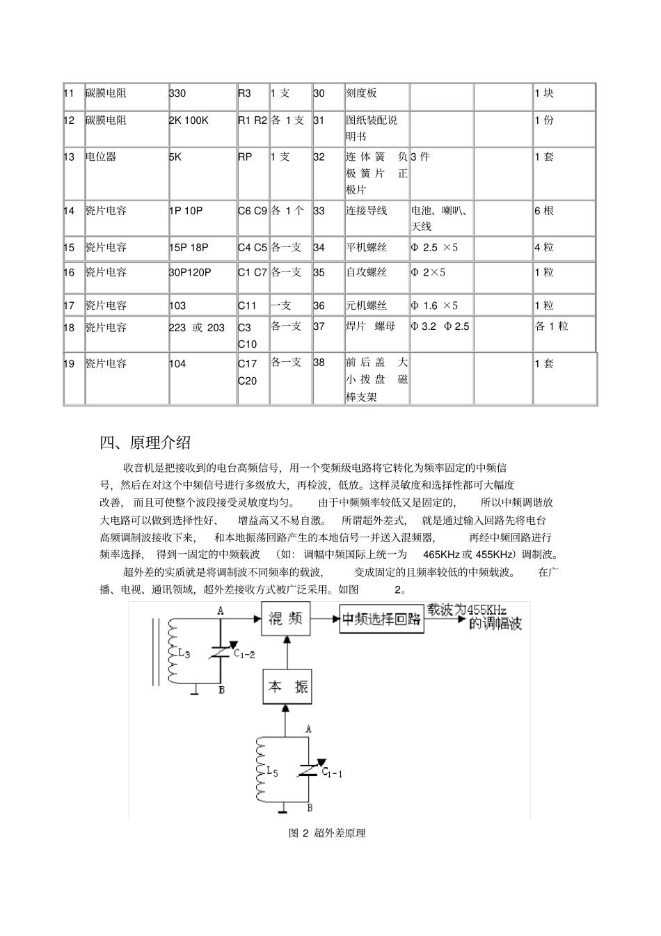
电工学实验报告实验名称中夏S66E六管超外差式收音机装配实验时间2011年12月6日——2011年12月20日实验地点西安建筑科技大学东校区一、实验目的1.了解常用电子器件的类别、型号、规格、性能及其使用范围,能查阅有关的电子器件图书。2.掌握电子元器件的识别及质量检验。3.学习并掌握超外差收音机的工作原理。4.熟悉手工焊锡的常用工具的使用及其维护与修理,基本掌握手工电烙铁的焊接技术。5.了解电子产品的焊接、调试与维修方法。初步学习调试电子产品的方法,提高动手能力。二、实验器材1.电烙铁2.螺丝刀、镊子、钳子等必备工具3.万用表4.收音机实验套件5.焊锡丝:为锡铅合金,中间为松香。通常用于电子设备的锡焊。其锡前铅比为60/40。它的熔点低,焊接时,焊锡能迅速散步在金属表面焊接牢固,焊点光亮美观。三、实验概要超外差收音机在无线电接收机中的应用非常广泛,二超外差收音机又是无线电接收机的典型电路。收音机虽然小,可谓五脏俱全,它包含了无线电接收的各个功能电路。收音机、电视机、手机都采用外差电路接收信号,就连雷达接收机同样也采用外差电路,只是他们的工作频率不同,但接收原理是一样的。近年来由于科技的不断进步,新工艺、新技术、新器件的不断出现,收音机已朝着电路的集成化,电子调谐,数字显示,电脑控制及多功能、高指标、使用方便等方向发展。本实验采用3V低压硅管六管超+外差式收音机,它由输入回路高放混频级、一级中放、二级中放、前置低放兼检波级、低放级和功放级等部分组成,几首频率范围为535KHz~1605KHz的中波段。1.元件说明①中频变压器(以下简称中周)三只为一套,其接线图见印制板图。T2为振荡线圈的中周型号为LF10(红色)、T3为第一级中放用的中周(白色)、T4为第二季中放的中周(黑色)。中周外壳初期屏蔽作用外,还起导线的作用,所以中周外壳必须可靠地接地。②T5为输入变压器,线圈骨架上有凸点标记为初级,印制板上也有圆点作为标记,器接线图在印制板上可以很明显的看出,安装时不要装反(还可以配合万用表测量进行分辨)。③三极管VT5、VT6为9013属于中功率三极管放大倍数大约为180。9014为低频功放,放大倍数约等于250,9018适合于高频功放,放大倍数约为120。④电路原理图中所标称的元件参数为参考值,如与实际给出的元件参数有出入需自己灵活掌握。所有元件详细情况见元件清单。2.安装顺序先装低矮和耐热元件,然后再装大元件,最后再装怕热元件。①电阻的安装:先将阻值识别号,可以采用紧贴式和立式。我门要按R1——R8的顺序焊接,以免漏掉电阻,焊接完电阻之后我门需要用万用表检验一下各电阻是否还和以前得值是一样(检验是否有虚焊)。②电容和三极管的安装:先焊接瓷介电容,要注意上面得读数,紧接这就是焊电解电容了,特别要注意长脚是"+"极,短脚是"—"极。,剪脚长度是适中,电解电容紧贴线路板立式安装焊接,太高会影响后盖的安装。③由于调谐用的双连拨盘时离电路板很近,所以在它的圆周内的高处部分的元件脚在焊接前先用斜口钳剪去。④焊接发光二极、喇叭和电池座。元件清单序号名称型号规格位号数量序号名称型号规格位号数量1集成块CD1691CB1C1快20电解电容0.47μC151支2发光二极管Φ3红LED1支21电解电容4.7μC8、C122支3三端陶瓷滤波器455BCF21支22电解电容10μC2、C13、C183支4三段陶瓷滤波器10.7MHzCF21支23电解电容100μC16、C191支5中波振荡变压器红色T11支24四联电容器CBM-443DFSL1支6中波中频变压器黑色T31支25扬声器Φ58MMBL1支7调频中频滤波器蓝色10.7MHzT21支26波段开关K21支8磁棒线圈55×13×155L11套27拉杆天线TX1根9调频天线线圈Φ6×4圈L21支28耳机插座Φ2.51个10调频振荡线圈Φ3×6圈L31支29印刷电路板1块11碳膜电阻330R31支30刻度板1块12碳膜电阻2K100KR1R2各1支31图纸装配说明书1份13电位器5KRP1支32连体簧负极簧片正极片3件1套14瓷片电容1P10PC6C9各1个33连接导线电池、喇叭、天线6根15瓷片电容15P18PC4C5各一支34平机螺丝Φ2.5×54粒16瓷片电容30P120PC1C7各一支35自攻螺丝Φ2×51粒17瓷片电容103C11一支36元机螺丝Φ1.6×51粒18瓷片电容223或203C3C10各一支37焊片螺母Φ3.2Φ2.5...

1、当您付费下载文档后,您只拥有了使用权限,并不意味着购买了版权,文档只能用于自身使用,不得用于其他商业用途(如 [转卖]进行直接盈利或[编辑后售卖]进行间接盈利)。
2、本站所有内容均由合作方或网友上传,本站不对文档的完整性、权威性及其观点立场正确性做任何保证或承诺!文档内容仅供研究参考,付费前请自行鉴别。
3、如文档内容存在违规,或者侵犯商业秘密、侵犯著作权等,请点击“违规举报”。

碎片内容

收音机的组装实习报告

您可能关注的文档

确认删除?
VIP
微信客服
  • 扫码咨询
会员Q群
  • 会员专属群点击这里加入QQ群
客服邮箱
回到顶部