电脑桌面
添加小米粒文库到电脑桌面
安装后可以在桌面快捷访问

工程力学实验讲义VIP免费

工程力学实验讲义_第1页
1/12
工程力学实验讲义_第2页
2/12
工程力学实验讲义_第3页
3/12
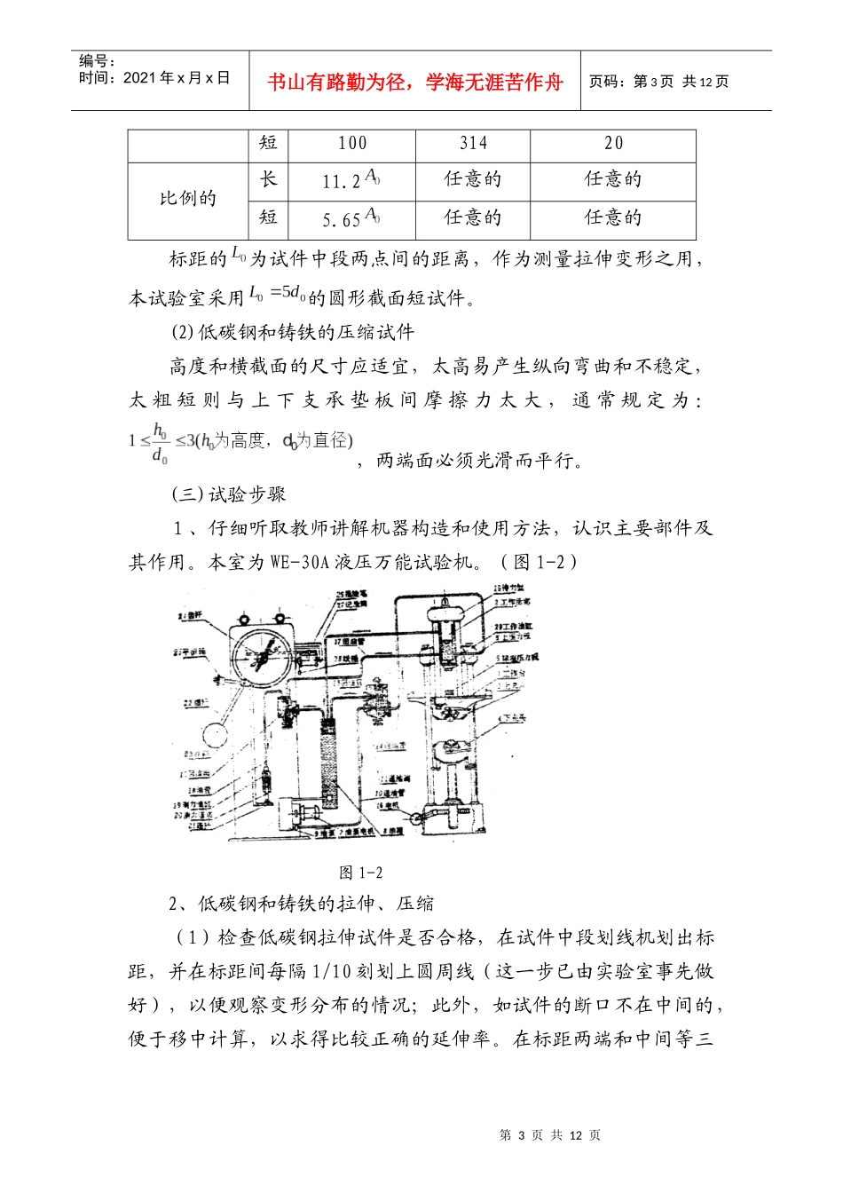
第1页共12页编号:时间:2021年x月x日书山有路勤为径,学海无涯苦作舟页码:第1页共12页工程力学实验讲义浙江水利水电专科学校一、拉伸、压缩实验(一)目的要求第2页共12页第1页共12页编号:时间:2021年x月x日书山有路勤为径,学海无涯苦作舟页码:第2页共12页1、了解万能机的主要结构及其工作原理,熟悉操作规程和正确使用方法,并注意安全事项。2、通过实验观察低碳钢、铸铁在拉伸和压缩过程中表现的各种变形规律和破坏现象。分析和比较不同材料的力学性能。3、测定低碳钢拉伸时的屈服极限、强度极限、延伸率和截面的收缩率。(二)设备1、液压万能机。(图1-1)图1-12、游标卡尺。3、试件(1)低碳钢和铸铁的拉伸试件要测定某一种材料的机械性质,试件的数量一般至少取3-5根为一组(取材要有代表性),为了便于比较试验结果,必须按照国家统一标准(GB228-76)的规定加工成标准试件或比例试件,尺寸如表1。表1试件标距截面尺寸圆形试件直径标准的长20031420第3页共12页第2页共12页编号:时间:2021年x月x日书山有路勤为径,学海无涯苦作舟页码:第3页共12页短10031420比例的长11.2任意的任意的短5.65任意的任意的标距的为试件中段两点间的距离,作为测量拉伸变形之用,本试验室采用的圆形截面短试件。(2)低碳钢和铸铁的压缩试件高度和横截面的尺寸应适宜,太高易产生纵向弯曲和不稳定,太粗短则与上下支承垫板间摩擦力太大,通常规定为:,两端面必须光滑而平行。(三)试验步骤1、仔细听取教师讲解机器构造和使用方法,认识主要部件及其作用。本室为WE-30A液压万能试验机。(图1-2)图1-22、低碳钢和铸铁的拉伸、压缩(1)检查低碳钢拉伸试件是否合格,在试件中段划线机划出标距,并在标距间每隔1/10刻划上圆周线(这一步已由实验室事先做好),以便观察变形分布的情况;此外,如试件的断口不在中间的,便于移中计算,以求得比较正确的延伸率。在标距两端和中间等三第4页共12页第3页共12页编号:时间:2021年x月x日书山有路勤为径,学海无涯苦作舟页码:第4页共12页处截面的两相互垂直方向上量取直径,算出三个平均值,取其中最小平均直径作为计算强度时的直径。(2)根据材料的强度极限(可查手册)估算最大荷载P,选择合适的测力度盘和调整摆锤(使最大负荷约为测力度盘最大容量的80%较好)。(3)检查试验机是否处于正常状态。如操纵机构或油门是否在正确起始位置;保险开关,自动绘图能否正常工作等。(4)关紧回油阀和进油阀,开动油泵马达后再慢慢打开进油阀,把横梁抬高1-2cm。消除可动横梁的自重,然后关闭进油阀,停止马达,调整测力指针至零,并拨动副针使之与主(动)针靠近。(5)安装试件,对拉伸试件,先将一端夹于上夹头内,要夹足、夹正,再移动下夹头使直达到适当位置,在夹紧试件下端时要注意使试件中心与拉力方向在一直线上。对压缩试件,则要摆正在支承的中心位置,尽量避免偏心而达到轴向受力。(6)调整好自动绘图装置,并装上记录用纸和笔,以便观察其工作情况。(7)开动机器,缓缓打开进油阀,慢速均匀加载。对铸铁试件加载至断裂,立即停机。记录最大荷载。对低碳钢试件加载时,当示力盘上指针转动很慢,或者停止不动,甚至倒退时,表明材料已达屈服阶段,记下屈服时的荷载,一般以测力指针回转后指示的最小荷载最为屈服荷载。(8)当低碳钢试件达到屈服阶段后,加载速度适当加快,对压缩试件加载至所需荷载,立即停机。对拉伸试件,加载速度加快后载荷随变形增加达到最大值,可看到试件开始发生截面局部缩小,即所谓的“颈缩现象”,记下最大荷载。颈缩后,荷载迅速下降,试件很快断裂,立即停机。第5页共12页第4页共12页编号:时间:2021年x月x日书山有路勤为径,学海无涯苦作舟页码:第5页共12页(9)取下试件,把低碳钢拉伸试件两端断口对正密合在一起,量取试件断后的标距线之间长度,并在断后处两个相互垂直方向量取直径,取平均值,记录数据,整理机仪,一切复原。(10)观察试件断口形状,结合自动绘图装置所描绘出的P-曲线图,分析塑性材料和脆性材料在拉伸和压缩过程中的异同点及其机械性质。(四)试验数据处理1、强度极限和屈服极限的计算2、计算延...

1、当您付费下载文档后,您只拥有了使用权限,并不意味着购买了版权,文档只能用于自身使用,不得用于其他商业用途(如 [转卖]进行直接盈利或[编辑后售卖]进行间接盈利)。
2、本站所有内容均由合作方或网友上传,本站不对文档的完整性、权威性及其观点立场正确性做任何保证或承诺!文档内容仅供研究参考,付费前请自行鉴别。
3、如文档内容存在违规,或者侵犯商业秘密、侵犯著作权等,请点击“违规举报”。

碎片内容

工程力学实验讲义

您可能关注的文档

确认删除?
VIP
微信客服
  • 扫码咨询
会员Q群
  • 会员专属群点击这里加入QQ群
客服邮箱
回到顶部