电脑桌面
添加小米粒文库到电脑桌面
安装后可以在桌面快捷访问

小型农田水利工程单元工程质量评定表VIP免费

小型农田水利工程单元工程质量评定表_第1页
1/24
小型农田水利工程单元工程质量评定表_第2页
2/24
小型农田水利工程单元工程质量评定表_第3页
3/24
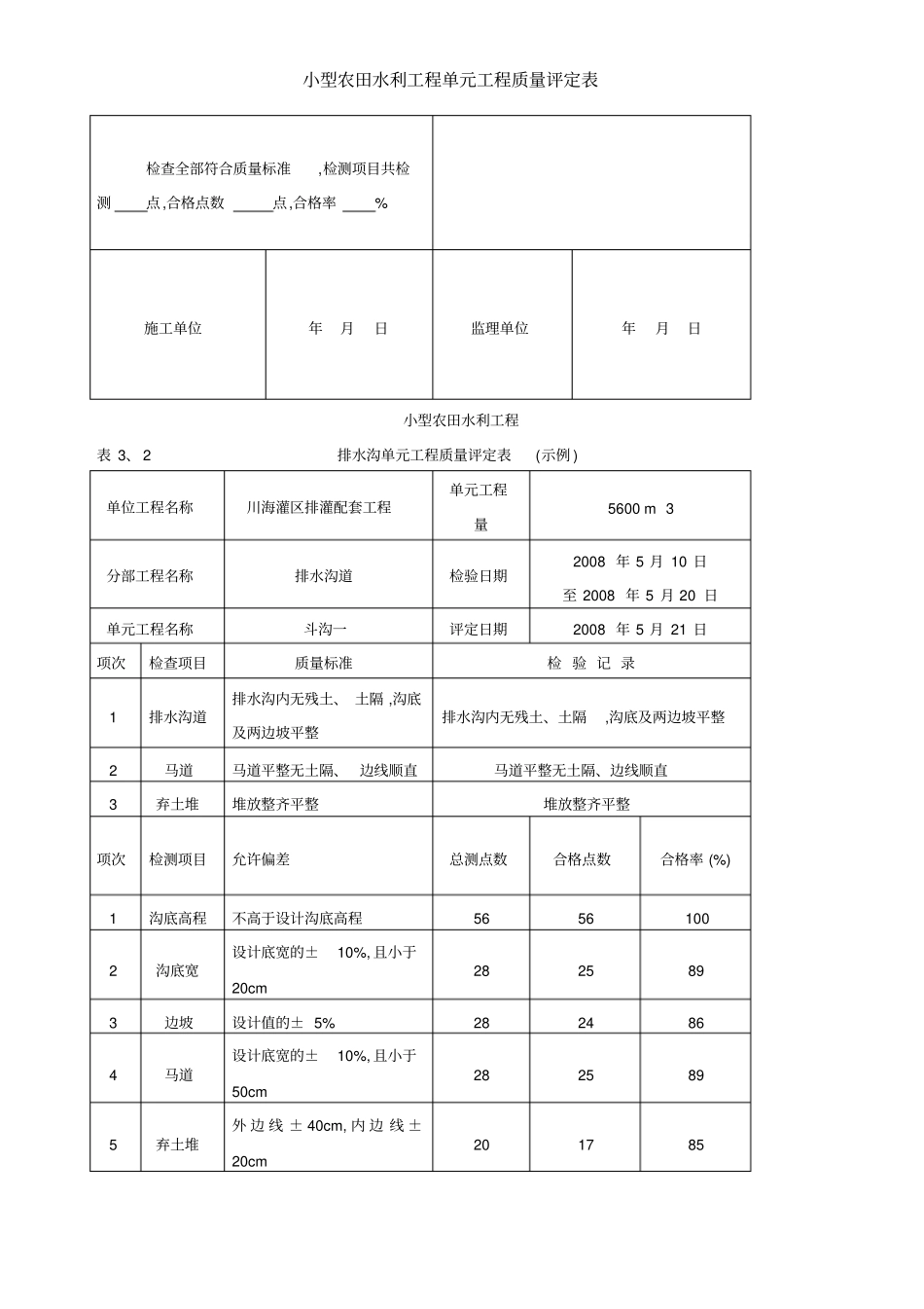
小型农田水利工程单元工程质量评定表排水沟单元工程质量评定表填表时应遵守“填表基本规定”,并符合以下要求。(1)单位工程名称、分部工程名称、单元工程名称填写与《水利水电工程施工质量评定表填表说明与示例》相同。(2)单元工程量:填写本单元土方量(m3)。(3)本表依据施工记录填写。施工中要认真做好记录,监理认真检查。(4)检测:先进行宏观检查,没发现有明显不合格处,即进行抽样检查,总测点数不少于1/100m个。(5)单元工程质量标准。1)合格。检查项目符合相应质量评定标准;允许偏差项目应有不小于70%的测点在允许偏差质量范围内。2)优良。检查项目符合相应质量评定标准;允许偏差项目须有不小于90%的测点在允许偏差质量范围内。小型农田水利工程表3、2排水沟单元工程质量评定表单位工程名称单元工程量分部工程名称检验日期单元工程名称评定日期项次检查项目质量标准检验记录1排水沟道排水沟内无残土、土隔,沟底及两边坡平整2马道马道平整无土隔、边线顺直3弃土堆堆放整齐平整项次检测项目允许偏差总测点数合格点数合格率(%)1沟底高程不高于设计沟底高程2沟底宽设计底宽的±10%,且小于20cm3边坡设计值的±5%4马道设计底宽的±10%,且小于50cm5弃土堆外边线±40cm,内边线±20cm评定意见评定等级小型农田水利工程单元工程质量评定表检查全部符合质量标准,检测项目共检测点,合格点数点,合格率%施工单位年月日监理单位年月日小型农田水利工程表3、2排水沟单元工程质量评定表(示例)单位工程名称川海灌区排灌配套工程单元工程量5600m3分部工程名称排水沟道检验日期2008年5月10日至2008年5月20日单元工程名称斗沟一评定日期2008年5月21日项次检查项目质量标准检验记录1排水沟道排水沟内无残土、土隔,沟底及两边坡平整排水沟内无残土、土隔,沟底及两边坡平整2马道马道平整无土隔、边线顺直马道平整无土隔、边线顺直3弃土堆堆放整齐平整堆放整齐平整项次检测项目允许偏差总测点数合格点数合格率(%)1沟底高程不高于设计沟底高程56561002沟底宽设计底宽的±10%,且小于20cm2825893边坡设计值的±5%2824864马道设计底宽的±10%,且小于50cm2825895弃土堆外边线±40cm,内边线±20cm201785小型农田水利工程单元工程质量评定表评定意见评定等级检查全部符合质量标准,检测项目共检测160点,合格点数147点,合格率92%优良施工单位××××年×月×日监理单位××××年×月×日第七节渠道单元工程质量评定表填表时应遵守“填表基本规定”,并符合以下要求。(1)单位工程名称、分部工程名称、单元工程名称填写与《水利水电工程施工质量评定表填表说明与示例》相同。(2)单元工程量:填写本单元土方量(m3)。(3)本表依据施工记录填写。施工中要认真做好记录,监理认真检查。(4)检测:先进行宏观检查,没发现有明显不合格处,即进行抽样检查,总测点数不少于1/100m个。(5)单元工程质量标准。1)合格。检查项目符合相应质量评定标准;允许偏差项目应有不小于70%的测点在允许偏差质量范围内。2)优良。检查项目符合相应质量评定标准;允许偏差项目须有不小于90%的测点在允许偏差质量范围内。小型农田水利工程表3、3渠道单元工程质量评定表单位工程名称单元工程量分部工程名称检验日期单元工程名称评定日期项次检查项目质量标准检验记录1灌水渠道渠内无残土、土隔2马道马道平整无土隔、边线顺直项次检测项目允许偏差总测点数合格点数合格率(%)1渠底高程不高于设计水深的10%,小型农田水利工程单元工程质量评定表且小于30cm2渠底宽设计底宽的±10%3边坡设计值的±5%4马道设计底宽的±10%,且小于50cm5堤顶不低于设计高程不小于设计宽度6压实指标干密度1、5t/m3≥80%评定意见评定等级检查项目全部符合质量标准,检测项目共检测点,合格点数点,合格率%施工单位年月日监理单位年月日小型农田水利工程表3、3渠道单元工程质量评定表单位工程名称川海灌区配套工程单元工程量5600m3分部工程名称排水沟道检验日期2008年5月10日至2008年5月23日单元工程名称斗渠一评定日期2008年5月24日项次检查项目质量标准检验记录1灌水渠道渠内无残土、土隔渠内无残土、土隔2马道马道平整无土隔、边线顺直马道平整无土隔、边线顺直项次检...

1、当您付费下载文档后,您只拥有了使用权限,并不意味着购买了版权,文档只能用于自身使用,不得用于其他商业用途(如 [转卖]进行直接盈利或[编辑后售卖]进行间接盈利)。
2、本站所有内容均由合作方或网友上传,本站不对文档的完整性、权威性及其观点立场正确性做任何保证或承诺!文档内容仅供研究参考,付费前请自行鉴别。
3、如文档内容存在违规,或者侵犯商业秘密、侵犯著作权等,请点击“违规举报”。

碎片内容

小型农田水利工程单元工程质量评定表

确认删除?
VIP
微信客服
  • 扫码咨询
会员Q群
  • 会员专属群点击这里加入QQ群
客服邮箱
回到顶部