电脑桌面
添加小米粒文库到电脑桌面
安装后可以在桌面快捷访问

广州地区办公楼建筑窗户节能研究VIP免费

广州地区办公楼建筑窗户节能研究_第1页
1/7
广州地区办公楼建筑窗户节能研究_第2页
2/7
广州地区办公楼建筑窗户节能研究_第3页
3/7
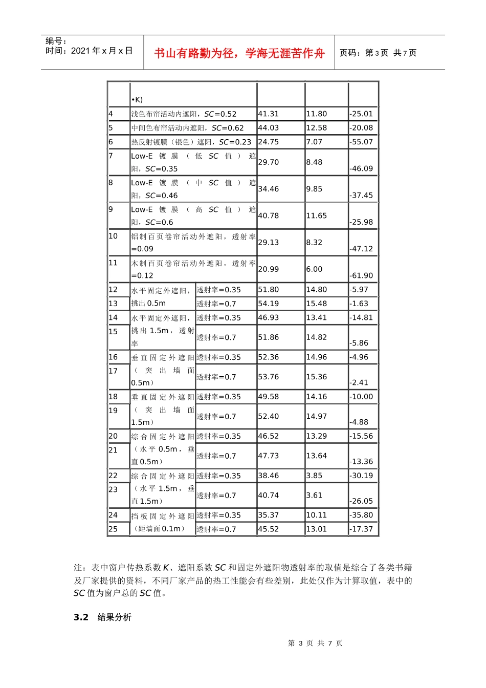
第1页共7页编号:时间:2021年x月x日书山有路勤为径,学海无涯苦作舟页码:第1页共7页广州地区办公楼建筑窗户节能研究摘要:本文利用调研测试结果,设计出广州地区典型的办公楼建筑模型及其通风空调方案针对目前常用的24种窗户节能方案,利用美国能源部开发的DOE-2软件对各方案进行建筑物全年的能耗计算。对比分析各方案的计算结果,定量分析了不同窗户节能措施对建筑能耗的影响。结合办公楼建筑的特点,提出了广州地区该类建筑在外窗热工性能、外窗遮阳方式以及窗墙比取值等方面的具体建议。关键词:办公楼节能外窗遮阳窗墙比1概述办公楼建筑规模大,室内人数多,照明量大,内部发热量很大。在空调供冷期中,白天上述内部发热量蓄积于围护结构内,夜里室外气温下降,希望热量向外排得越快越好;在过渡季节,内部发热量的自然排放受阻也会使供冷时间延长。因此,在不考虑供暖、夏热期又较长的广州地区,办公楼建筑围护结构的保温隔热与放热的平衡问题尤为重要。窗户作为围护结构保温隔热的薄弱部位,其处理就较为复杂。一方面,应把外窗视为放热和减少办公室照明负荷的部位,不宜过分绝热和过分减小面积;另一方面,若不考虑窗户的绝热夏季又会由窗户向室内侵入大量的热量(包括太阳直射得热),从而增大供冷负荷,影响室内热舒适度[1]。因此,必须根据该地区的气候特点和办公楼建筑的负荷特点,对外窗进行适度的节能设计。本文针对广州地区办公楼建筑的特点,利用美国能源部开发的DOE-2软件进行建筑物全年的能耗计算,对模拟计算的结果分析比较,得出了该地区办公楼建筑外窗节能设计的一些结论。2建筑模型及计算方法选择2.1建筑模型图1广州地区办公楼建筑模型标准层表1建筑模型围护结构主要材料及热工性能表单位:W/(m2•K)构件名称外墙内墙楼底地面屋面楼板第2页共7页第1页共7页编号:时间:2021年x月x日书山有路勤为径,学海无涯苦作舟页码:第2页共7页主要材料钢筋混凝土+聚苯板内隔热层加气混凝土混凝土空气层+水泥炉渣+空心楼板+聚苯板隔热层钢筋混凝土传热系数K0.922.691.020.912.58模型为一栋南北朝向的条形建筑,其标准层平面图见图1。该建筑共9层,地下一层,层高为4.8m;地上8层,层高为3m,总建筑面积约7803.84m2,体形系数约为0.31,南立面窗墙比为0.42。模型除窗户以外的围护结构传热系数参照文献[2]及有关热工节能设计标准设计,详情见表1。2.2计算基本条件笔者对广州地区近年来新建的具有代表性的10栋办公大楼室内热环境和空调运行状况进行了实测和调查,并参照有关设计标准,确定出了典型的办公楼建筑能耗计算的基本条件。室内空调温度26℃,冬季不采暖,编号为05~16的办公室内平均换气次数为1.5次/h,其余面积较大的办公室换气次数取1.2次/h,走道等辅助空间无空调。空调系统采用电制冷集中式制冷设备,机组额定能效比为3.5。空调设备运行时间定为:周一到周五上午7:30~11:30,下午2:30~5:30。拟定每间办公室平均有两人,每人散热量为0.1kW;电脑两台,每台电脑功率以0.2kW计算;办公室内家具量为10.8kg/m2地板面积[3]。房间以自然采光为主,不考虑照明散热,办公设备每天开启时间与工作时间一致。3模拟与分析3.1模拟方案及计算结果窗户结构和遮阳措施方案及其模拟计算结果见表2。表中,方案1~3旨在比较相同节能外围护结构条件下,窗户传热系数对建筑能耗的影响,在计算时,窗户遮蔽系数SC均取值为0.9;方案4~25代表单层铝合金普通玻璃窗采用不同遮阳方式的计算方案,旨在比较不同遮阳方式在空调季的节能效果。其中,方案1为基础能耗,各方案的节能率是以方案1为基准算出的。节能率计算公式如下:(1)表2模拟方案及计算结果方案编号窗户节能方案内容年耗冷量(kWh/m2)年耗电量(kWh/m2)节能率(%)1单层普通铝合金窗,K=6.4W/(m2•K)55.0915.7402PVC框单层透明玻璃窗,K=4.7W/(m2•K)55.9916.001.633铝合金框双层透明玻璃,K=2.3W/(m2•K)59.0316.867.15第3页共7页第2页共7页编号:时间:2021年x月x日书山有路勤为径,学海无涯苦作舟页码:第3页共7页•K)4浅色布帘活动内遮阳,SC=0.5241.3111.80-25.015中间色布帘活动内遮阳,SC=0.6244.0312.58-20.086热...

1、当您付费下载文档后,您只拥有了使用权限,并不意味着购买了版权,文档只能用于自身使用,不得用于其他商业用途(如 [转卖]进行直接盈利或[编辑后售卖]进行间接盈利)。
2、本站所有内容均由合作方或网友上传,本站不对文档的完整性、权威性及其观点立场正确性做任何保证或承诺!文档内容仅供研究参考,付费前请自行鉴别。
3、如文档内容存在违规,或者侵犯商业秘密、侵犯著作权等,请点击“违规举报”。

碎片内容

广州地区办公楼建筑窗户节能研究

您可能关注的文档

确认删除?
VIP
微信客服
  • 扫码咨询
会员Q群
  • 会员专属群点击这里加入QQ群
客服邮箱
回到顶部