电脑桌面
添加小米粒文库到电脑桌面
安装后可以在桌面快捷访问

广宣品管理制度VIP免费

广宣品管理制度_第1页
1/6
广宣品管理制度_第2页
2/6
广宣品管理制度_第3页
3/6
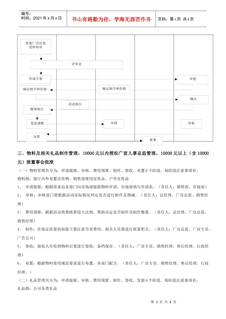
第1页共6页编号:时间:2021年x月x日书山有路勤为径,学海无涯苦作舟页码:第1页共6页1、如因市场推广活动或媒体特惠及关系需要而对当月计划做临时性调整,日期、版面规格、媒体调整应由广宣专员签字,说明变更原因,在投放前两日报广宣总监备案。如当月调整部分增减金额超10000元或增加部分超厂家报销额度,广宣专员需在报备广宣总监同时向总经理备案。2、每月5日前广宣专员制作上月常规媒体《费用汇总表》(不涉及发票处理),报广宣总监审核、签字,再报财务经理备案(做付款依据)。3、每月5日由广宣专员提交上月广告总结,提交总经理、集团广宣总监,由广宣集团总监向集团总经理备案。广宣专员销售经理广宣总监财务经理总经理二、非常规媒体广告投放流程:10000元以内授权广宣总监管理,10000元以上(含10000元)报董事会批准(一)定义:满足以下条件之一:1、自行开展主题活动、厂家支持活动及各类车展;2、需签订投放协议的媒体;3、户外广告媒体;4、与媒体资源互换;5、展厅形象布置的制作等。(二)流程:(1)公司全体员工可为广宣专员提供非常规广告信息和资源。由广宣专员进行资料初选,优选意向合作项目召集召开评审会。(2)评审会由广宣专员、销售经理或市场部经理(售后活动由售后经理参加)、广宣总监出席(2000元以内拟定初步计划《月度计划表》汇总、调整《月度汇总表》调整、审批上报厂家23日20日24日备案调整计划《月度汇总表》备案备案审批、备案《月度汇总表》实际投入制作《费用汇总表》审核、签字《费用汇总表》备案《费用汇总表》5日集团总经理备案月度工作总结备案备案第2页共6页第1页共6页编号:时间:2021年x月x日书山有路勤为径,学海无涯苦作舟页码:第2页共6页可不出席),建议在销售周例会上由销售顾问进行集体方案评审,如费用总投入超过5000元,应邀请总经理参加。由活动(或媒体)提供方介绍活动(或媒体)情况(如活动方案一目了然,也可直接评审),由评审会确定是否参加,以及参加的时间和形式。如属活动的,填写《活动审批表》;如属制作的,列请明细和报价;如属其他形式的,填写书面报告,并由广宣专员和部门经理签字。(3)由广宣专员将评审结果报总经理审批,超过2000元(含2000元)的在总经理审批后,报集团广宣总监审批,超过10000元(含10000元)的在集团广宣总监审批后,报集团总经理审批。(4)审批通过的方案由广宣专员和广宣总监共同与活动(媒体)提供方敲定细节,并开展价格谈判。最终确定的价格,由广宣专员和广宣总监签字确认。(2000元以内:活动以广宣专员《月度市场推广活动计划表》和《活动审批表》进行审核备案,制作以报价表审核备案,广宣总监可不签字)(5)形成的最后协议报总经理确认。(6)协议广宣专员留存。(7)在活动期间,因促销需要发生项目增减导致总价改变时,应由广宣专员向广宣总监汇报审核,超过20%的报总经理审核。在决算时,作为补充附件。如预算时费用不超审批权限,决算时费用已超审批权限,在决算时应按审批权限报上级审批,并说明超支原因,超支不得超过预算40%,如超支40%应重新进行方案申报。(8)付款时交财务经理备案(作付款依据)。广宣专员销售经理/市场经理广宣总监财务经理总经理第3页共6页第2页共6页编号:时间:2021年x月x日书山有路勤为径,学海无涯苦作舟页码:第3页共6页三、物料及相关礼品制作管理:10000元以内授权广宣人事总监管理,10000元以上(含10000元)报董事会批准(一)物料管理共分为:申请提报、审核、费用预算、制作、签收、布置6个阶段。每阶段注意事项有:物料指:展厅内外布置宣传物、销售部使用宣传品、户外宣传品1、申请提报:根据需求由各部门向市场部提报物料申请,市场部填写申请表。(责任人:销售部、市场部)2、审核:审核部门要根据活动实际情况判定是否进行制作及增减。(责任人:总经理、广宣总监、销售经理)3、费用预算:根据活动效果核算投入比例,帮助决定是否制作及制作数量。(责任人:总经理、广宣总监、销售经理)4、制作:在保证质量的前提下要注意节省费用,相关人员要进行质量把关。(责任人:广宣总监、广宣专员、广告公司)5、签收:...

1、当您付费下载文档后,您只拥有了使用权限,并不意味着购买了版权,文档只能用于自身使用,不得用于其他商业用途(如 [转卖]进行直接盈利或[编辑后售卖]进行间接盈利)。
2、本站所有内容均由合作方或网友上传,本站不对文档的完整性、权威性及其观点立场正确性做任何保证或承诺!文档内容仅供研究参考,付费前请自行鉴别。
3、如文档内容存在违规,或者侵犯商业秘密、侵犯著作权等,请点击“违规举报”。

碎片内容

广宣品管理制度

您可能关注的文档

确认删除?
VIP
微信客服
  • 扫码咨询
会员Q群
  • 会员专属群点击这里加入QQ群
客服邮箱
回到顶部