电脑桌面
添加小米粒文库到电脑桌面
安装后可以在桌面快捷访问

建议批准的计量认证授权验收项目及限制范围VIP免费

建议批准的计量认证授权验收项目及限制范围_第1页
1/7
建议批准的计量认证授权验收项目及限制范围_第2页
2/7
建议批准的计量认证授权验收项目及限制范围_第3页
3/7
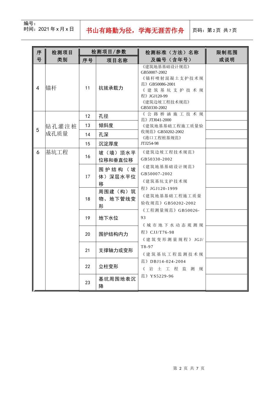
第1页共7页编号:时间:2021年x月x日书山有路勤为径,学海无涯苦作舟页码:第1页共7页地址(多场所的分别填写):序号检测项目类别检测项目/参数检测标准(方法)名称及编号(含年号)限制范围或说明序号项目名称一地基基础1基桩1竖向抗压承载力《建筑基桩检测技术规范》JGJ106-2003《建筑地基基础设计规范》GB50007-2002《建筑桩基技术规范》JGJ94-94《港口工程桩基规范》JTJ254-98仅做慢速维持荷载法(最大加载)、高应变(实测曲线拟合)法2竖向抗拔承载力《建筑基桩检测技术规范》JGJ106-2003《建筑桩基技术规范》JGJ94-943水平承载力《建筑基桩检测技术规范》JGJ106-2003《建筑桩基技术规范》JGJ94-94《港口工程桩基规范》JTJ254-984桩身完整性《建筑基桩检测技术规范》JGJ106-2003《铁路工程基桩无损检测规程》TB10218-99《公路工程基桩动测技术规程》JTG/TF81-01-2004《港口工程桩基动力检测规程》JTJ249-2001仅做低应变法、高应变法、声波透射法、钻芯法5桩长《建筑基桩检测技术规范》JGJ106-2003《铁路工程结构混凝土强度检测规范》TB10426-2004《水运工程混凝土试验规程》JTJ270-98仅做钻芯法6桩身混凝土强度7桩底沉渣厚度8桩端持力层岩土性状2地基土9承载力《建筑地基基础设计规范》GB50007-2002《高层建筑岩土工程勘察规程》JGJ72-2004仅做浅层平板试验、深层平板试验、岩基载荷试验3复合地基10承载力《建筑地基处理技术规范》JGJ79-2002第2页共7页第1页共7页编号:时间:2021年x月x日书山有路勤为径,学海无涯苦作舟页码:第2页共7页序号检测项目类别检测项目/参数检测标准(方法)名称及编号(含年号)限制范围或说明序号项目名称4锚杆11抗拔承载力《建筑地基基础设计规范》GB50007-2002《锚杆喷射混凝土支护技术规范》GB50086-2001《建筑基坑支护技术规程》JGJ120-99《建筑边坡工程技术规范》GB50330-20025钻孔灌注桩成孔质量12孔径《公路桥涵施工技术规范》JTJ041-2000《建筑地基基础工程施工质量验收规范》GB50202-2002《港口工程桩基规范》JTJ254-9813倾斜度14孔深15沉淀厚度6基坑工程16坡(墙)顶水平位移和垂直位移《建筑边坡工程技术规范》GB50330-2002《建筑地基基础设计规范》GB50007-2002《建筑基坑支护技术规程》JGJ120-1999《建筑地基基础工程施工质量验收规范》GB50202-2002《工程测量规范》GB50026-93《城市地下水动态观测规程》CJJ/T76-98《建筑变形测量规程》JGJ/T8-97《建筑基坑工程监测技术规范》DBJ14-024-2004《岩土工程监测规范》YS5229-9617围护结构(坡体)深层水平位移18周围建(构)筑物、地下管线变形19地下水位20围护结构内力21支撑轴力或变形22立柱变形23基坑周围地表沉降第3页共7页第2页共7页编号:时间:2021年x月x日书山有路勤为径,学海无涯苦作舟页码:第3页共7页序号检测项目类别检测项目/参数检测标准(方法)名称及编号(含年号)限制范围或说明7工程勘察原位测试24比贯入阻力(ps)《岩土工程勘察规范》GB50021-2001《土工试验规程》SL237-1999静力触探25锥尖阻力(qs)26侧壁摩阻力(fs)27贯入时的孔隙水压力(u)28轻型(N10)《岩土工程勘察规范》GB50021-2001圆锥动力触探29重型(N63.5)30超重型(N120)31锤击数N值《岩土工程勘察规范》GB50021-2001标准贯入试验32剪切波波速《地基动力特性测试规范》GB/T50269-97《建筑抗震设计规范》GB50011-2001土层剪切波速试验33压缩波波速第4页共7页第3页共7页编号:时间:2021年x月x日书山有路勤为径,学海无涯苦作舟页码:第4页共7页序号检测项目类别检测项目/参数检测标准(方法)名称及编号(含年号)限制范围或说明序号项目名称二土工1土1土样定名《建筑地基基础设计规范》GB50007-2002《岩土工程勘察规范》GB50021-20012含水率(ω)《土工试验方法标准》GB/T50123-1999《土工试验规程》SL237-007-1999《公路土工试验规程》JTJ051-T0107-93仅做(烘干法、酒精燃烧法、比重法SL)3试样密度(ρ0、ρd、ρs)仅做环刀法、蜡封法、灌水法、灌砂法4土粒比重Gs仅做(比重瓶法、浮称法、虹吸筒法)5小于某粒径的质量百分数仅做(筛析法、密度计法移液管法)6不均匀系数Cu7曲率系数...

1、当您付费下载文档后,您只拥有了使用权限,并不意味着购买了版权,文档只能用于自身使用,不得用于其他商业用途(如 [转卖]进行直接盈利或[编辑后售卖]进行间接盈利)。
2、本站所有内容均由合作方或网友上传,本站不对文档的完整性、权威性及其观点立场正确性做任何保证或承诺!文档内容仅供研究参考,付费前请自行鉴别。
3、如文档内容存在违规,或者侵犯商业秘密、侵犯著作权等,请点击“违规举报”。

碎片内容

建议批准的计量认证授权验收项目及限制范围

确认删除?
VIP
微信客服
  • 扫码咨询
会员Q群
  • 会员专属群点击这里加入QQ群
客服邮箱
回到顶部