电脑桌面
添加小米粒文库到电脑桌面
安装后可以在桌面快捷访问

建筑及路桥委托书范本VIP免费

建筑及路桥委托书范本_第1页
1/50
建筑及路桥委托书范本_第2页
2/50
建筑及路桥委托书范本_第3页
3/50
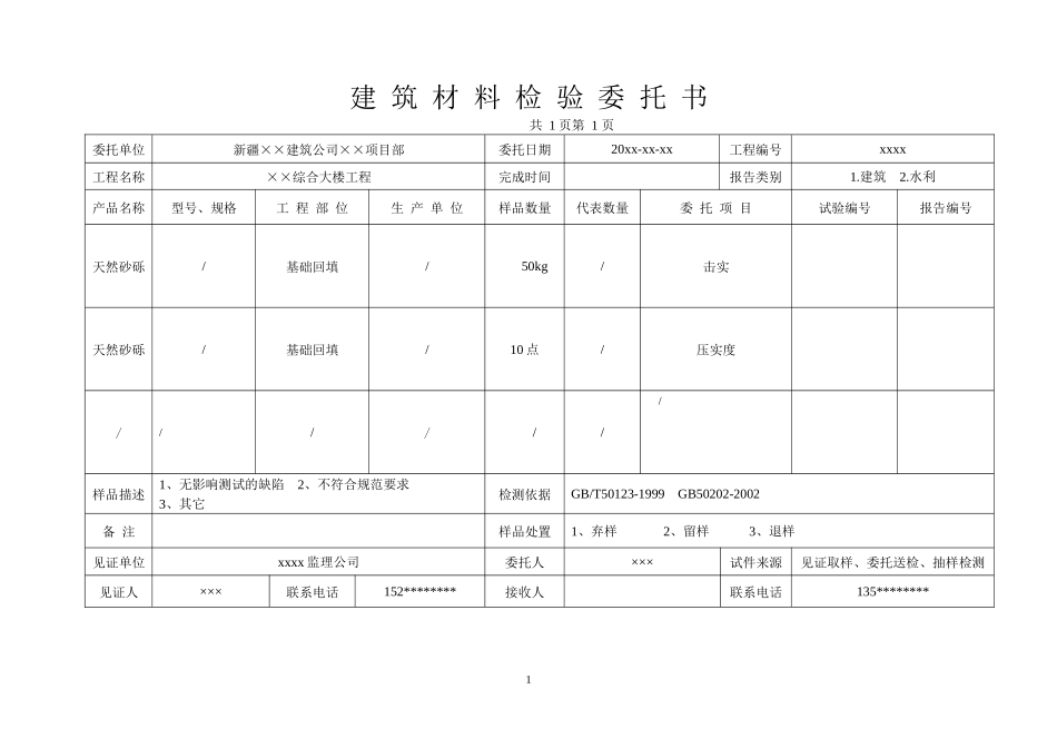
建筑材料检验委托书共1页第1页委托单位新疆××建筑公司××项目部委托日期20xx-xx-xx工程编号xxxx工程名称××综合大楼工程完成时间报告类别1.建筑2.水利产品名称型号、规格工程部位生产单位样品数量代表数量委托项目试验编号报告编号天然砂砾/基础回填/50kg/击实天然砂砾/基础回填/10点/压实度///////样品描述1、无影响测试的缺陷2、不符合规范要求3、其它检测依据GB/T50123-1999GB50202-2002备注样品处置1、弃样2、留样3、退样见证单位xxxx监理公司委托人×××试件来源见证取样、委托送检、抽样检测见证人×××联系电话152********接收人联系电话135********1建筑材料检验委托书共1页第1页委托单位新疆××建筑公司××项目部委托日期20xx-xx-xx工程编号xxxx工程名称××综合大楼工程完成时间报告类别1.建筑2.水利产品名称型号、规格工程部位生产单位样品数量代表数量委托项目试验编号报告编号水清基础/2000ml/1、PH值2、氯化物3、硫酸盐4、不溶物5、可溶物//////////////样品描述1、无影响测试的缺陷2、不符合规范要求3、其它检测依据JGJ63-2006备注用于钢筋混凝土样品处置1、弃样2、留样3、退样见证单位xxxx监理公司委托人×××试件来源见证取样、委托送检、抽样检测见证人×××联系电话152********接收人联系电话135********2建筑材料检验委托书共1页第1页委托单位新疆××建筑公司××项目部委托日期20xx-xx-xx工程编号xxxx工程名称××综合大楼工程完成时间报告类别1.建筑2.水利产品名称型号、规格工程部位生产单位样品数量代表数量委托项目试验编号报告编号岩石Ф50×100(mm)(用于建筑地基)/6块/抗压强度岩石Ф50×50(mm)或50×50×50(mm)(用于建筑工程)/6块/抗压强度岩石50×50×50(mm)(用于水利工程)/6块/抗压强度样品描述1、无影响测试的缺陷2、不符合规范要求3、其它检测依据1、JTGE41-2005(用于建筑地基)2、GB/T14685-2011(建筑)3、SL264-2001(水利水电)备注样品处置1、弃样2、留样3、退样见证单位xxxx监理公司委托人×××试件来源见证取样、委托送检、抽样检测见证人×××联系电话152********接收人联系电话135********3水泥检验委托书共1页第1页委托单位新疆××建筑公司××项目部工程名称××综合大楼工程工程编号xxxx委托日期20xx-xx-xx通知单完成时间28天报告完成时间报告类别1.建筑2.水利水泥品种工程部位生产单位设计强度等级出厂检验编号样品数量(kg)代表数量(t)委托项目试验编号报告编号抗硫酸盐硅酸盐水泥基础及主体新疆和静天山水泥有限责任公司42..5PHSR12152001.细度2.凝结时间3.安定性4.胶砂强度5.标准稠度用水量6.烧失量7.氧化镁8.三氧化硫9.不溶物普通硅酸盐水泥基础及主体库尔勒鲁岳三川建材有限公司52.5B4-13152001.细度2.凝结时间3.安定性4.胶砂强度5.标准稠度用水量6.烧失量7.氧化镁8.三氧化硫9.不溶物样品描述1、无潮湿、无结块2、不符合规范要求3、其它检测依据1、GB175-20072、GB748-2005备注散装水泥可代表500t,袋装水泥可代表200t,散装或袋装水泥必须标明样品处置1、弃样2、留样3、退样见证单位xxxx监理公司委托人×××来样类别见证取样、委托送检、抽样检测见证人×××联系电话135********接收人联系电话135********4砂、石检验委托书共1页第1页委托单位新疆××建筑公司××项目部委托日期20xx-xx-xx工程编号xxxx工程名称××综合大楼工程完成时间报告类别1.建筑2.水利产品名称规格工程部位生产厂家样品数量(kg)代表数量(m3)委托项目试验编号报告编号砂基础及主体盛合砂场504001.颗粒分析2.表观密度3.堆积密度4.紧密密度5.轻物质含量6.云母含量7.氯离子含量8.有机物含量9.含泥量10.泥块含量11.含水率12.吸水率13.坚固性14.硫化物及硫酸盐含量15.碱活性石子(卵、碎)5-20(mm)基础及主体神州砂石料厂804001.颗粒分析2.表观密度3.堆积密度4.紧密密度5.针片状颗粒含量6.岩石强度7.压碎指标值8.有机物含量9.含泥量10.泥块含量11.含水率12.吸水率13.坚固性14.硫化物及硫酸盐含量15.碱活性石子(卵、碎)20-40(mm)基础及主体神州砂石料厂804001.颗粒分析2.表观密度3.堆积密度4.紧密密度5.针片状颗粒含量6...

1、当您付费下载文档后,您只拥有了使用权限,并不意味着购买了版权,文档只能用于自身使用,不得用于其他商业用途(如 [转卖]进行直接盈利或[编辑后售卖]进行间接盈利)。
2、本站所有内容均由合作方或网友上传,本站不对文档的完整性、权威性及其观点立场正确性做任何保证或承诺!文档内容仅供研究参考,付费前请自行鉴别。
3、如文档内容存在违规,或者侵犯商业秘密、侵犯著作权等,请点击“违规举报”。

碎片内容

建筑及路桥委托书范本

您可能关注的文档

确认删除?
VIP
微信客服
  • 扫码咨询
会员Q群
  • 会员专属群点击这里加入QQ群
客服邮箱
回到顶部