电脑桌面
添加小米粒文库到电脑桌面
安装后可以在桌面快捷访问

建设工程施工公开招标投标VIP免费

建设工程施工公开招标投标_第1页
1/66
建设工程施工公开招标投标_第2页
2/66
建设工程施工公开招标投标_第3页
3/66
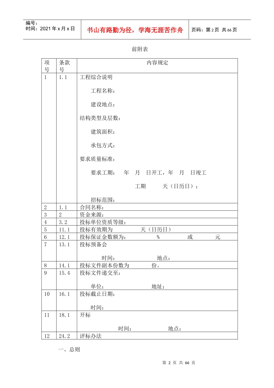
第1页共66页编号:时间:2021年x月x日书山有路勤为径,学海无涯苦作舟页码:第1页共66页建设工程施工公开招标投标文件____________(工程名称)施工公开招标投标文件招标编号:招标单位:(盖章)法定代表人:(签字、盖章)日期:______年______月______日第一章投标须知第2页共66页第1页共66页编号:时间:2021年x月x日书山有路勤为径,学海无涯苦作舟页码:第2页共66页前附表项号条款号内容规定11.1工程综合说明工程名称:建设地点:结构类型及层数:建筑面积:承包方式:要求质量标准:要求工期:年月日开工,年月日竣工工期天(日历日);招标范围:21.1合同名称:32资金来源:43.2投标单位资质等级:511.1投标有效期为天(日历日)612.1投标保证金数额为:%或元713.1投标预备会时间:地点:814.1投标文件副本份数为份。915.4投标文件递交至:单位:地址:1016.1投标截止日期:时间:1118.1开标时间:地点:1224.2评标办法一、总则第3页共66页第2页共66页编号:时间:2021年x月x日书山有路勤为径,学海无涯苦作舟页码:第3页共66页1.工程说明1.1工程的说明见投标须知前附表(以下称“前附表”)第1项和第2项所述。1.2上述工程按照《工程建设施工招标管理办法》,己办理招标申请,并得到招标管理机构批准,现通过招标来择优选定施工单位。2.资金来源建设单位的资金通过前附表第3项所述的方式获得,并将部分资金用于本工程合同项下的合格支付。3.资质与合格条件的要求3.1为履行本施工合同的目的,参加投标的施工企业(以下称“投标单位”)至少须满足前附表第4项所要求的资质等级。3.2参加投标的施工单位必须具有独立法人资格和相应的施工资质,非本国注册的施工企业应按建设行政主管部门有关管理规定取得施工资质。3.3为具有被授予合同的资格,投标单位应提供令招标单位满意的资格文件,以证明其符合投标合格条件和具有履行合同的能力。为此,所提交的投标文件中应包括下列资料:3.3.1有关确立投标单位法律地位的原始文件的副本(包括营业执照、资质等级证书及非中国注册的施工企业经建设行政主管部门核准的资质证件)。3.3.2投标单位在过去3年完成的工程的情况和现在正在履行的合同情况。3.3.3按规定的格式提供项目经理简历,及拟在施工现场或不在施工现场的管理和主要施工人员情况。3.3.4按规定格式提供完成本合同拟采用的主要施工机械设备情况。3.3.5按规定格式提供拟分包的工程项目及拟承担分包工程项目施工单位情况。3.3.6投标单位提供财务状况情况,包括最近2年经过审计的财务报表,下一年度财务预测报告和投标单位向开户银行开具的,由该银行提供财务情况证明的授权书。3.3.7有关投标单位目前和过去2年参与或涉及诉讼案的资料。3.4两个或两个以上施工单位组成的联营体投标时,除按本须知第3.3款提供组成联营体每一成员的资料外,还应符合以下规定要求:第4页共66页第3页共66页编号:时间:2021年x月x日书山有路勤为径,学海无涯苦作舟页码:第4页共66页3.4.1投标单位的投标文件及中标后签署的合同协议书,对联营体每一成员均受法律约束。3.4.2应指定一家联营体成员作为主办人,由联营体各成员法定代表人签署提交一份授权书,证明其主办人资格。3.4.3联营体主办人应被授权代表所有联营体成员承担责任和接受指令。并且由联营体主办人负责整个合同的全面实施,包括只有主办人可以支付费用等。3.4.4所有联营体成员应按合同条件的规定,为实施合同共同和分别承担责任。在联营体授权书中,以及在投标文件和中标后签署的合同协议书中应对此作相应的声明。3.4.5联营体各成员之间签订的联营体协议书副本应投标文件一起递交。3.5参加联营体的各成员不得再以自己名义单独投标,也不得同时参加两个或两个以上的联营体投标。如有违反将取消该联营体及联营体各成员的投标资格。4.投标费用投标单位应承担其编制投标文件与递交投标文件所涉及的一切费用。不管投标结果如何,招标管理单位对上述费用不负任何责任。二、招标文件5.招标文件的组成5.1本合同的招标文件包括下列文件及所有按本须知第7条发出的补充资料和第13条所述的投标预备会记录。招标文件包括下列内容:第一卷投标须知、合...

1、当您付费下载文档后,您只拥有了使用权限,并不意味着购买了版权,文档只能用于自身使用,不得用于其他商业用途(如 [转卖]进行直接盈利或[编辑后售卖]进行间接盈利)。
2、本站所有内容均由合作方或网友上传,本站不对文档的完整性、权威性及其观点立场正确性做任何保证或承诺!文档内容仅供研究参考,付费前请自行鉴别。
3、如文档内容存在违规,或者侵犯商业秘密、侵犯著作权等,请点击“违规举报”。

碎片内容

建设工程施工公开招标投标

您可能关注的文档

确认删除?
VIP
微信客服
  • 扫码咨询
会员Q群
  • 会员专属群点击这里加入QQ群
客服邮箱
回到顶部