电脑桌面
添加小米粒文库到电脑桌面
安装后可以在桌面快捷访问

镍铁自动化行车控制系统方案VIP免费

镍铁自动化行车控制系统方案_第1页
1/30
镍铁自动化行车控制系统方案_第2页
2/30
镍铁自动化行车控制系统方案_第3页
3/30
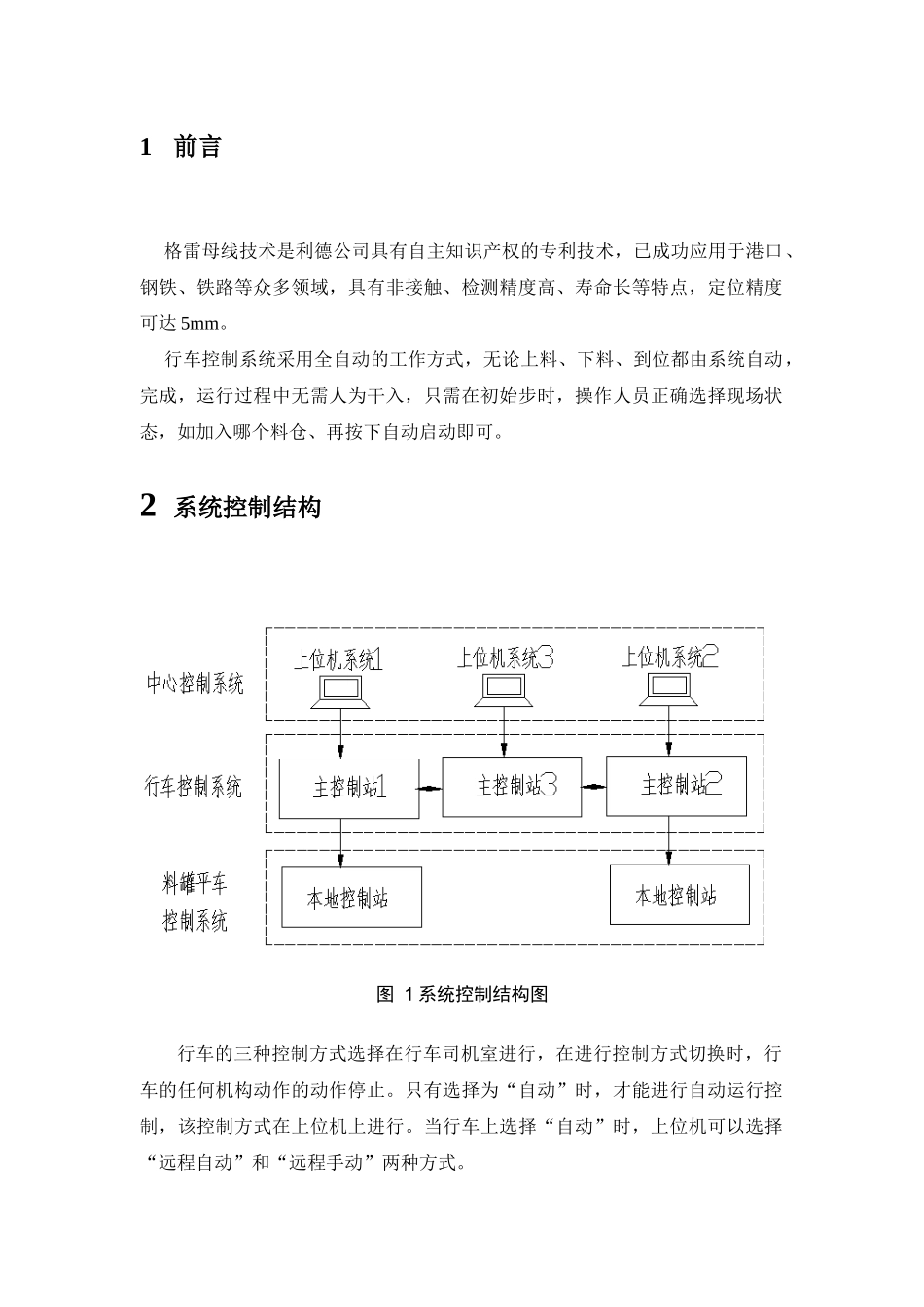
镍铁矿热炉自动化行车控制系统技术方案武汉利德测控技术股份有限公司饶生峰13720209557目录1前言..........................................................................................................................................32系统控制结构..........................................................................................................................33系统组成结构..........................................................................................................................44格雷母线定位技术...................................................................................................................85系统安全保障........................................................................................................................196上位机功能说明.....................................................................................................................216.1系统简介.....................................................................................................................216.2权限管理与登录.........................................................................................................216.3主菜单........................................................................................................................226.4行车操作及状态显示.................................................................................................236.5行车故障显示.............................................................................................................246.6行车趋势图.................................................................................................................246.7生产产量报表.............................................................................................................256.8料罐车操作及状态显示.............................................................................................266.9料罐车故障显示.........................................................................................................266.10登录报表.................................................................................................................277现场图片................................................................................................................................287.1矿热炉平板车格雷母线定位.....................................................................................287.2矿热炉炉顶自动化行车格雷母线定位.....................................................................281前言格雷母线技术是利德公司具有自主知识产权的专利技术,已成功应用于港口、钢铁、铁路等众多领域,具有非接触、检测精度高、寿命长等特点,定位精度可达5mm。行车控制系统采用全自动的工作方式,无论上料、下料、到位都由系统自动,完成,运行过程中无需人为干入,只需在初始步时,操作人员正确选择现场状态,如加入哪个料仓、再按下自动启动即可。2系统控制结构图1系统控制结构图行车的三种控制方式选择在行车司机室进行,在进行控制方式切换时,行车的任何机构动作的动作停止。只有选择为“自动”时,才能进行自动运行控制,该控制方式在上位机上进行。当行车上选择“自动”时,上位机可以选择“远程自动”和“远程手动”两种方式。a)远程自动时,当行车满足自动运行条件,可以在上微机启动自动运行,这时行车将自动进行取料、加料、放空罐等循环动作。b)远程手动时,用户可以输入一个坐标,行车自动走行至该处;也可以对各机构手动选择速度和走行方向来控制。c)行车和料...

1、当您付费下载文档后,您只拥有了使用权限,并不意味着购买了版权,文档只能用于自身使用,不得用于其他商业用途(如 [转卖]进行直接盈利或[编辑后售卖]进行间接盈利)。
2、本站所有内容均由合作方或网友上传,本站不对文档的完整性、权威性及其观点立场正确性做任何保证或承诺!文档内容仅供研究参考,付费前请自行鉴别。
3、如文档内容存在违规,或者侵犯商业秘密、侵犯著作权等,请点击“违规举报”。

碎片内容

镍铁自动化行车控制系统方案

您可能关注的文档

确认删除?
VIP
微信客服
  • 扫码咨询
会员Q群
  • 会员专属群点击这里加入QQ群
客服邮箱
回到顶部